GM Service Manual Online
For 1990-2009 cars only
Makes
🢒
Chevrolet
🢒
2005
🢒
Cobalt
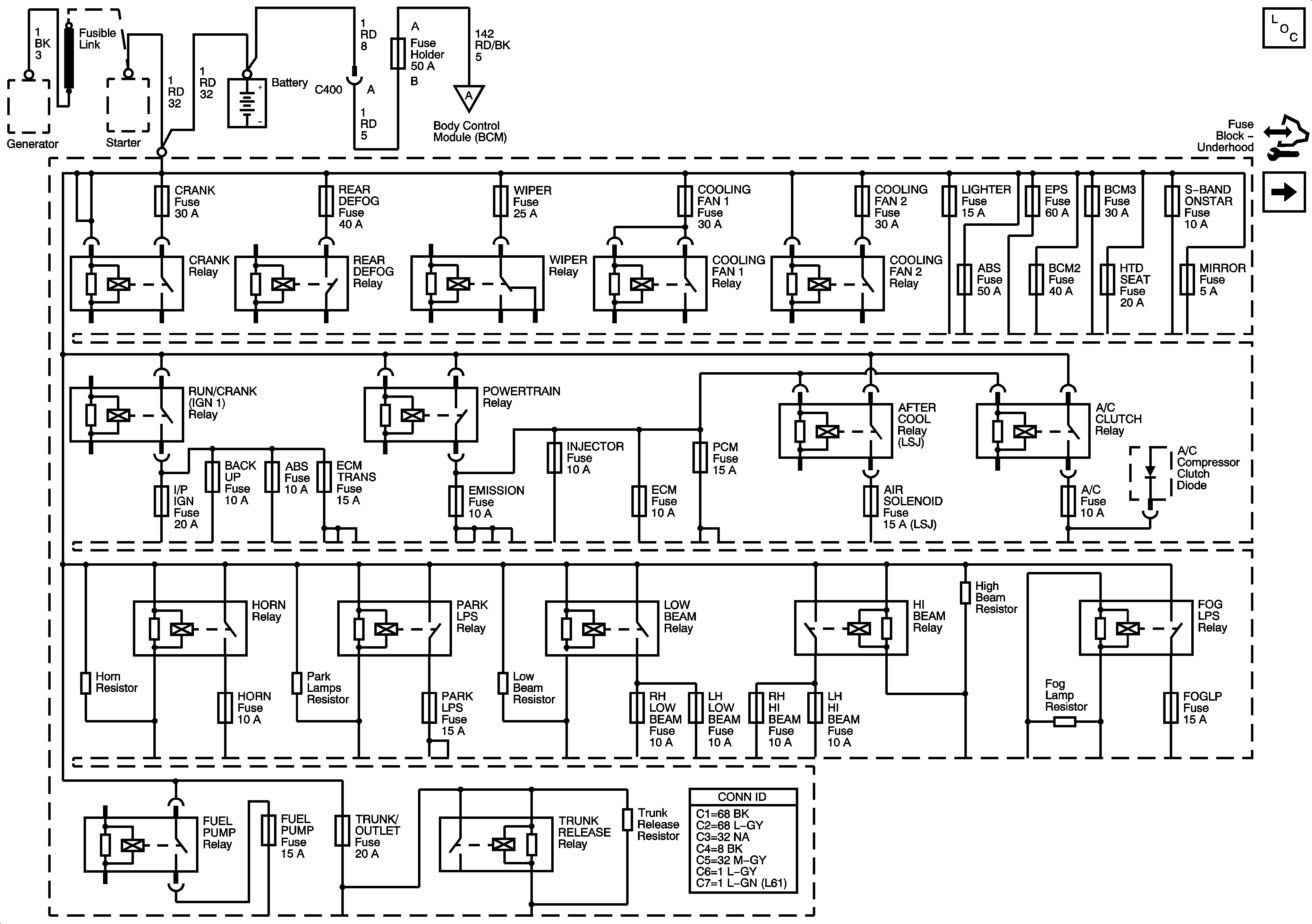
🢒 Underhood Fuse Block B+ Bus
Underhood Fuse Block B+ Bus
Underhood Fuse Block B+ Bus
Master Electrical Component List
Control Module References
AFTERCOOL Relay, AFTERCOOL Fuse, A/C CLUTCH Relay, A/C Fuse, HORN PCB Relay, HORN Fuse, FOG LAMP PCB Relay, FOG LAMP Fuse, TRUNK/OUTLET Relay, TRUNK RELEASE PCB Relay