GM Service Manual Online
For 1990-2009 cars only
Makes
🢒
Chevrolet
🢒
2005
🢒
Cobalt
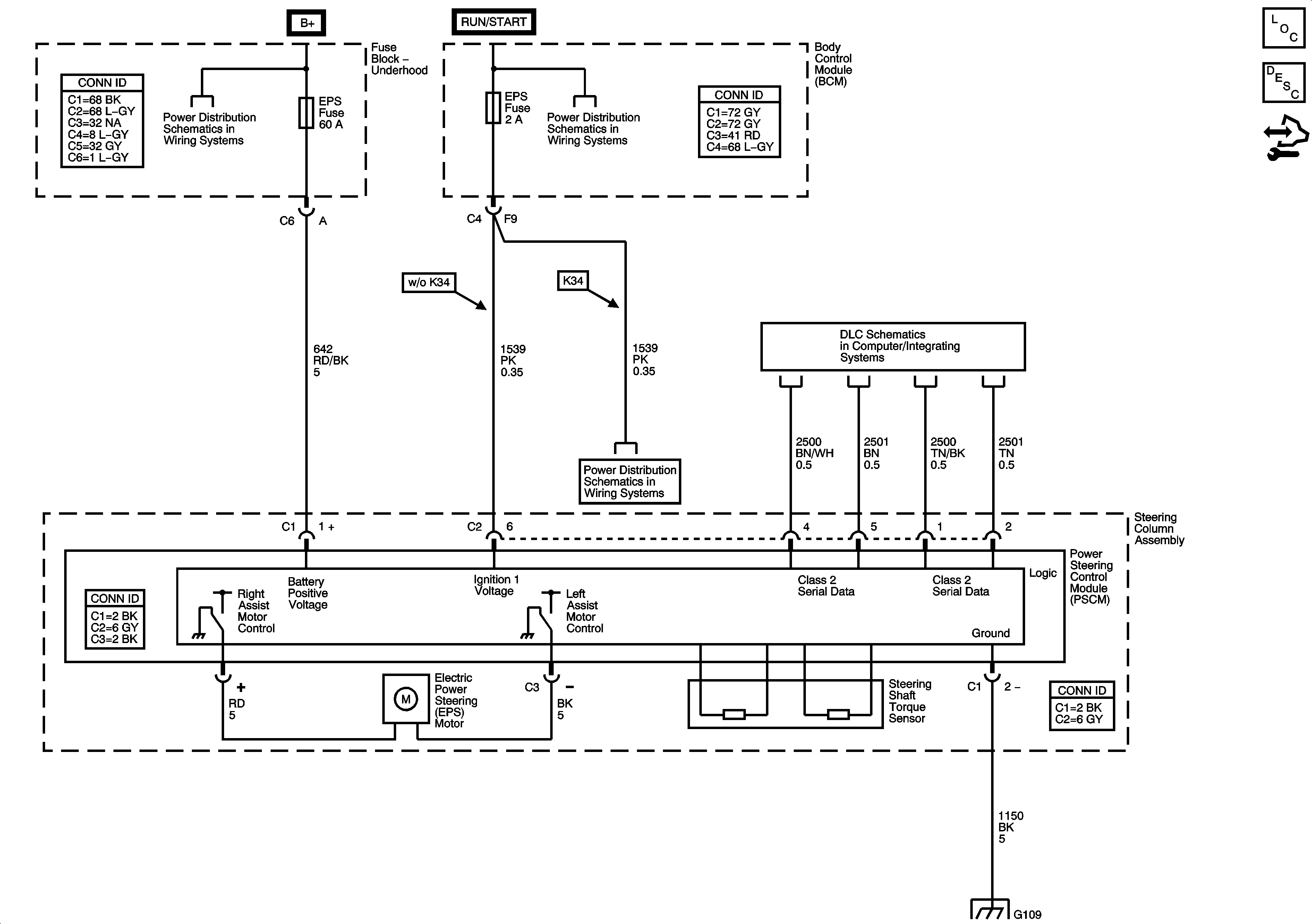
🢒 Power Steering
Power Steering
Master Electrical Component List
Power Steering System Description and Operation
Control Module References
RUN/CRANK Relay, I/P IGN Fuse, PRK/NEUT Fuse, BACKUP Fuse, ABS Fuses, ECM TRANS Fuse, LIGHTER Fuse, CAN VENT Fuse, EPS Fuse, BCM2 and 3 Fuses, HEATED SEAT Fuse, S-BAND/ONSTAR Fuse, MIRROR Fuse
RUN/CRANK Relay, HVAC Relay, I/P IGN Fuse, BCM3 Fuse, WIPER Fuse, RESTRAINTS Fuse, EPS Fuse
DLC High Speed, Serial Data, Class 2
RUN/CRANK Relay, HVAC Relay, I/P IGN Fuse, BCM3 Fuse, WIPER Fuse, RESTRAINTS Fuse, EPS Fuse
G109, G203, and G306