GM Service Manual Online
For 1990-2009 cars only
Makes
🢒
Chevrolet
🢒
2005
🢒
Cobalt
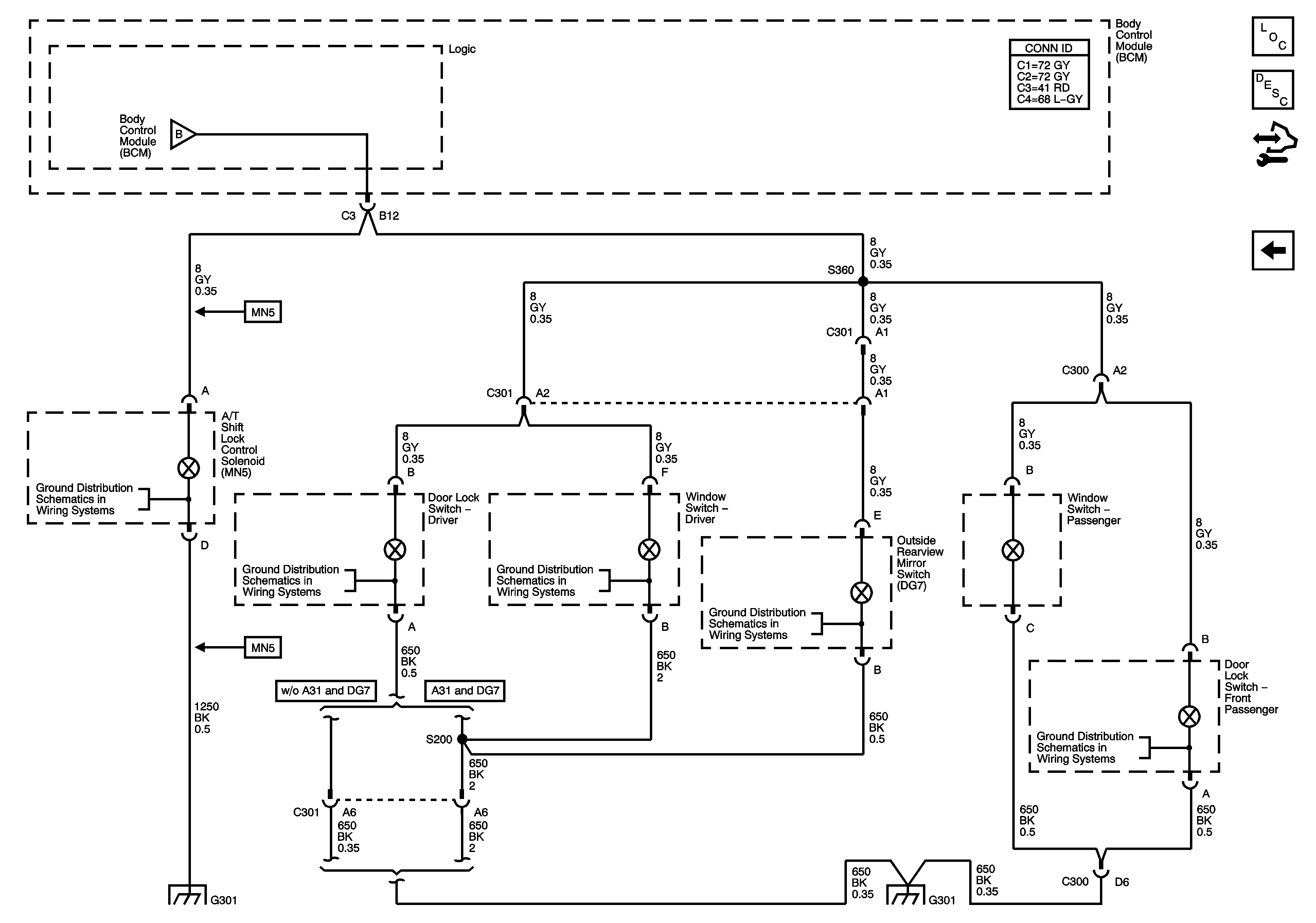
🢒 A/T Shift Lock Control Assembly, Mirror and Doors
A/T Shift Lock Control Assembly, Mirror and Doors
A/T Shift Lock Control Assembly, Mirror, and Doors
Master Electrical Component List
Interior Lighting Systems Description and Operation
Control Module References
IPC, HVAC Control Assembly, and Heated Seats
IPC, HVAC Control Assembly, and Heated Seats
G301 - 1 of 2
G301 - 2 of 2
G301 - 2 of 2
G301 - 2 of 2
G301 - 2 of 2
G301 - 1 of 2
G301 - 2 of 2