GM Service Manual Online
For 1990-2009 cars only
Makes
🢒
Chevrolet
🢒
2005
🢒
Cobalt
🢒 Body Rear End
Body Rear End
Master Electrical Component List
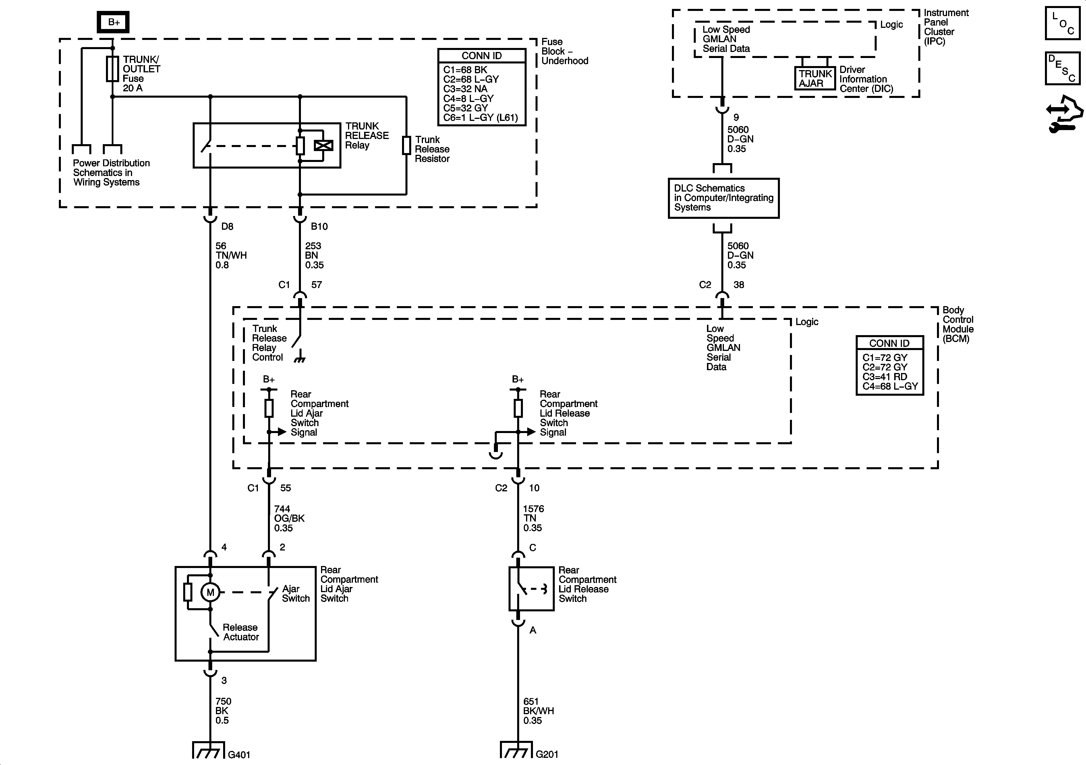
Luggage Compartment Description and Operation Sedan
Control Module References
G401 - 2 of 2
G201