GM Service Manual Online
For 1990-2009 cars only
Makes
🢒
Chevrolet
🢒
2005
🢒
Cobalt
🢒 Ignition Controls - Ignition System
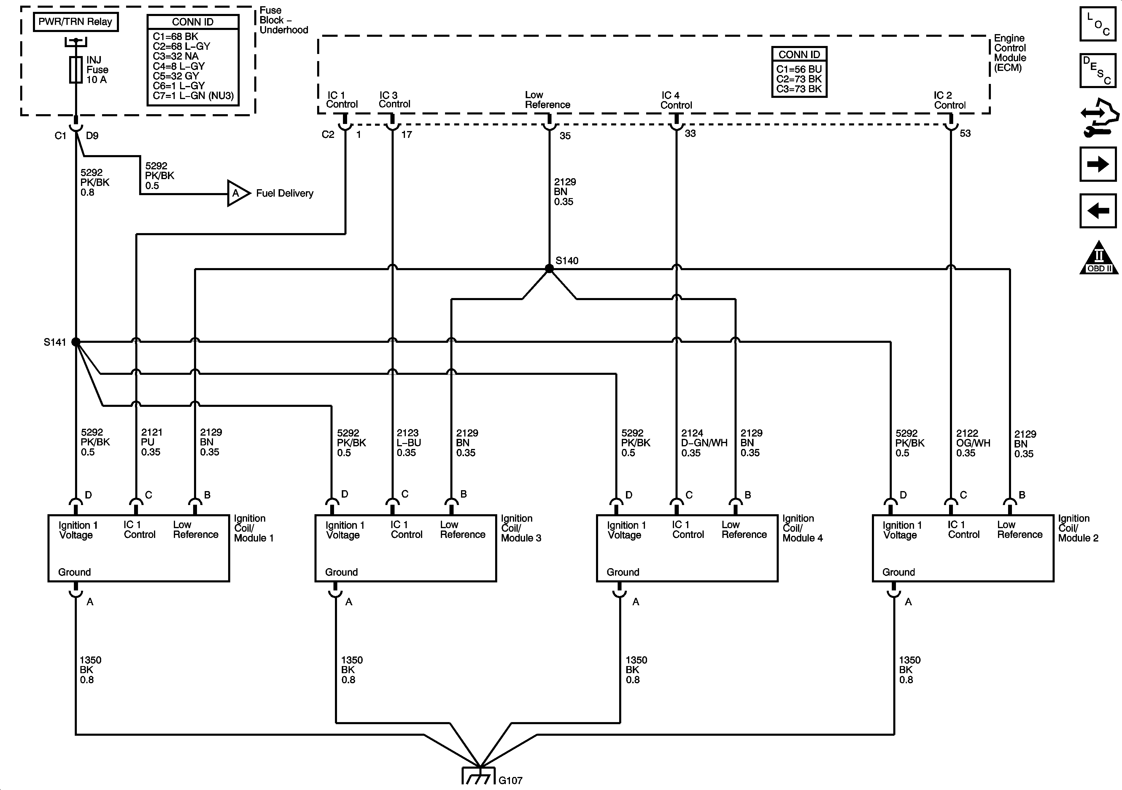
Ignition Controls - Ignition System
Ignition Control - Ignition System
Master Electrical Component List
Electronic Ignition (EI) System Description
Control Module References
Ignition Controls - Sensors
Engine Data Sensors - Throttle Actuator Controls
Engine Controls Schematic Icons
Fuel Controls
G103, G105