GM Service Manual Online
For 1990-2009 cars only
Makes
🢒
Chevrolet
🢒
2005
🢒
Cobalt
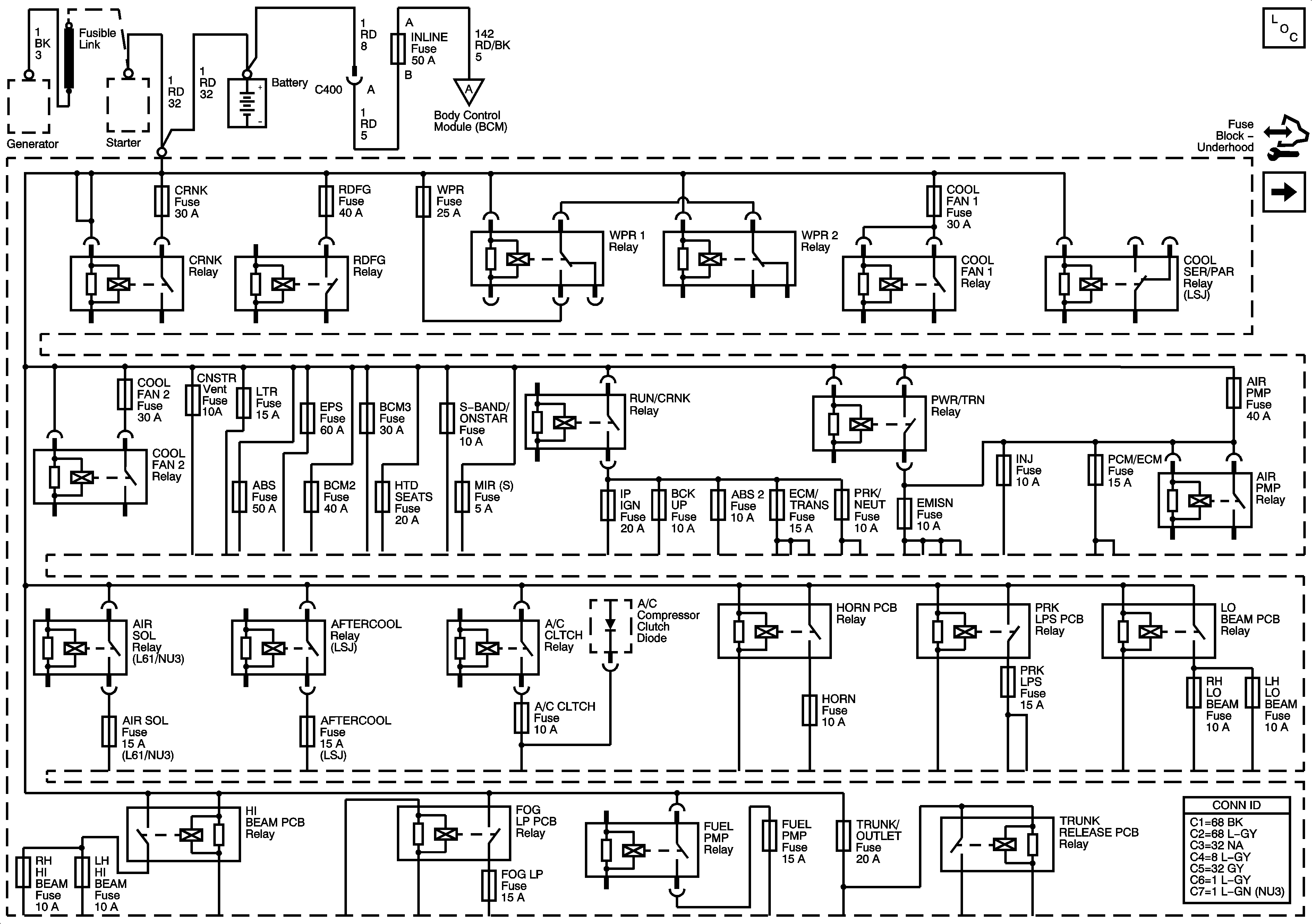
🢒 Underhood Fuse Block, B+ Bus
Underhood Fuse Block, B+ Bus
Underhood Fuse Block, B+ Bus
Master Electrical Component List
Control Module References
RUN/CRANK Relay, I/P IGN, BACKUP, ABS, ECM, TRANS, LIGHTING, S-BAND, MIRROR, ABS, EPS, BCM2, BCM3, HEATED SEATS Fuses