GM Service Manual Online
For 1990-2009 cars only
Makes
🢒
Chevrolet
🢒
2005
🢒
Cobalt
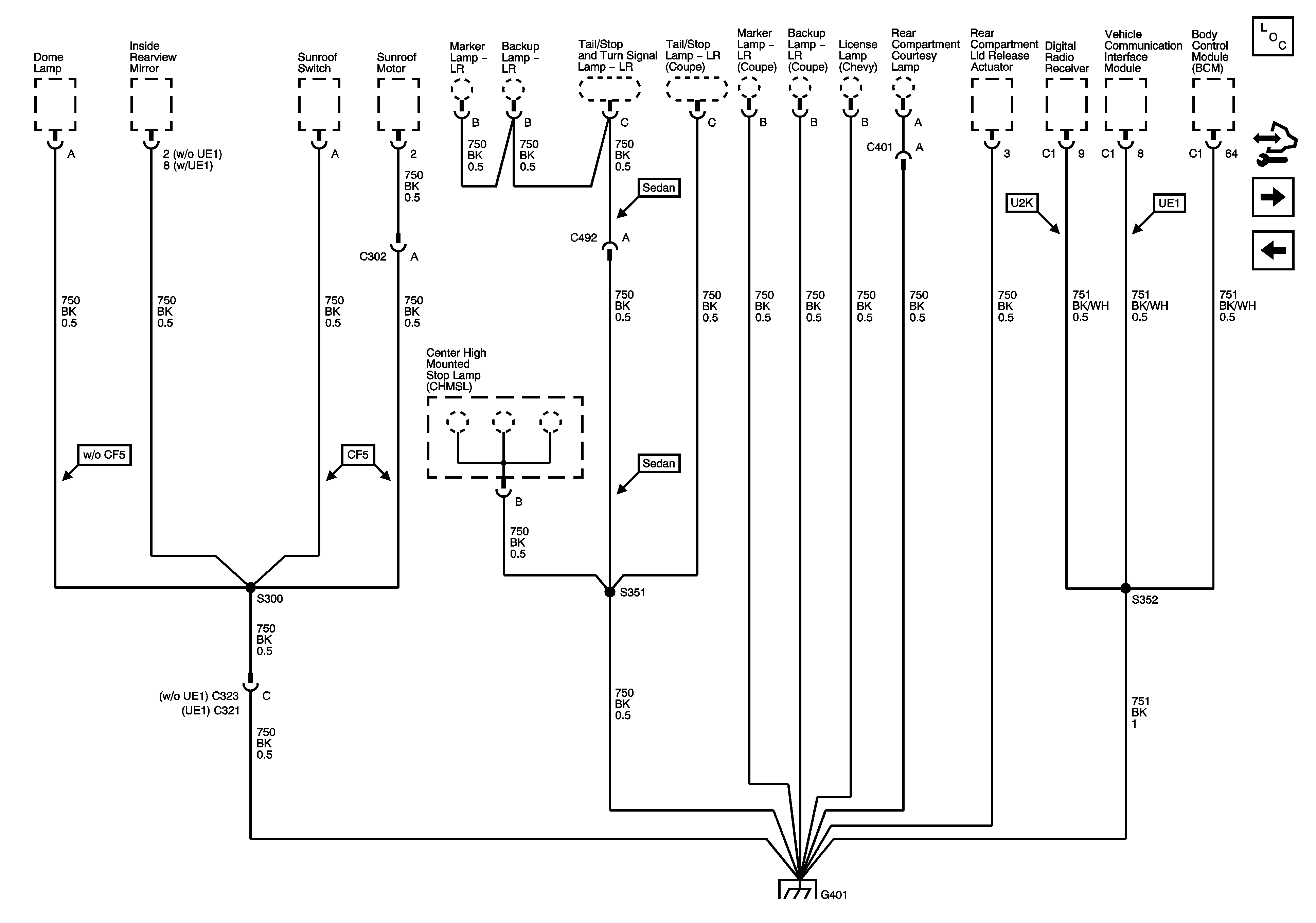
🢒 G401 (2 of 2)
G401 (2 of 2)
G401
Master Electrical Component List
Control Module References
G402, G403
G301 (1 of 2)