GM Service Manual Online
For 1990-2009 cars only
Makes
🢒
Chevrolet
🢒
2005
🢒
Cobalt
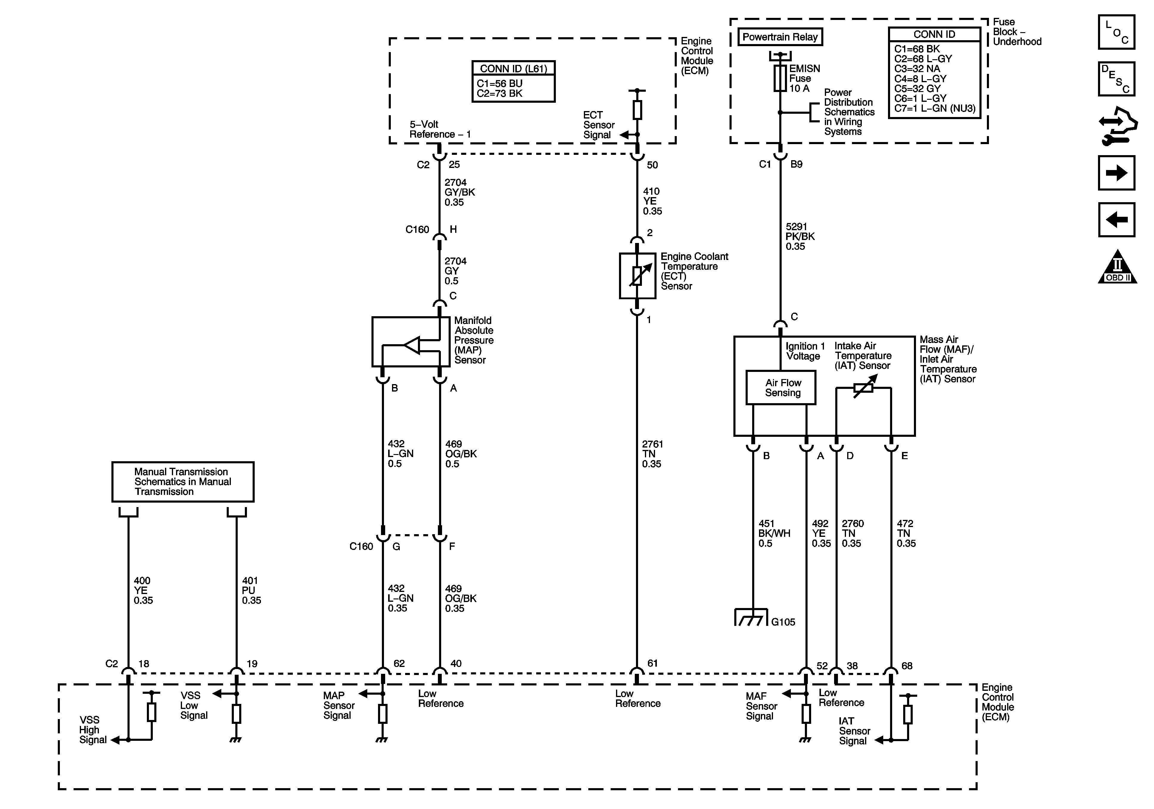
🢒 Engine Data Sensors - Pressure, Temperature, and MAF/IAT
Engine Data Sensors - Pressure, Temperature, and MAF/IAT
Engine Data Sensors - Pressure, Temperature, and MAF/IAT
Master Electrical Component List
Secondary Air Injection System Description
Control Module References
Engine Data Sensors, HO2S
Engine Data Sensors - 5-Volt and Low Reference Bussing
Engine Controls Schematic Icons
FUEL PUMP, POWERTRAIN Relay, FUEL PUMP, EMISSION, INJECTOR Fuses
Manual Transmission (L61/2.2L) Schematics
G103, G105