GM Service Manual Online
For 1990-2009 cars only
Makes
🢒
Chevrolet
🢒
2005
🢒
Cobalt
🢒 Engine Data Sensors and Pressure Temperature
Engine Data Sensors and Pressure Temperature
Engine Data Sensors and Pressure Temperature
Master Electrical Component List
Air Intake System Description
Control Module References
Engine Data Sensors - MAF/IAT, CKP, KS, CMP, VSS
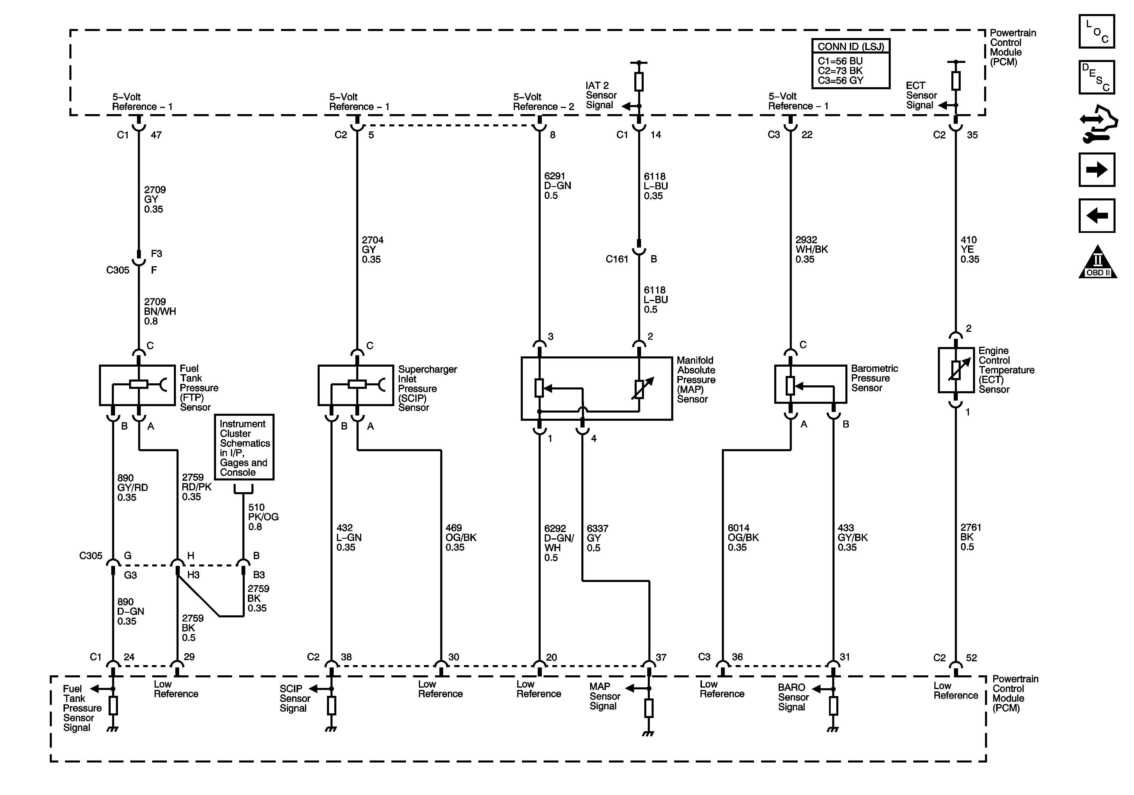
Engine Data Sensors - 5-Volt and Low Reference Bussing
Engine Controls Schematic Icons