GM Service Manual Online
For 1990-2009 cars only
Makes
🢒
Chevrolet
🢒
2006
🢒
Cobalt
🢒
Body
🢒
Body Rear End
🢒 Body Rear End Schematics
Master Electrical Component List
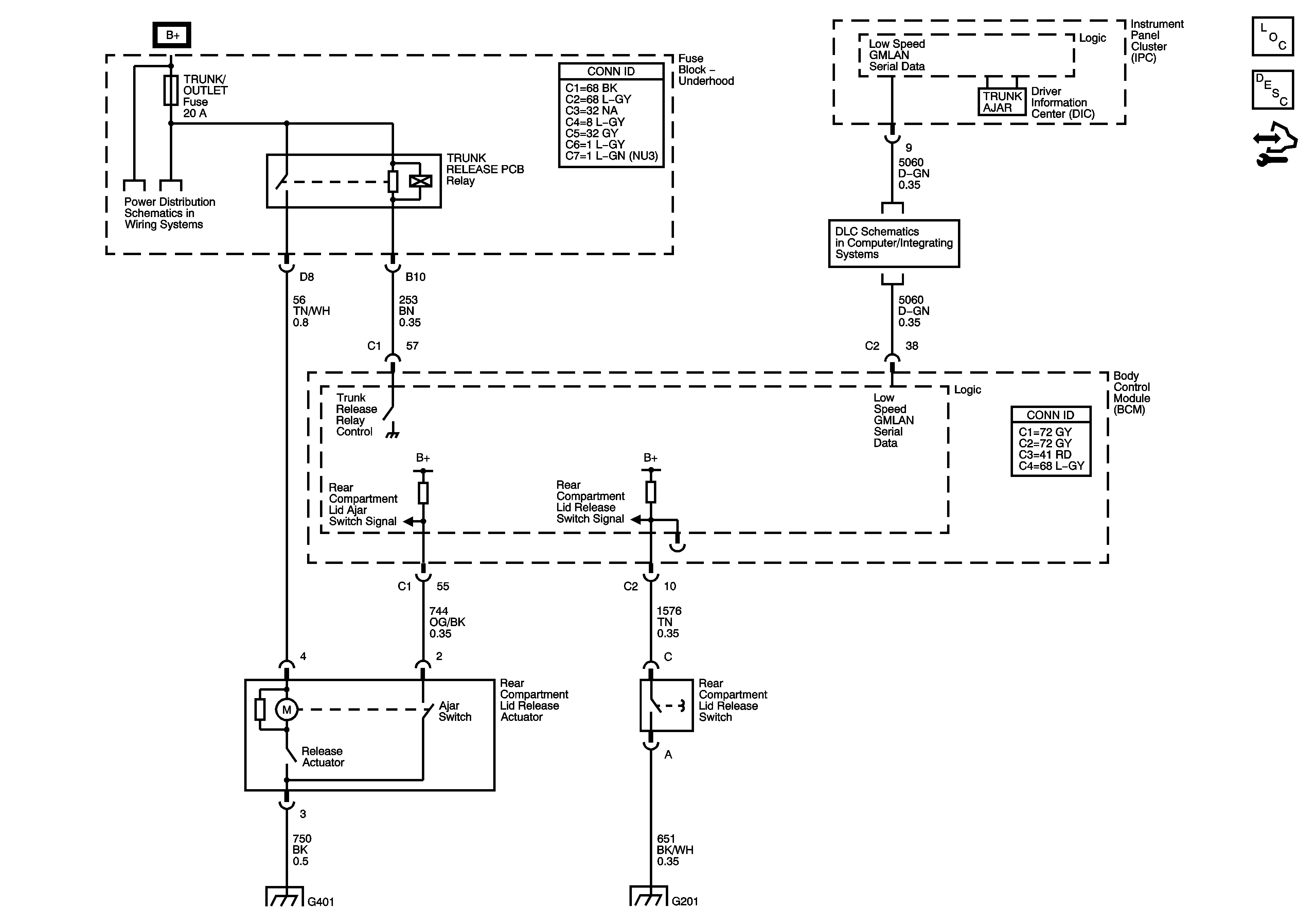
Luggage Compartment Description and Operation (Sedan)
Control Module References
AIR SOLENOID, A/C CLUTCH, HORN, FOG LAMP Relays, AIR SOLENOID, A/C, HORN, FOG LAMP Fuses
DLC Power, Ground, and Low Speed GMLAN
G401 (2 of 2)
G201