GM Service Manual Online
For 1990-2009 cars only
Makes
🢒
Chevrolet
🢒
2006
🢒
Cobalt
🢒
Body
🢒
Wiring Systems
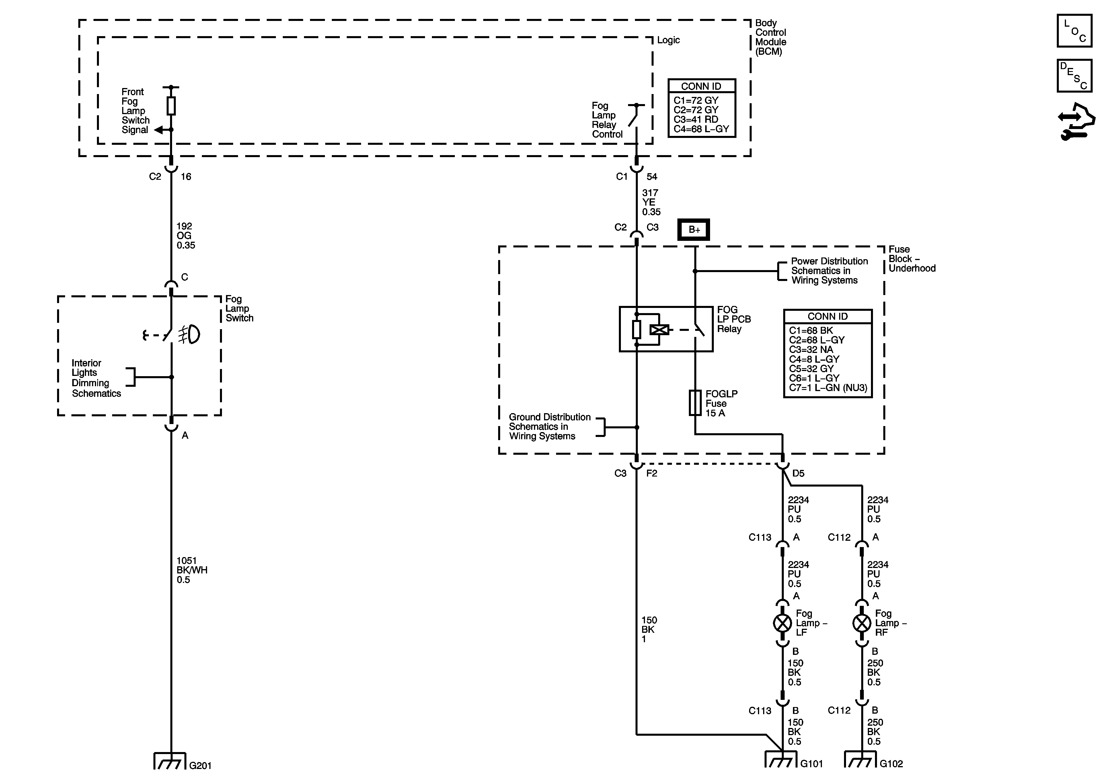
🢒 Fog Lights Schematics
Master Electrical Component List
Exterior Lighting Systems Description and Operation
Control Module References
Dimmer Switch Inputs
AIR SOLENOID, A/C CLUTCH, HORN, FOG LAMP Relays, AIR SOLENOID, A/C, HORN, FOG LAMP Fuses
G101, G102
G201
G101, G102
G101, G102