GM Service Manual Online
For 1990-2009 cars only
Makes
🢒
Chevrolet
🢒
2006
🢒
Cobalt
🢒
Body
🢒
Wiring Systems
🢒 Body Control System Schematics
Figure
1:
Power, Ground, Data Link, and Engine References
Master Electrical Component List
Body Control System Description and Operation
Control Module References
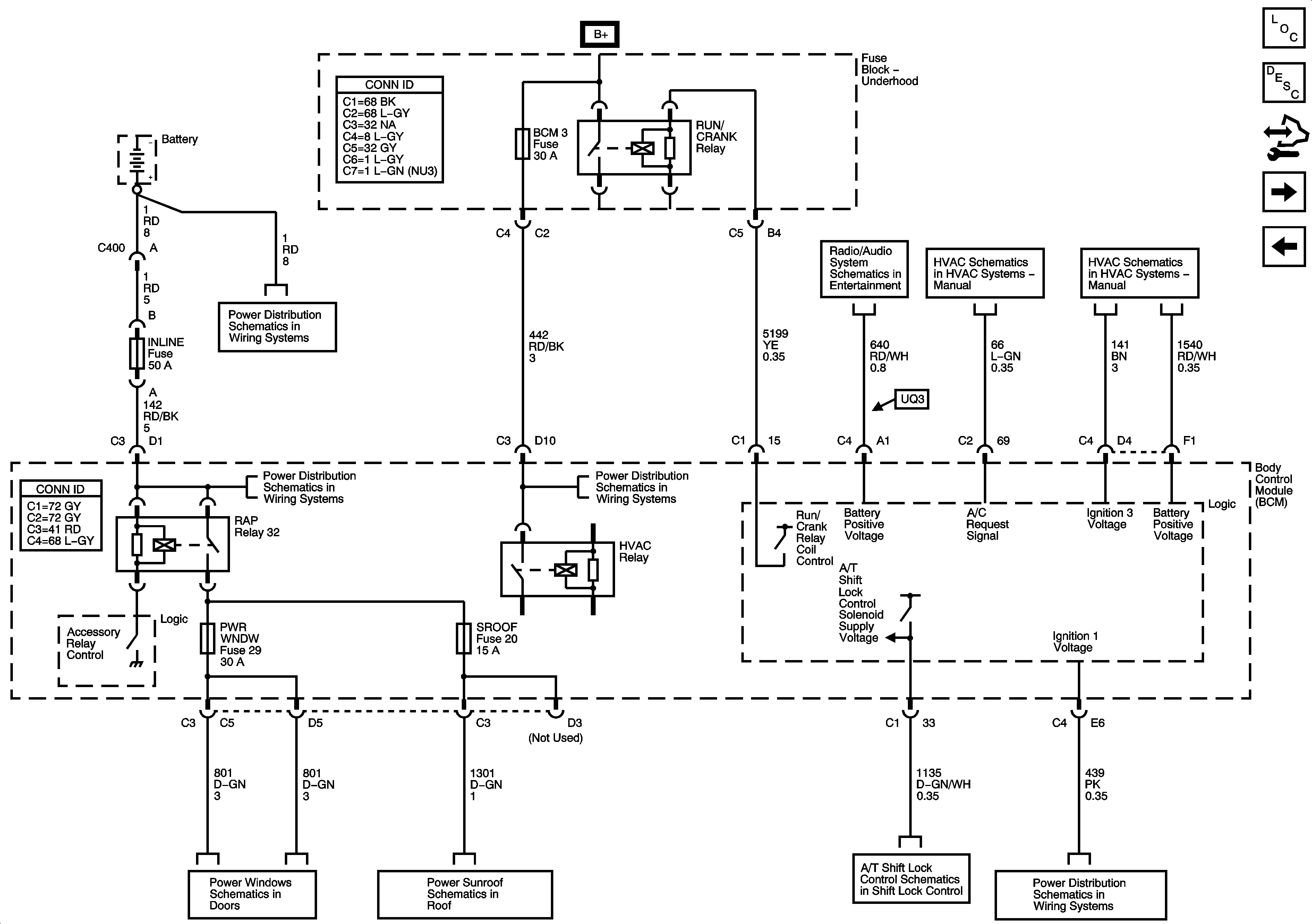
RUN/CRANK, RAP, HVAC Relays, BCM3, PWR WINDOWS, SUNROOF Fuses
RUN/CRANK Relay, I/P IGN, BACKUP, ABS, ECM, TRANS, LIGHTING, S-BAND, MIRROR, ABS, EPS, BCM2, BCM3, HEATED SEATS Fuses
BCM2, CLUSTER, IGN SW, STOP LPS, AUDIO AMPLIFIER Fuses
RAP, DOOR LOCK, DOOR UNLOCK, INTERIOR LAMPS Relays, DOOR LOCK RADIO, PWR WINDOW, SUNROOF, INT LPS, ECM/TCM, SDM, CURRENT SENSOR Fuses
High Speed GMLAN
DLC Power, Ground, and Low Speed GMLAN
BCM2, CLUSTER, IGN SW, STOP LPS, AUDIO AMPLIFIER Fuses
Charging
Power, Ground, and Illumination MIL
Starting
G201
G401 (2 of 2)
Figure
2:
RUN/CRANK, RAP, HVAC Relays, BCM3, PWR WINDOWS, SUNROOF Fuses
Master Electrical Component List
Body Control System Description and Operation
Control Module References
ABS, Brake Warning, Cruise Control, Door Lock/Indicator, Engine Controls, and Engine Cooling References
Power, Ground, Data Link, and Engine References
Underhood Fuse Block, B+ Bus
Amplifier Power, Speakers (UQ3)
Compressor Controls
Power, Ground, and Blower Motor
Power Window - Coupe
Power Sunroof Schematics
A/T Shift Lock Control Schematics
RUN/CRANK, HVAC Relays, I/P, IGN, BCM3, WIPER, I/P IGN Fuses
Figure
3:
ABS, Brake Warning, Cruise Control, Door Lock Indicator, Engine Controls, and Engine Cooling References
Master Electrical Component List
Body Control System Description and Operation
Control Module References
Lighting System References
RUN/CRANK, RAP, HVAC Relays, BCM3, PWR WINDOWS, SUNROOF Fuses
TCM, Power, Ground, and PNP Switch
Power, Ground, MIL, and DLC
G301 (1 of 2)
Headlights/DRL Schematics
Brake Warning System Schematics
Power, Ground, and Blower Motor
Power, Ground, Serial Data, and Switches
Electronic Power Steering Schematics
Door Lock/Indicator
Inputs
Figure
4:
Lighting System References
Master Electrical Component List
Body Control System Description and Operation
Control Module References
Body Rear End, Defogger, Headlights/DRL, Horns, and Wiper/Washer References
ABS, Brake Warning, Cruise Control, Door Lock/Indicator, Engine Controls, and Engine Cooling References
Fog Lamp Schematics
Inputs
Park Lamps
Dimmer Switch Inputs
Outputs
A/T Shift Lock Control Assembly Mirror and Doors
Headlights/DRL Schematics
Stop Lamps
Stop Lamps
Figure
5:
Body Rear End, Defogger, Headlights/DRL, Horns, and Wiper/Washer References
Master Electrical Component List
Body Control System Description and Operation
Control Module References
Lighting System References
Theft Deterrent
Radio (UQ4)
Keyless Entry Schematics
Rear Defogger Schematics
Horns Schematics
Trunk Release Schematics
Outputs
Headlights/DRL Schematics