GM Service Manual Online
For 1990-2009 cars only
Makes
🢒
Chevrolet
🢒
2006
🢒
Cobalt
🢒
Brakes
🢒
Antilock Brake System
🢒 Antilock Brake System Schematics
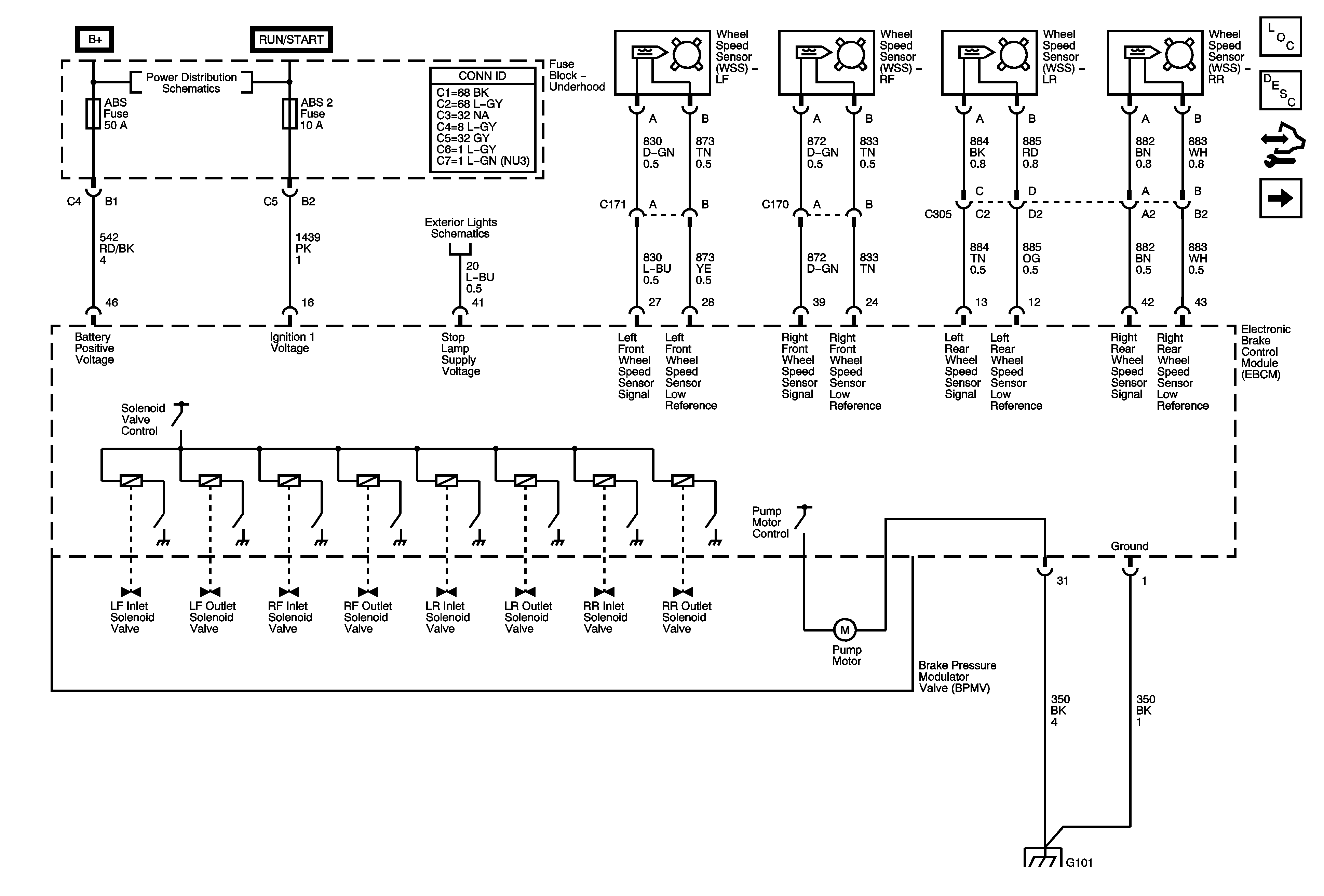
Figure
1:
Power, Ground, and Wheel Speed Sensor
Master Electrical Component List
ABS Description and Operation
Control Module References
Data Link Communications
RUN/CRANK Relay, I/P IGN, BACKUP, ABS, ECM, TRANS, LIGHTING, S-BAND, MIRROR, ABS, EPS, BCM2, BCM3, HEATED SEATS Fuses
Stop Lamps
G101, G102
Figure
2:
Data Link Communications
Master Electrical Component List
ABS Description and Operation
Control Module References
Power, Ground, and Wheel Speed Sensor
Antilock Brake System Schematic Icons
Antilock Brake System Schematic Icons
Antilock Brake System Schematic Icons