GM Service Manual Online
For 1990-2009 cars only
Makes
🢒
Chevrolet
🢒
2007
🢒
Cobalt
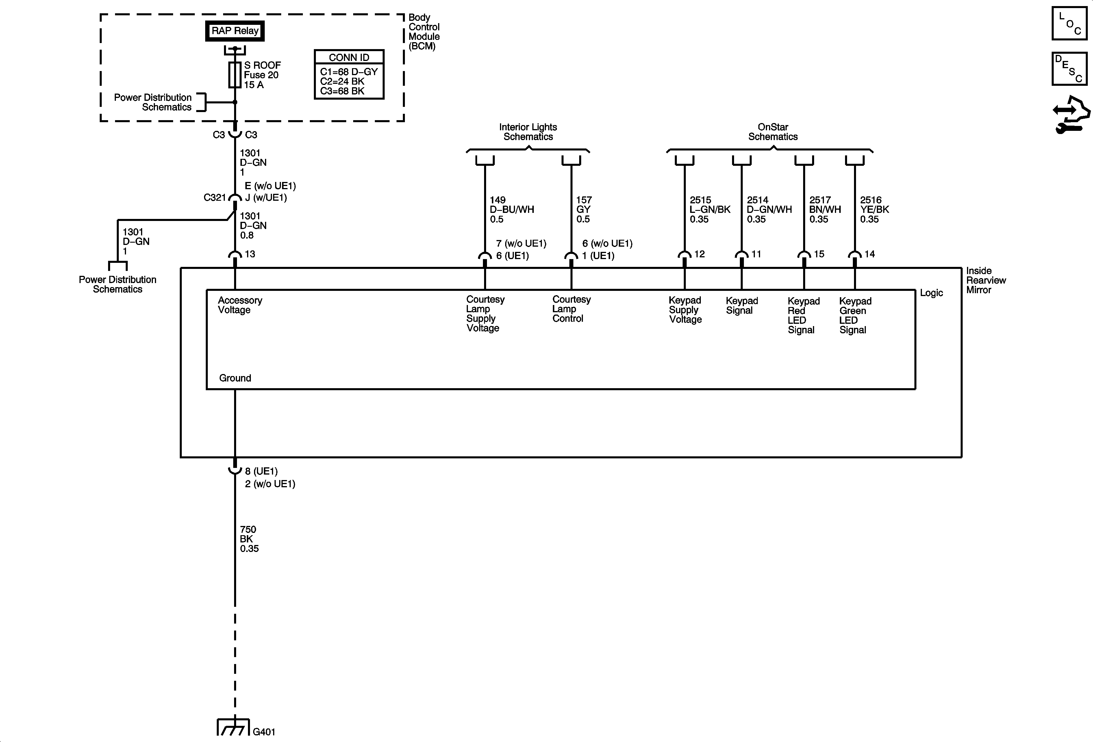
🢒 Inside Rearview Mirror Schematic
Inside Rearview Mirror Schematic
Master Electrical Component List
Automatic Day-Night Mirror Description and Operation
Control Module References
BCM Fuses - DR LCK, ECM/TCM, INT LIGHT, PWR WNDW, RDO, SDM, S ROOF
BCM Fuses - DR LCK, ECM/TCM, INT LIGHT, PWR WNDW, RDO, SDM, S ROOF
Backup Lamps
Outputs
Onstar Schematics
G401