GM Service Manual Online
For 1990-2009 cars only
Makes
🢒
Chevrolet
🢒
2007
🢒
Cobalt
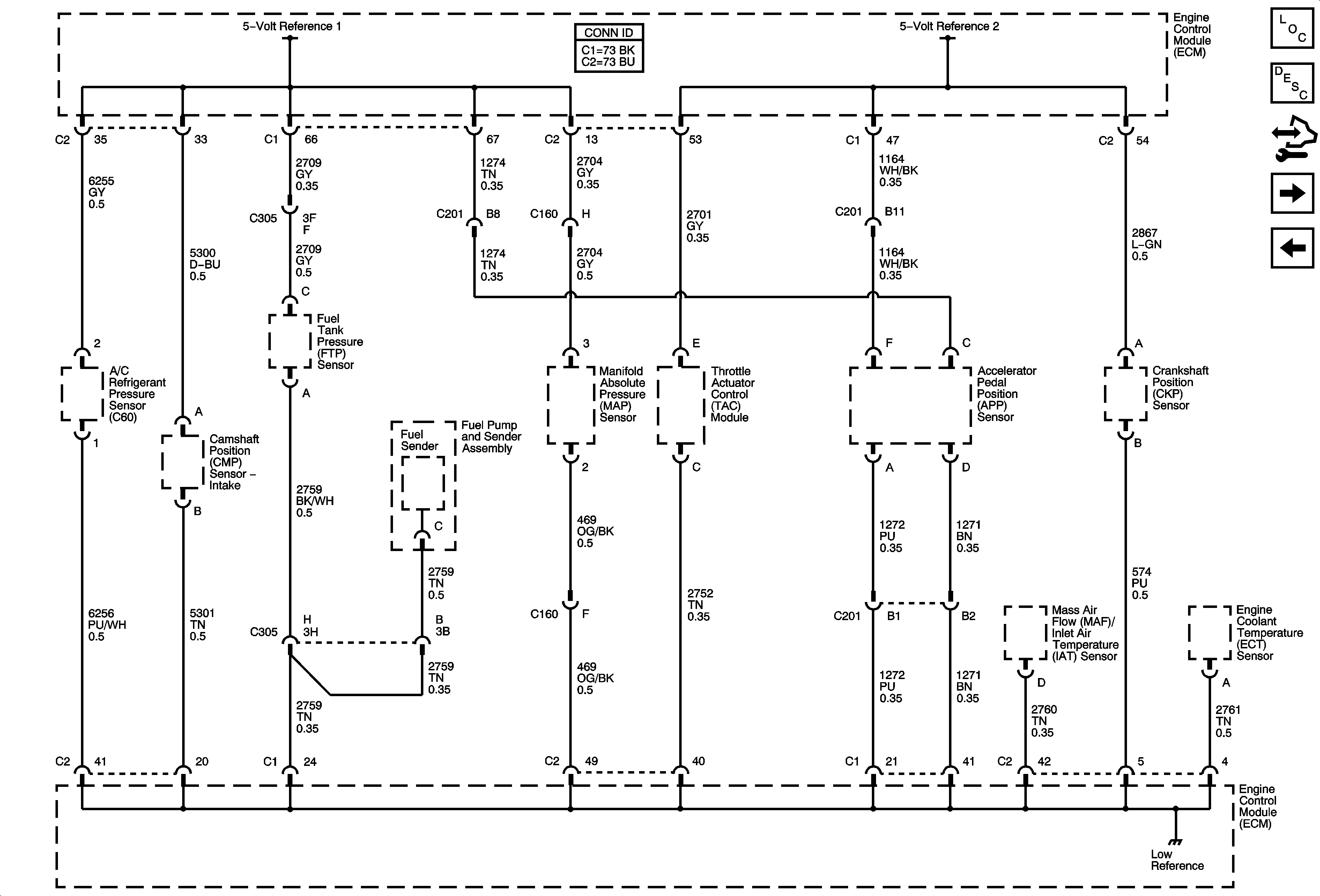
🢒 5-Volt and Low Reference Bussing
5-Volt and Low Reference Bussing
5-Volt and Low Reference Bussing
Master Electrical Component List
Engine Control Module Description
Control Module References
Engine Data Sensors - Pressure, Temperature, MAF/IAT
Power, Ground, MIL, Communication