GM Service Manual Online
For 1990-2009 cars only
Makes
🢒
Chevrolet
🢒
2007
🢒
Cobalt
🢒 LSJ
LSJ
LSJ
Master Electrical Component List
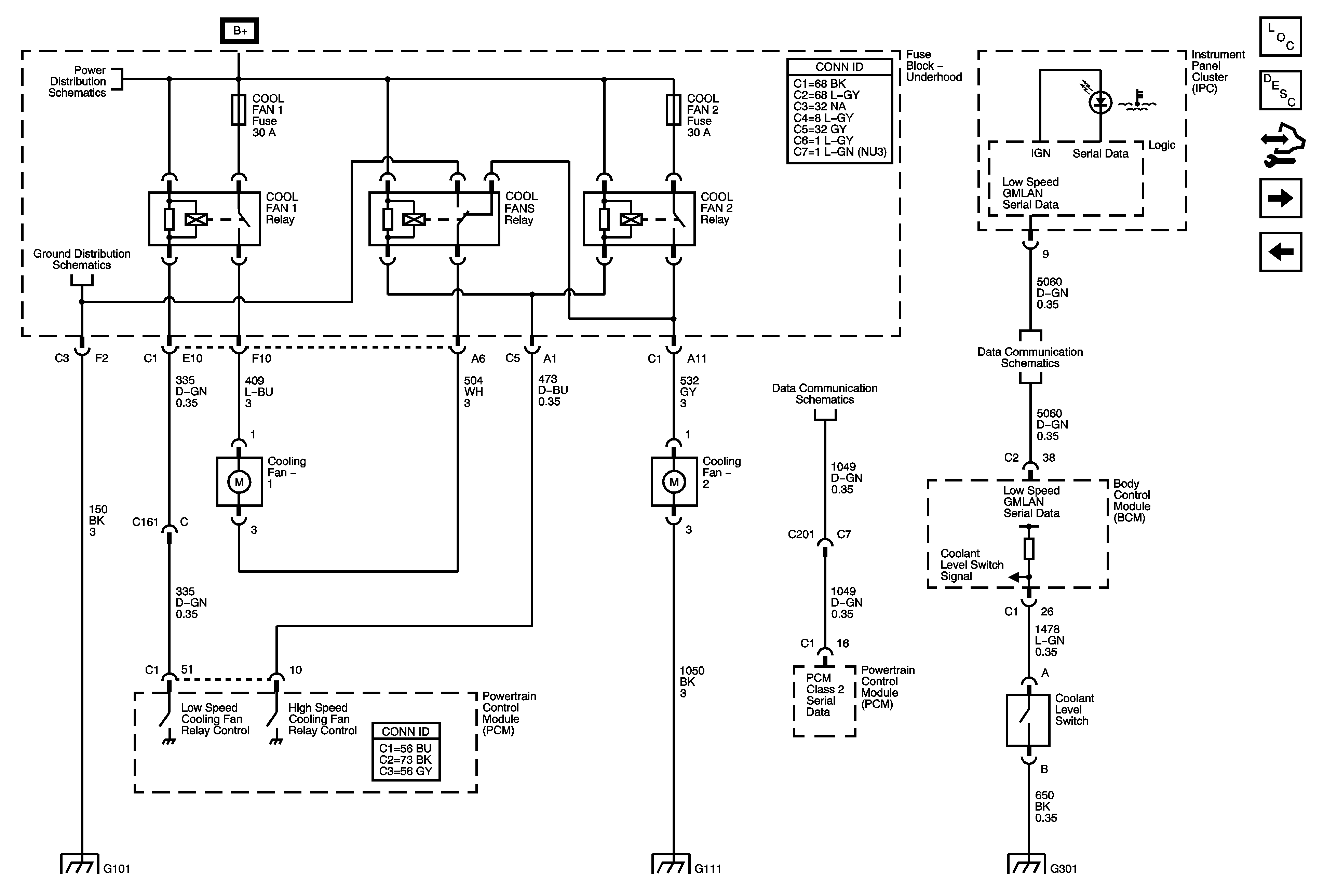
Cooling Fan Description and Operation
Control Module References
LE5
L61
B+ Bussing, Underhood Fuse Block B+ Bus
G101, G102
Power, Ground, Low Speed GMLAN
High Speed GMLAN
G101, G102
G109, G111, G203, G306