GM Service Manual Online
For 1990-2009 cars only

Object Number: 2016112  Size: MF

Callout

Component Name

Preliminary Procedure

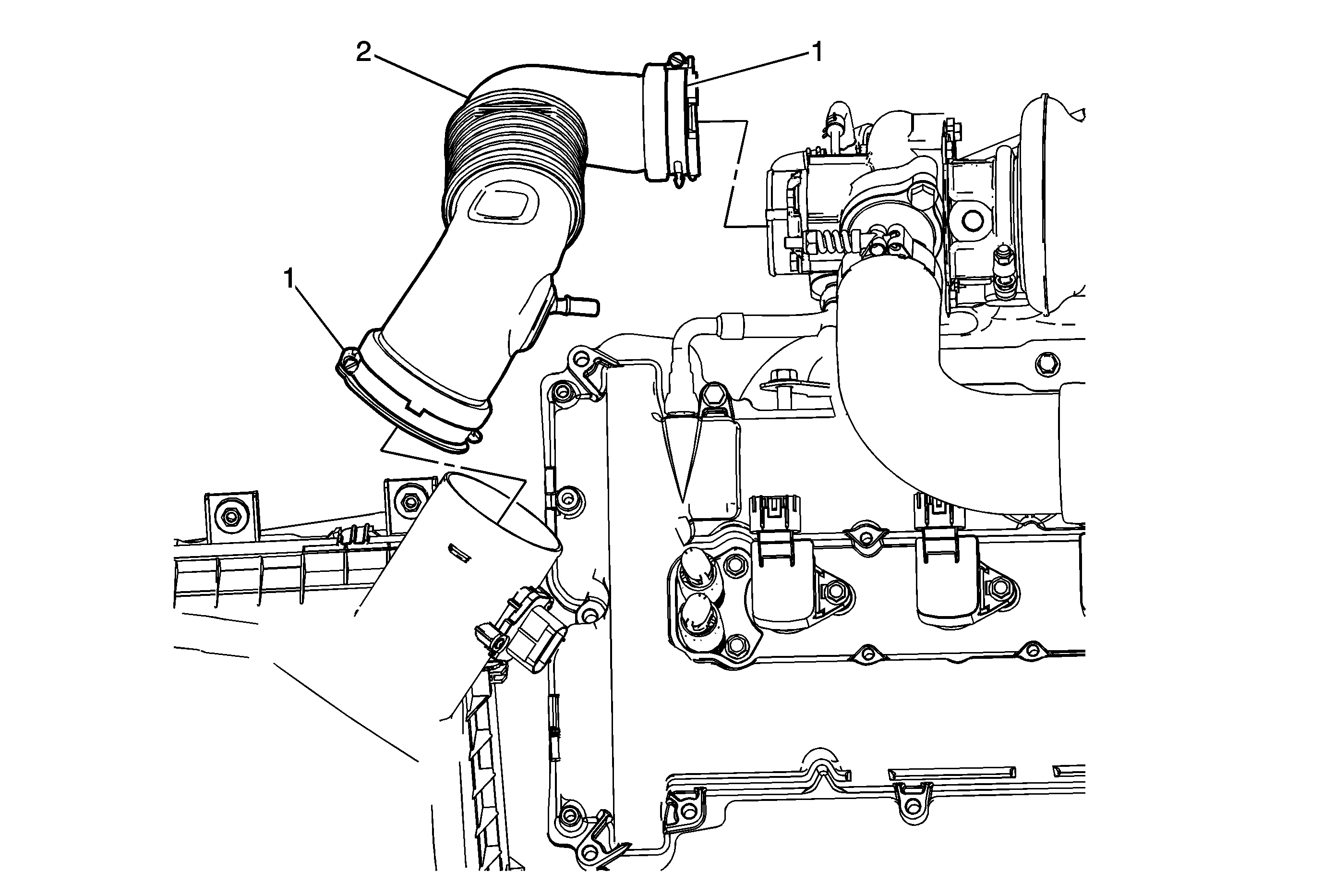
Disconnect the positive crankcase ventilation (PCV) tube. Refer to Plastic Collar Quick Connect Fitting Service.

1

Air Cleaner Outlet Duct Clamp (Qty: 2)

Notice: Refer to Fastener Notice in the Preface section.

Tighten
5 N·m (44 lb in)

2

Air Cleaner Outlet Duct