GM Service Manual Online
For 1990-2009 cars only

    Object Number: 2046137  Size: SH
  1. Remove the turbocharger heat shield bolts.
  2. Remove the turbocharger heat shield.

  3. Object Number: 2046250  Size: SH
  4. Remove the turbocharger exhaust pipe heat shield bolts.
  5. Remove the turbocharger exhaust pipe heat shield.

  6. Object Number: 2046138  Size: SH
  7. Remove the turbocharger exhaust pipe nuts and bolt.
  8. Remove the turbocharger exhaust pipe.
  9. Remove the turbocharger exhaust pipe seal.

  10. Object Number: 2046139  Size: SH

    Notice: Do not twist the turbocharger oil feed pipe. Twisting of the feed pipe will result in the collapse and deformation of the plastic pipe, restricting oil flow and causing turbocharger damage. During turbocharger replacement, gently push the oil feed pipe towards the front of the engine to clear the turbocharger. Assistance may be required to keep the pipes clear of the turbocharger during removal or installation.

  11. Remove the turbocharger oil feed pipe bolts.
  12. Remove the turbocharger oil feed pipe gaskets.
  13. Remove the turbocharger oil feed pipe.

  14. Object Number: 2046140  Size: SH
  15. Remove the turbocharger coolant return pipe bolts.
  16. Remove the turbocharger coolant return pipe gaskets.
  17. Remove the turbocharger coolant return pipe.

  18. Object Number: 2045495  Size: SH
  19. Remove the turbocharger air cooler outlet pipe bolts.
  20. Remove the turbocharger air cooler outlet pipe.

  21. Object Number: 1769641  Size: SH
  22. Remove the turbocharger coolant feed pipe bolts.
  23. Remove the turbocharger coolant feed pipe gaskets.
  24. Remove the turbocharger coolant feed pipe.

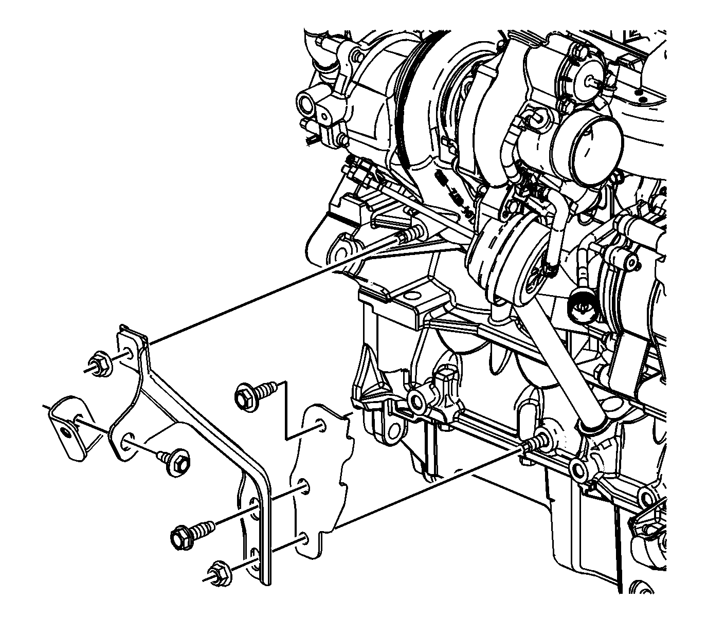
  25. Object Number: 2045496  Size: SH
  26. If necessary, remove the turbocharger brace bracket bolt and turbocharger brace bracket from the turbocharger brace.
  27. Remove the turbocharger brace upper and lower nuts.
  28. Remove the turbocharger brace bolt.
  29. Remove the turbocharger brace.
  30. Remove the turbocharger brace bracket bolt.
  31. Remove the turbocharger brace bracket.

  32. Object Number: 1769646  Size: SH
  33. Remove the turbocharger oil return pipe bolts.
  34. Remove the turbocharger oil return pipe.
  35. Remove and discard the turbocharger oil return pipe gasket.

  36. Object Number: 1769653  Size: SH
  37. Remove the PCV hose fitting bolt.
  38. Remove the PCV hose fitting from the turbocharger with the hose still attached.
  39. Remove the turbocharger nuts.
  40. Remove the turbocharger.
  41. Remove the turbocharger gasket.