GM Service Manual Online
For 1990-2009 cars only

Removal Procedure


    Object Number: 2034040  Size: SH
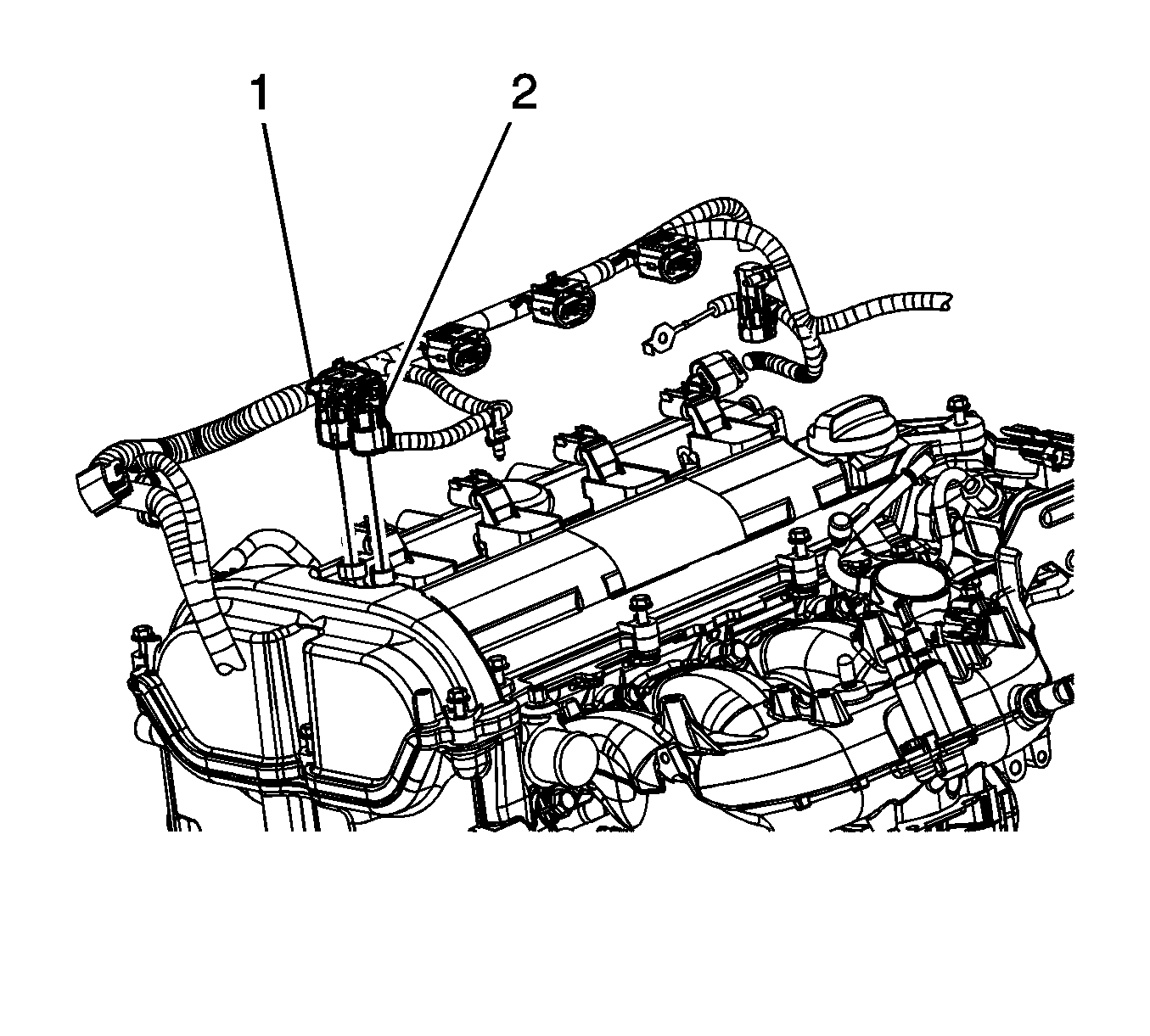
  1. Disconnect the engine wiring harness electrical connector from either the intake (2) or exhaust (1) camshaft position actuator solenoid valve, as required.

  2. Object Number: 2034041  Size: SH
  3. Remove the exhaust (1) camshaft position actuator solenoid valve bolt and valve, as required.
  4. Remove the intake (2) camshaft position (CMP) actuator solenoid valve bolt and valve, as required.
  5. Inspect the solenoid valve O-ring seals from damage, replace as necessary.

Installation Procedure

    Notice: Refer to Fastener Notice in the Preface section.


    Object Number: 2034041  Size: SH
  1. Lubricate the solenoid valve O-ring seals with clean engine oil.
  2. Install the intake (2) CMP actuator solenoid valve and bolt, as required.
  3. Tighten
    Tighten the bolt to 10 N·m (89 lb in).

  4. Install the exhaust (1) CMP actuator solenoid valve and bolt, as required.
  5. Tighten
    Tighten the bolt to 10 N·m (89 lb in).


    Object Number: 2034040  Size: SH
  6. Connect the engine wiring harness electrical connector to the intake (1) or exhaust (2) camshaft position actuator solenoid valve, as required.