GM Service Manual Online
For 1990-2009 cars only
Makes
🢒
Chevrolet
🢒
2008
🢒
Cobalt
🢒
Diagnostic Navigation
🢒
Vehicle Diagnostic Information
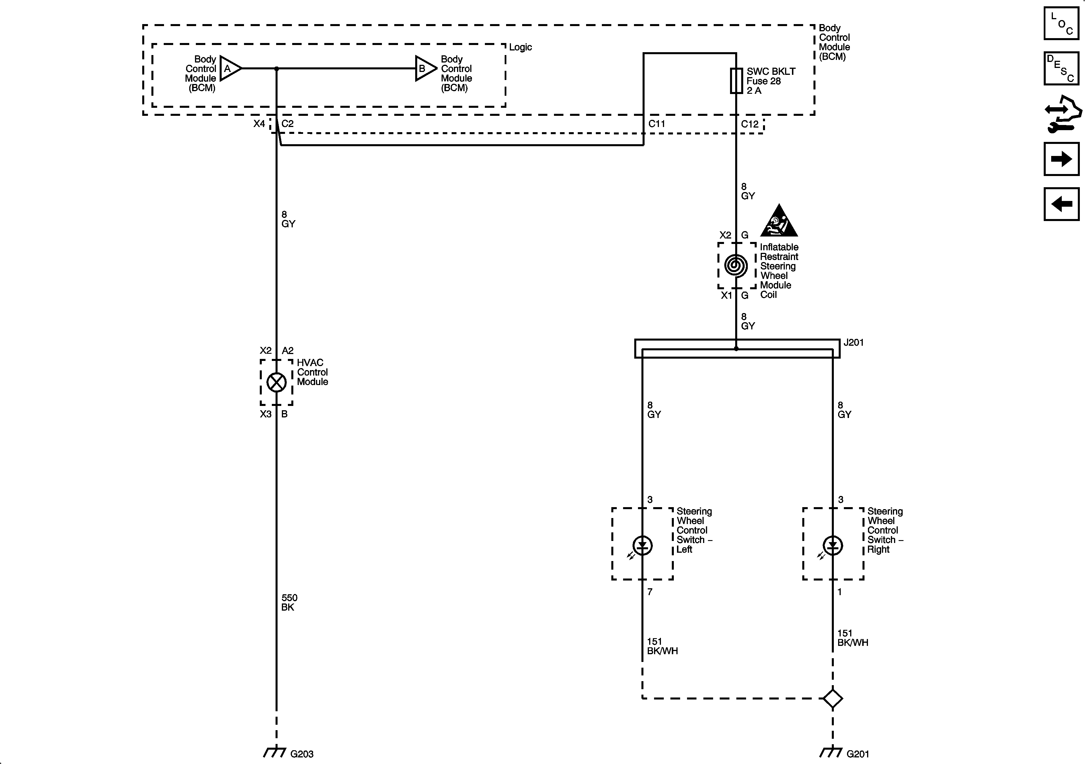
🢒 Interior Lights Dimming Schematics
Figure
1:
Dimmer Switch Inputs
Master Electrical Component List
Interior Lighting Systems Description and Operation
Control Module References
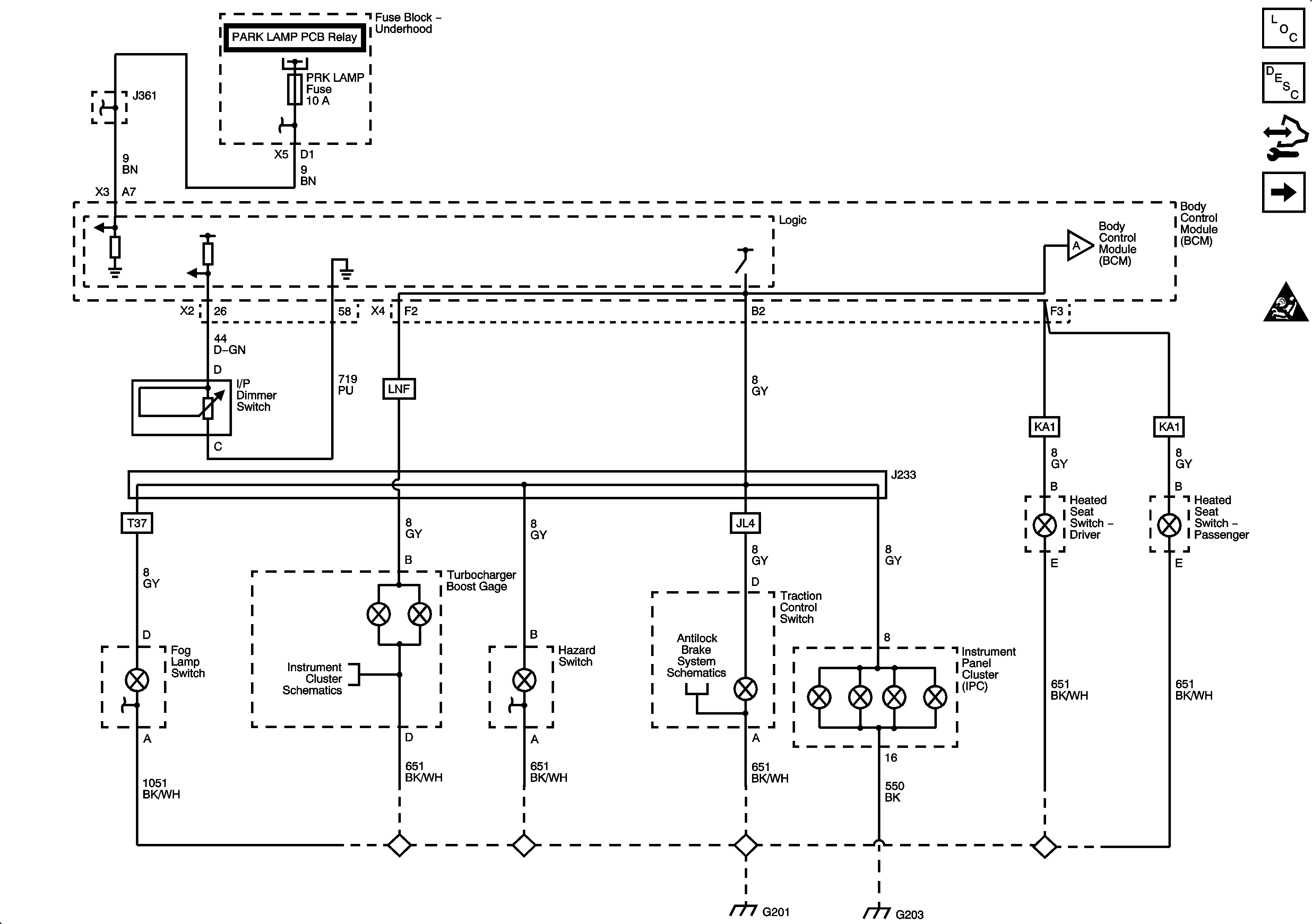
I/P and Seat Lighting
Figure
2:
I/P and Seat Lighting
Master Electrical Component List
Interior Lighting Systems Description and Operation
Control Module References
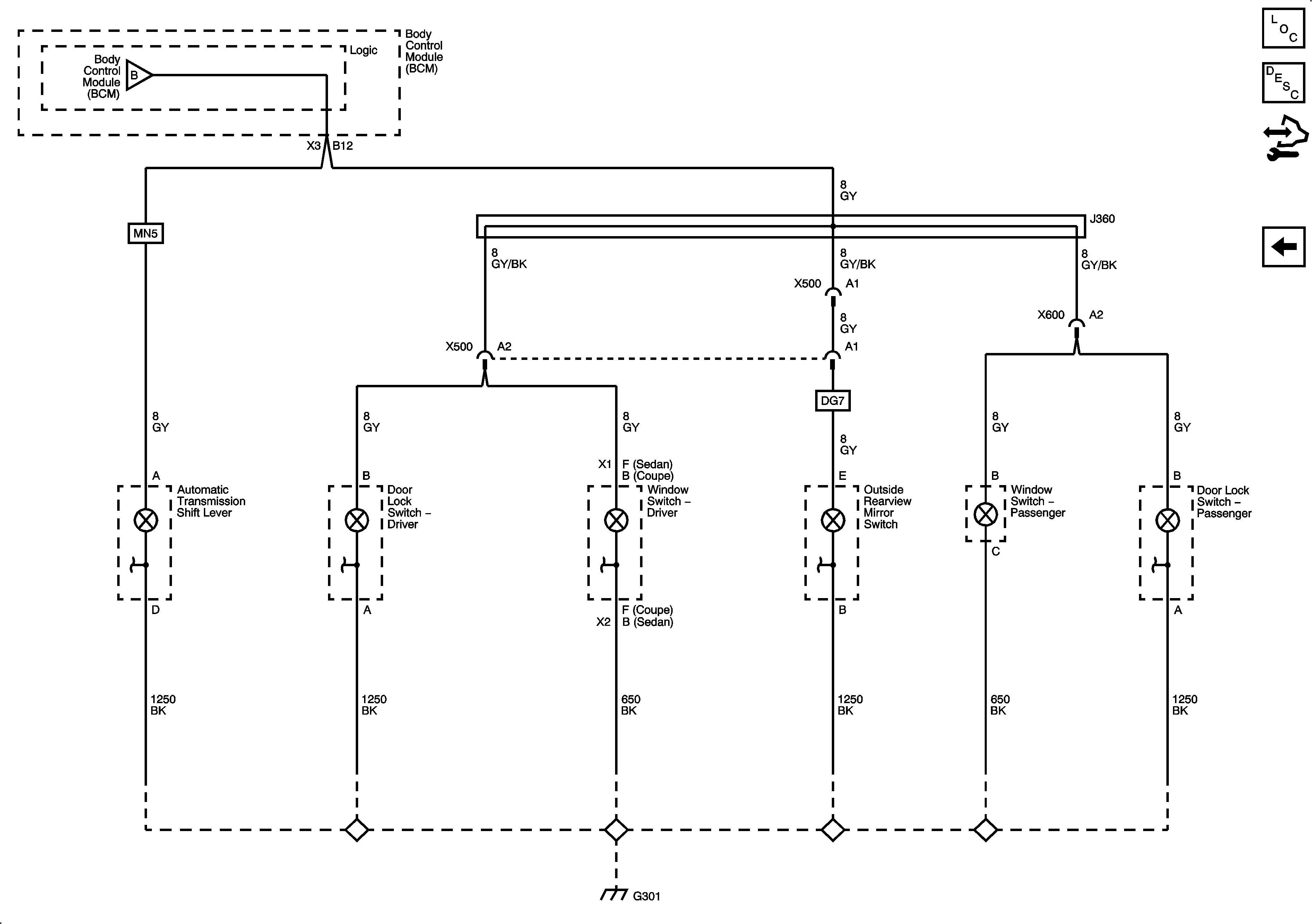
Door and Seat Lighting
Dimmer Switch Inputs
Figure
3:
Door and Console Lighting
Master Electrical Component List
Interior Lighting Systems Description and Operation
Control Module References
I/P and Seat Lighting