GM Service Manual Online
For 1990-2009 cars only
Makes
🢒
Chevrolet
🢒
2008
🢒
Cobalt
🢒
Body Systems
🢒
Vehicle Access
🢒 Release Systems Schematics
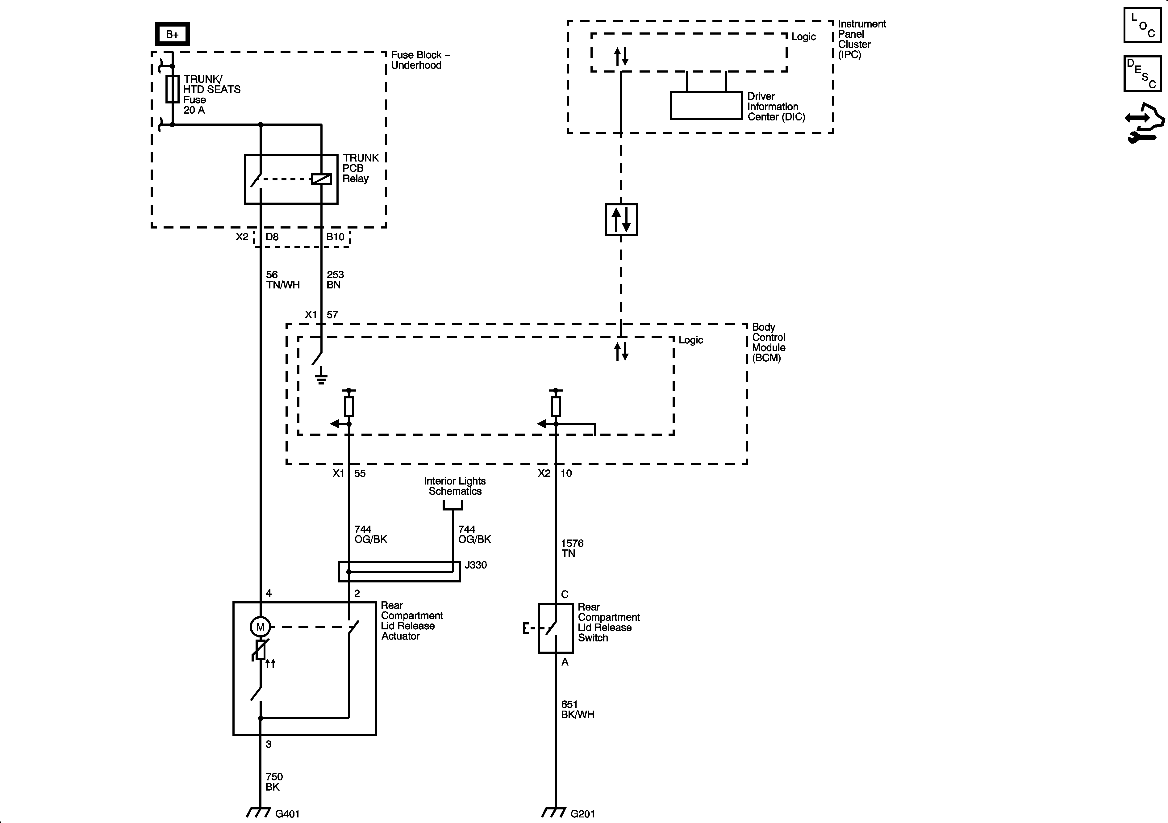
Rear Compartment Lid Release
Master Electrical Component List
Luggage Compartment Description and Operation (Sedan)
Control Module References