GM Service Manual Online
For 1990-2009 cars only

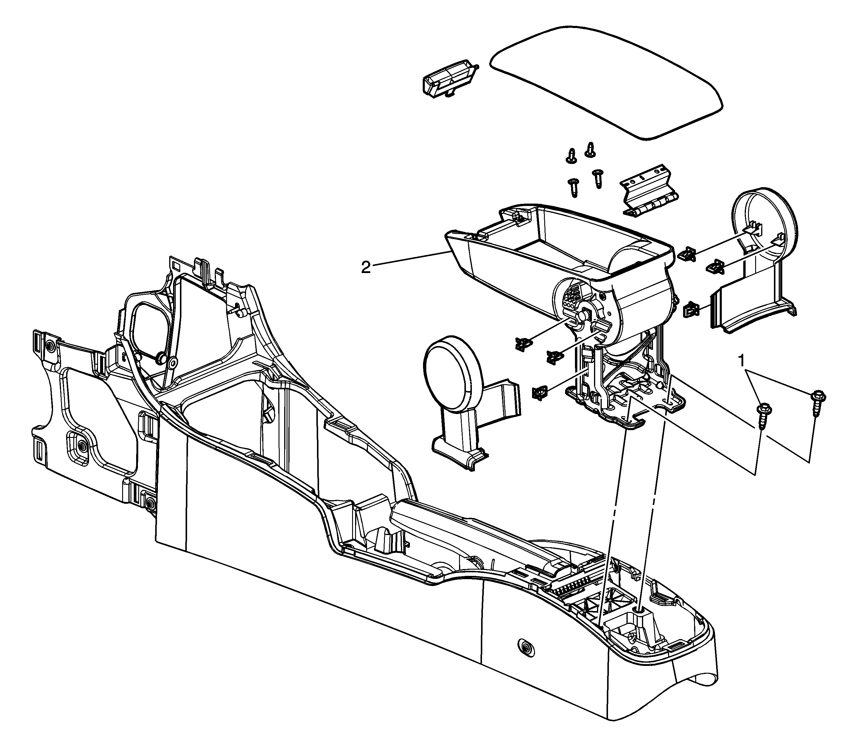
Object Number: 1550828  Size: LF

Callout

Component Name

Preliminary Procedures

Remove the rear cup holder. Refer to Front Floor Console Rear Cup Holder Replacement .

1

Floor Console Armrest Bolt

Notice: Refer to Fastener Notice in the Preface section.

Tighten
9 N·m (80 lb in)

2

Floor Console Armrest