GM Service Manual Online
For 1990-2009 cars only
Figure 1:

B+ Bussing, Underhood Fuse Block B+ Bus


Object Number: 1963528  Size: FS
Master Electrical Component List
Control Module References
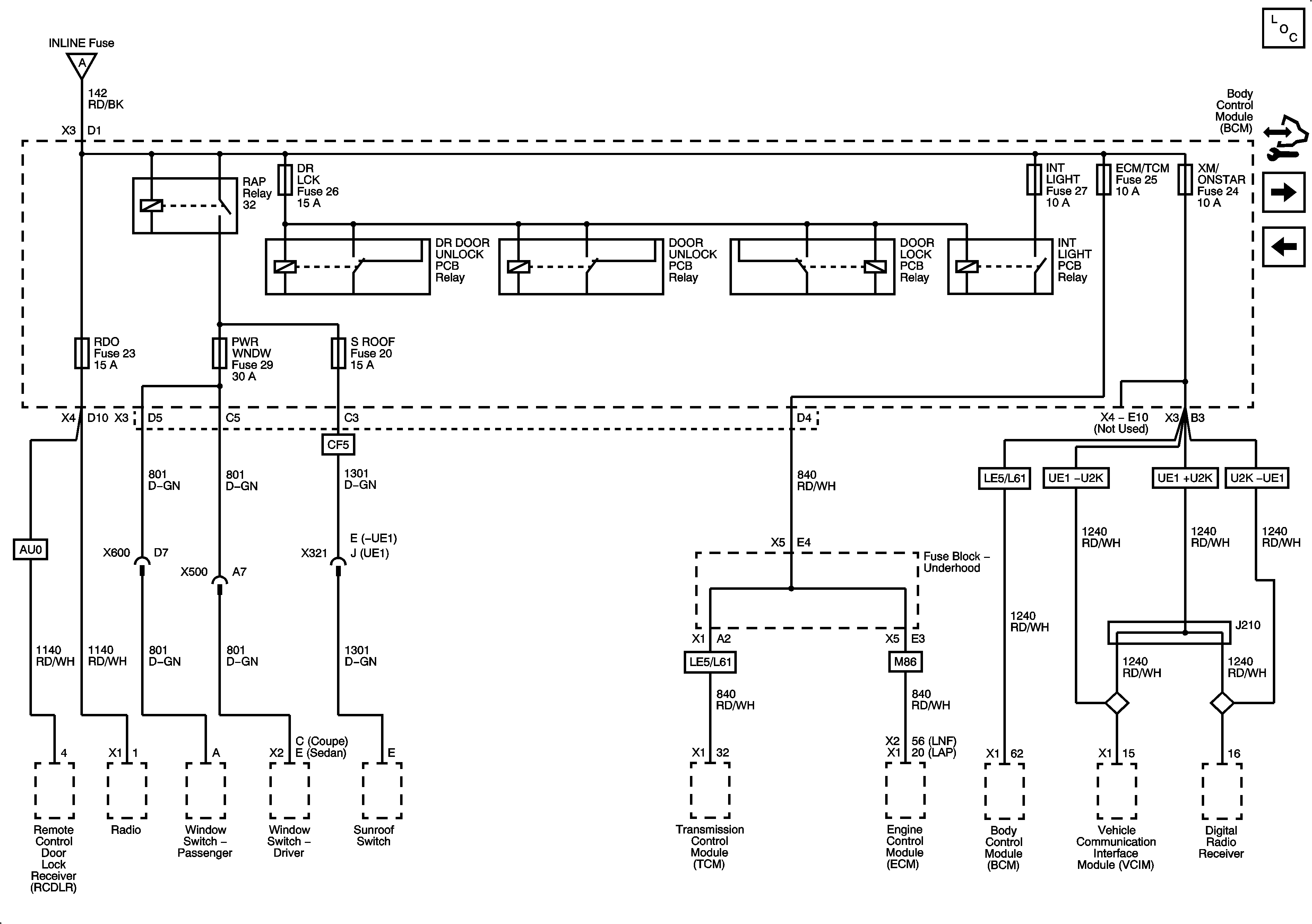
BCM Fuses - DR LCK, ECM/TCM, INT LIGHT, PWR WNDW, RDO, SDM, S ROOF
Figure 2:

BCM Fuses - DR LCK, ECM/TCM, INT LIGHT, PWR WNDW, RDO, SDM, S ROOF


Object Number: 1963534  Size: FS
Master Electrical Component List
Control Module References
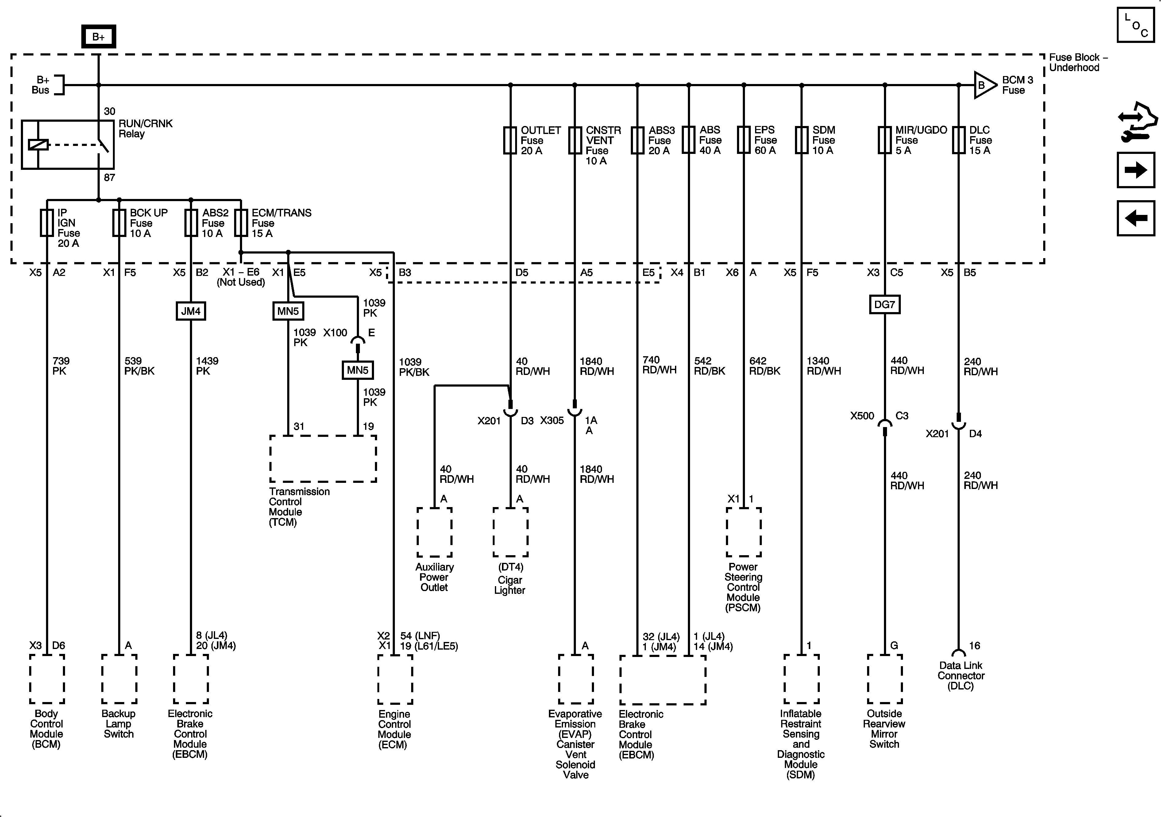
Underhood Fuse Block Fuses - ABS, ABS2, BCK UP, CNSTR VENT, ECM/TRANS, EPS, HTD SEATS, IP IGN, LTR, MIR, PRK/NEUT, S-BAND/ONSTAR, and RUN/CRANK Relay
B+ Bussing, Underhood Fuse Block B+ Bus
Figure 3:

Underhood Fuse Block Fuses - ABS, ABS2, BCK UP, CNSTR VENT, ECM/TRANS, EPS, HTD SEATS, IP IGN, LTR, MIR, PRK/NEUT, S-BAND/ONSTAR, and RUN/CRANK Relay


Object Number: 1963539  Size: FS
Master Electrical Component List
Control Module References
Body Control Module - AUDIO AMPLIFIER Fuse, BCM2 Fuse, CLUSTER Fuse, IGN SW Fuse, STOP LPS Fuse
BCM Fuses - DR LCK, ECM/TCM, INT LIGHT, PWR WNDW, RDO, SDM, S ROOF
Figure 4:

Body Control Module - AUDIO AMPLIFIER Fuse, BCM2 Fuse, CLUSTER Fuse, IGN SW Fuse, STOP LPS Fuse


Object Number: 1963543  Size: FS
Master Electrical Component List
Control Module References
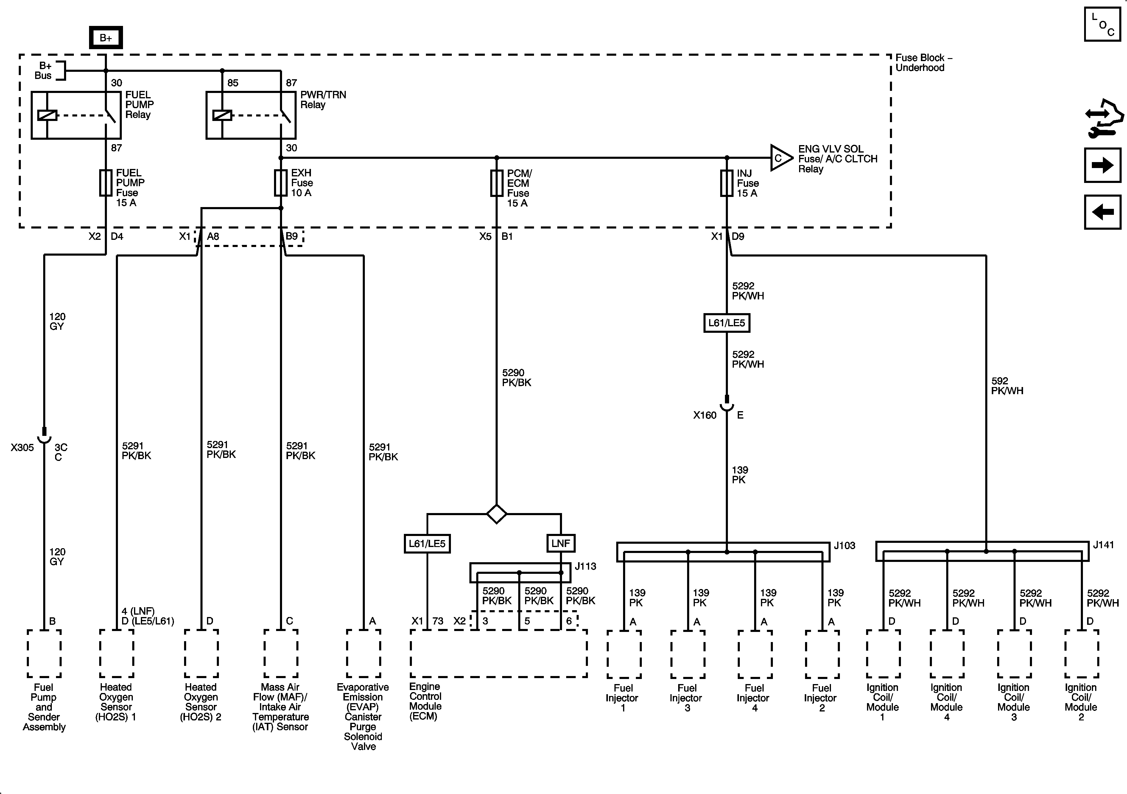
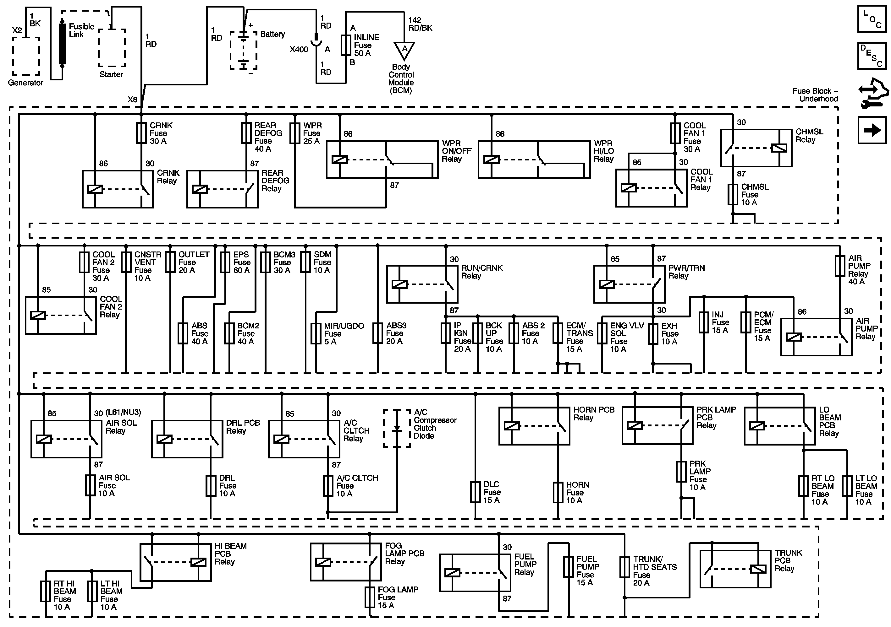
Underhood Fuse Block Fuses - EMISN, FUEL PMP, INJ, PCM/ECM, and FUEL PMP Relay and PWR/TRN Relay
Underhood Fuse Block Fuses - ABS, ABS2, BCK UP, CNSTR VENT, ECM/TRANS, EPS, HTD SEATS, IP IGN, LTR, MIR, PRK/NEUT, S-BAND/ONSTAR, and RUN/CRANK Relay
Figure 5:

Underhood Fuse Block Fuses - EMISN, FUEL PMP, INJ, PCM/ECM, and FUEL PMP Relay and PWR/TRN Relay


Object Number: 1963548  Size: FS
Master Electrical Component List
Control Module References
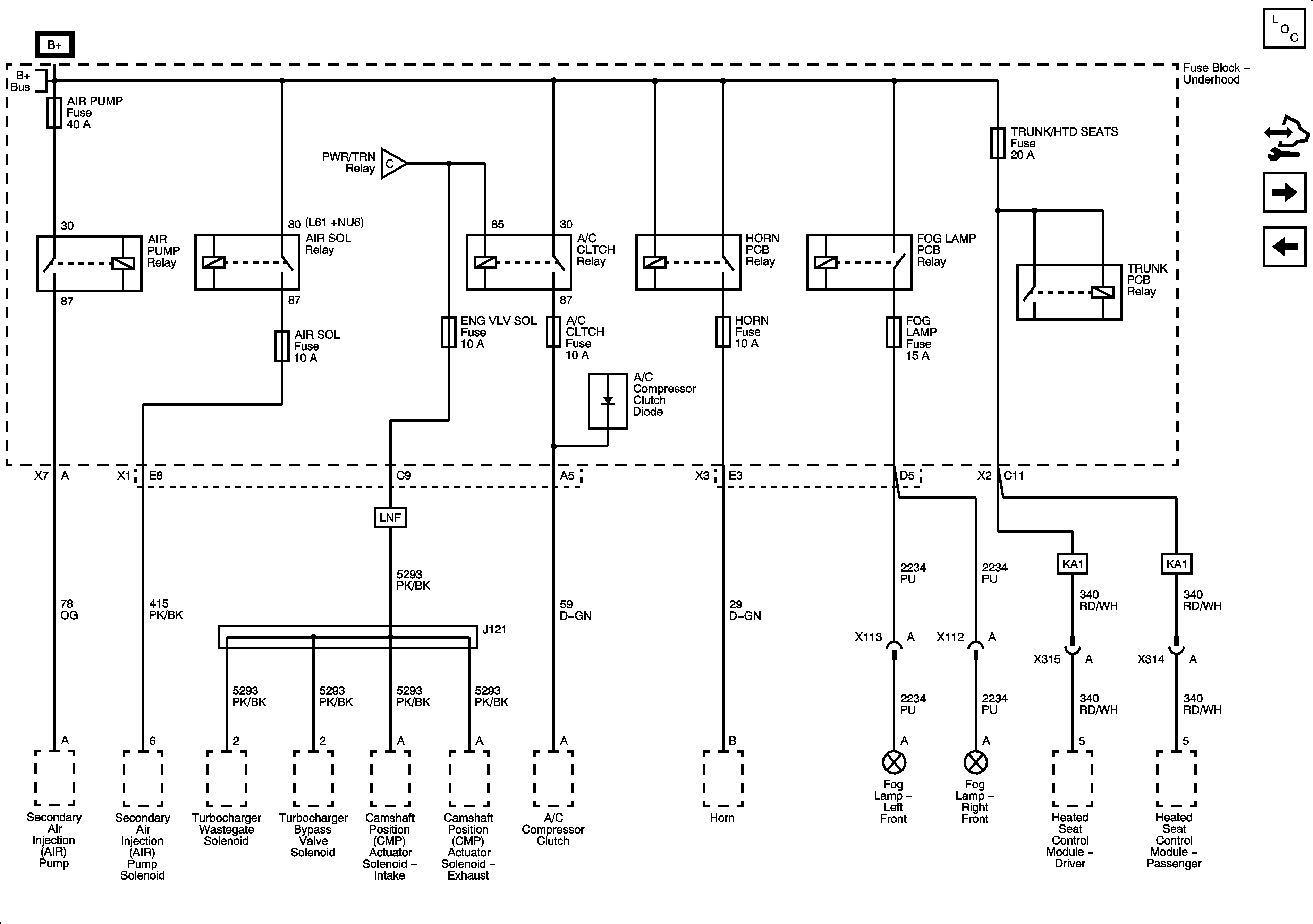
Underhood Fuse Block Fuses - AFTERCOOL, AIR PMP, AIR SOL, FOG LP, HORN, TRUNK/OUTLET
Body Control Module - AUDIO AMPLIFIER Fuse, BCM2 Fuse, CLUSTER Fuse, IGN SW Fuse, STOP LPS Fuse
Figure 6:

Underhood Fuse Block Fuses - AFTERCOOL, AIR PMP, AIR SOL, FOG LP, HORN, TRUNK/OUTLET


Object Number: 1963551  Size: FS
Master Electrical Component List
Control Module References
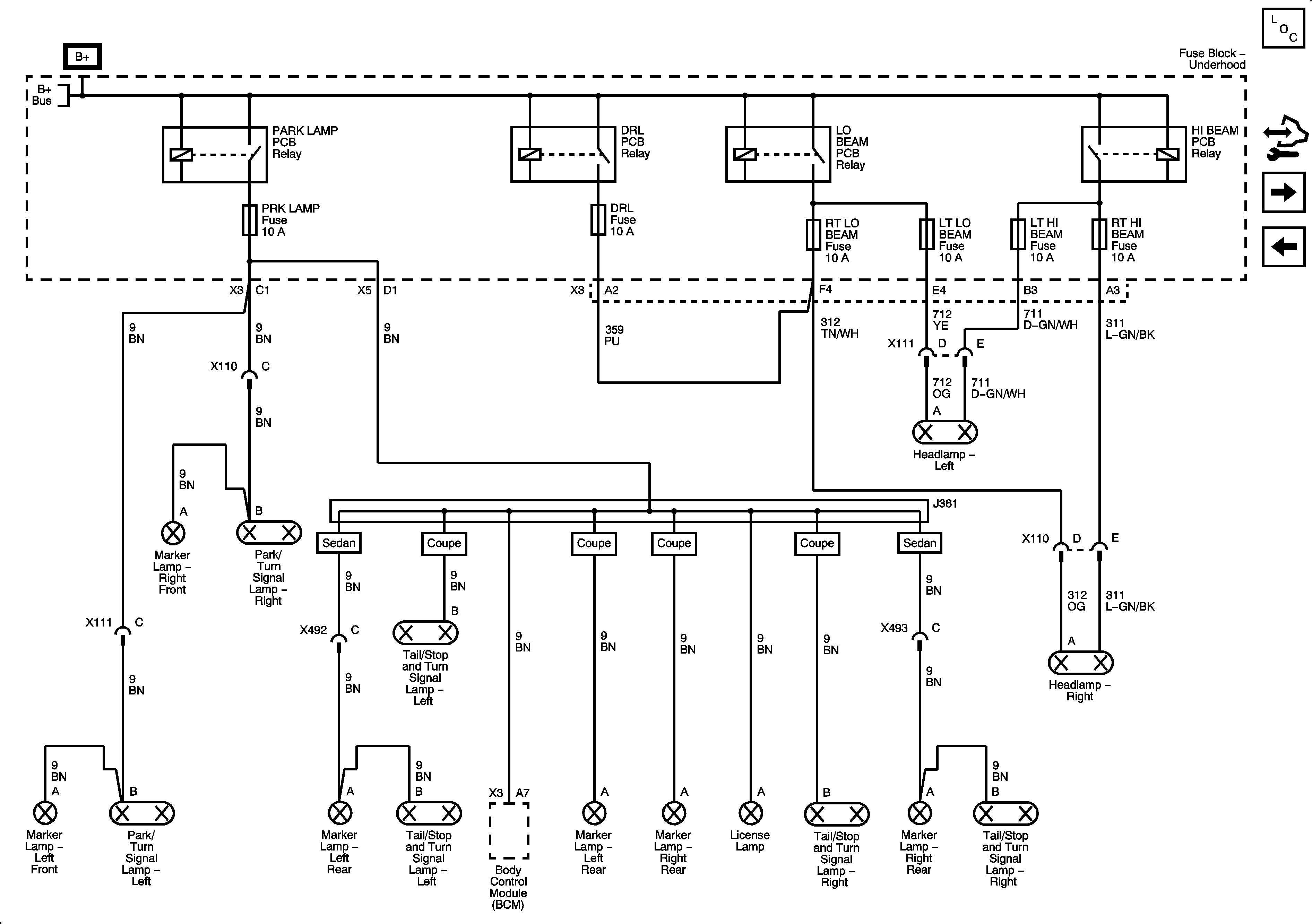
Underhood Fuse Block Fuses - LH HI BEAM, LH LO BEAM, PRK LPS, RH HI BEAM, RH LO BEAM
Underhood Fuse Block Fuses - EMISN, FUEL PMP, INJ, PCM/ECM, and FUEL PMP Relay and PWR/TRN Relay
Figure 7:

Underhood Fuse Block Fuses - LH HI BEAM, LH LO BEAM, PRK LPS, RH HI BEAM, RH LO BEAM


Object Number: 1963556  Size: FS
Master Electrical Component List
Control Module References
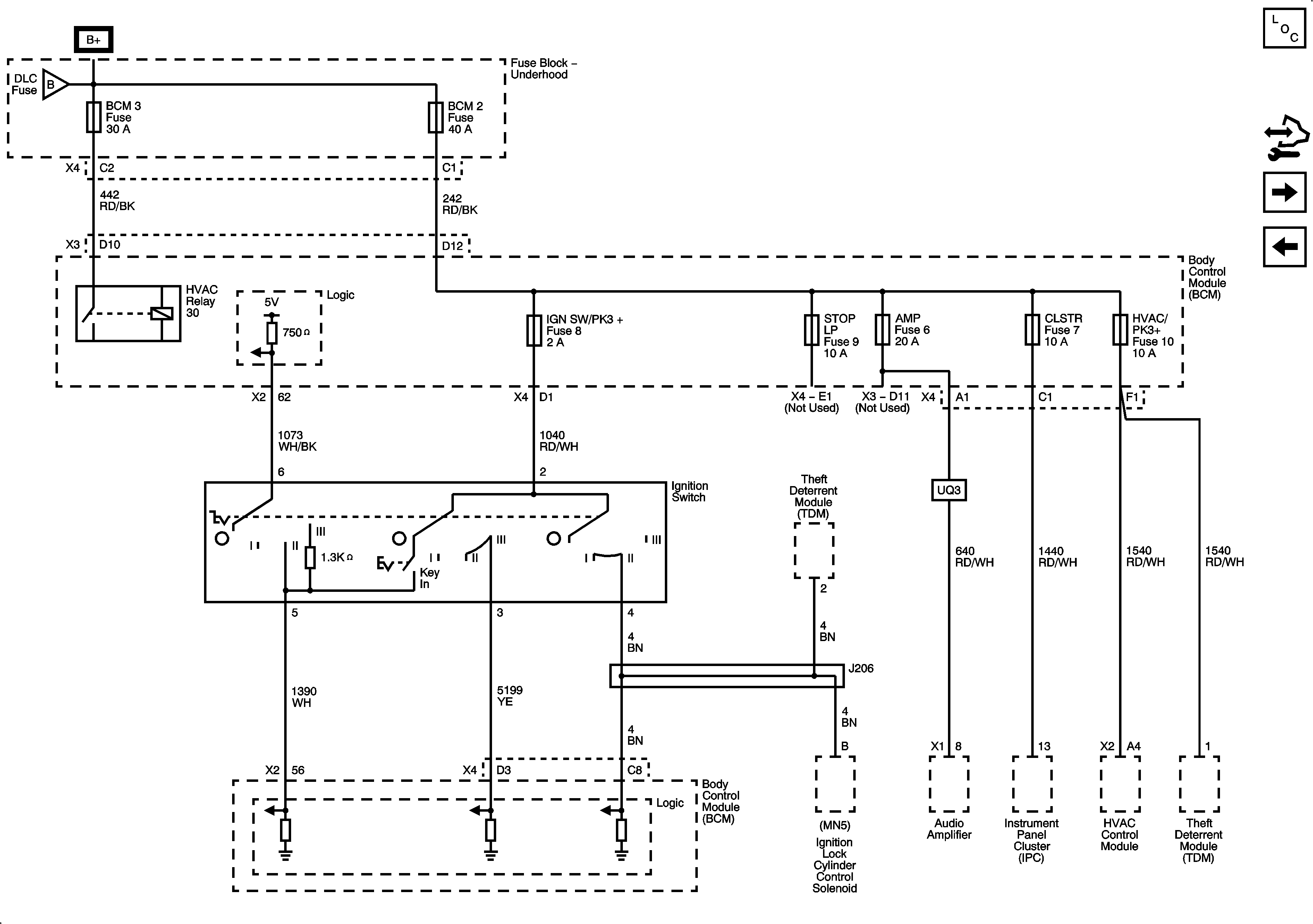
Underhood Fuse Block IP IGN Fuse, Body Control Module Fuses - AIRBAG, EPS/STR WHL CNTRL, HVAC/IP IGN, WPR
Underhood Fuse Block Fuses - AFTERCOOL, AIR PMP, AIR SOL, FOG LP, HORN, TRUNK/OUTLET
Figure 8:

Underhood Fuse Block I/P IGN Fuse, Body Control Module Fuses - AIRBAG, EPS/STR WHL CNTRL, HVAC/IP IGN, WPR


Object Number: 1963564  Size: FS
Master Electrical Component List
Control Module References
Underhood Fuse Block Fuses - LH HI BEAM, LH LO BEAM, PRK LPS, RH HI BEAM, RH LO BEAM