GM Service Manual Online
For 1990-2009 cars only

    Caution: Refer to Fastener Caution in the Preface section.


    Object Number: 412550  Size: SH
  1. Install new exhaust manifold studs and tighten to 10 N·m (89 lb in).

  2. Object Number: 2179170  Size: SH
  3. Install the secondary air injection pipe assembly (1).
  4. Install the secondary air injection pipe assembly bolts (2) and tighten to 10 N·m (89 lb in).

  5. Object Number: 2179169  Size: SH
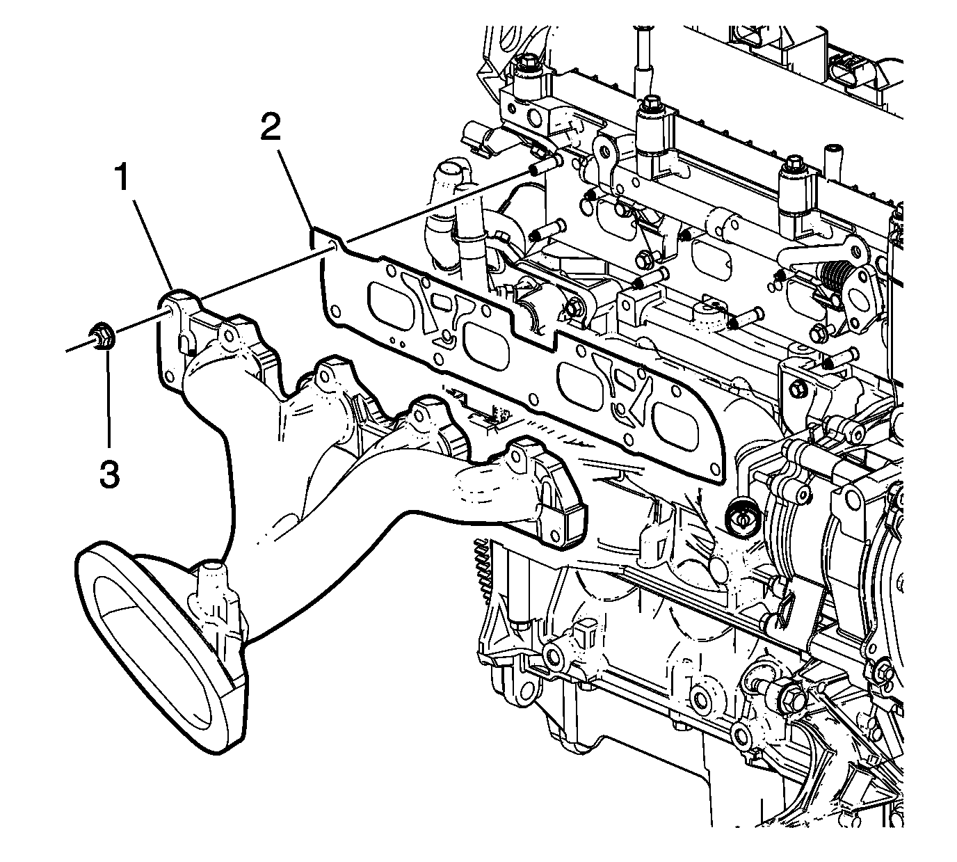
  6. Install the exhaust manifold gasket (2).
  7. Install the exhaust manifold (1) to the cylinder head.
  8. Install NEW exhaust manifold to cylinder head retaining nuts (3) finger tight.

  9. Object Number: 2179168  Size: SH
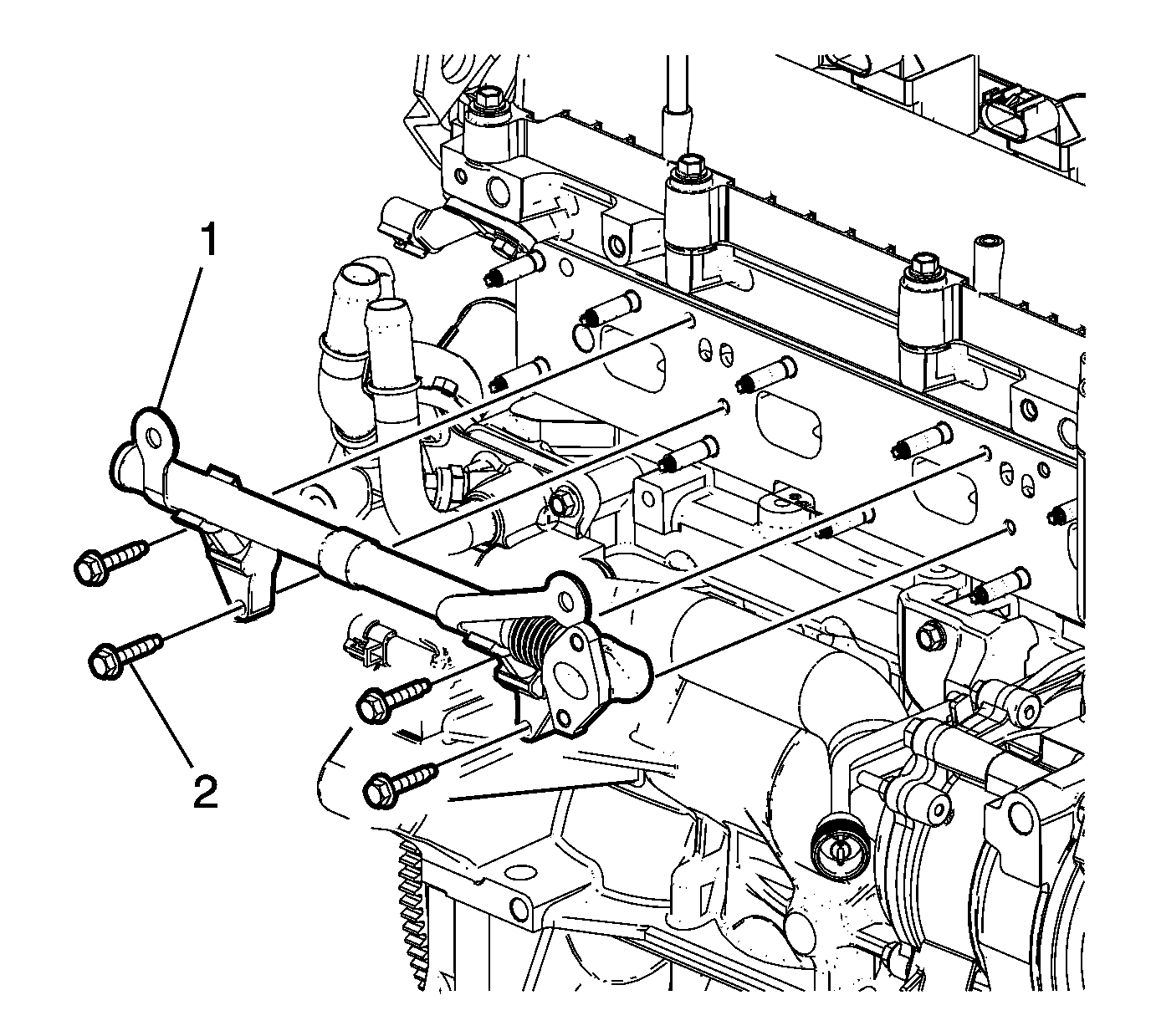
  10. Install the exhaust manifold brace (1) and bolts (2). Tighten the bolts to 58 N·m (43 lb ft).

  11. Object Number: 1340643  Size: SH
  12. Tighten the NEW exhaust manifold to cylinder head retaining nuts two passes in sequence. Tighten the nuts to 14 N·m (124 lb in).

  13. Object Number: 2179167  Size: SH
  14. Coat the threads of the oxygen sensor (1) with antiseize GM P/N 12397953 or equivalent.
  15. Install the oxygen sensor and tighten to 42 N·m (31 lb ft).

  16. Object Number: 825111  Size: SH
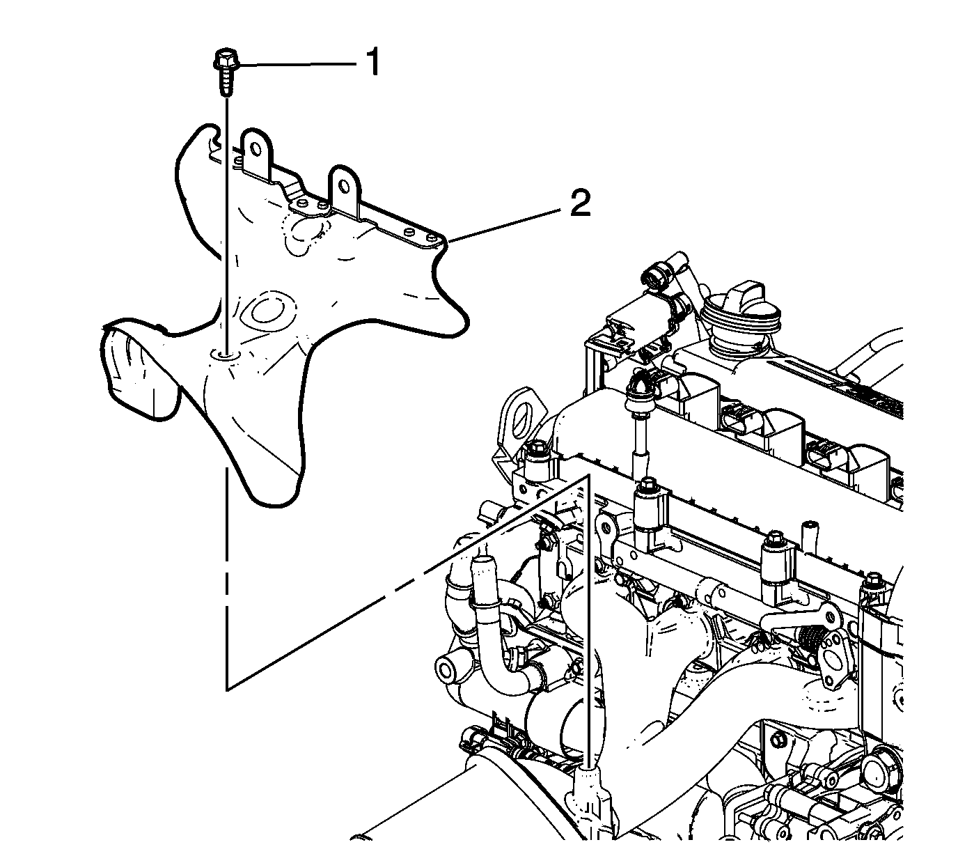
  17. Install the block heater, if equipped. Tighten the block heater to 10 N·m (89 lb in).

  18. Object Number: 2179166  Size: SH
  19. Install the exhaust manifold heat shield (2).
  20. Install the exhaust manifold heat shield bolt (1) and tighten to 25 N·m (18 lb ft).

  21. Object Number: 2179164  Size: SH
  22. Install the secondary air injection studs (3 and 4) and tighten to 10 N·m (89 lb in).
  23. Install the secondary air injection valve assembly (1) with a NEW gasket (2).

  24. Object Number: 2179163  Size: SH
  25. Install the secondary air injection bolts (2) and nuts (1).
  26. 16.1. Tighten the secondary air injection assembly and exhaust manifold heat shield bolts to 22 N·m (16 lb ft)
    16.2. Tighten the secondary air injection assembly to pipe assembly bolts to 10 N·m (89 lb in)
    16.3. Tighten the secondary air injection assembly nuts to 22 N·m (16 lb ft)