GM Service Manual Online
For 1990-2009 cars only
Makes
🢒
Chevrolet
🢒
2009
🢒
Cobalt
🢒
Power and Signal Distribution
🢒
Data Communications
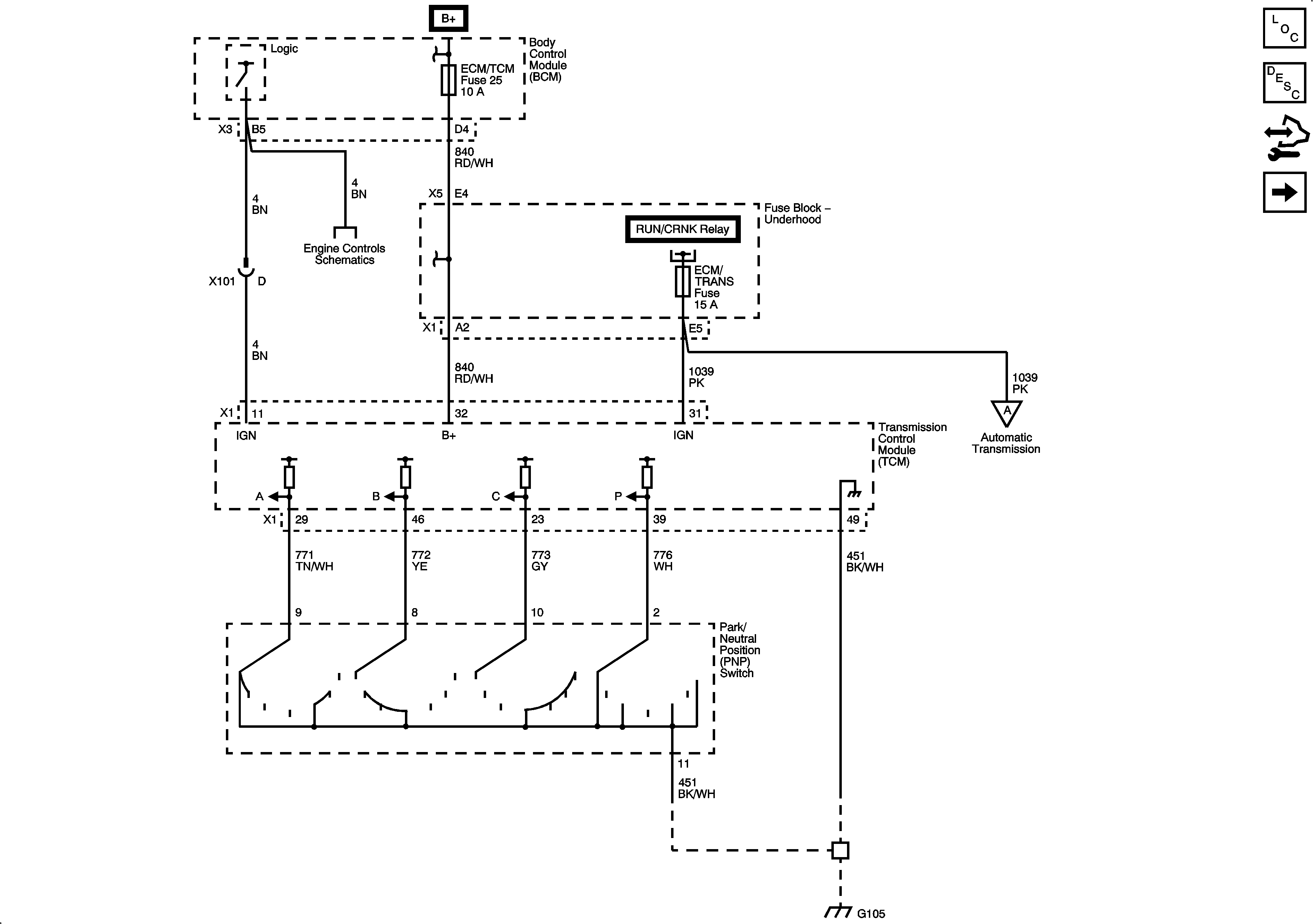
🢒 Automatic Transmission Controls Schematics
Figure
1:
Power, Ground, PNP Switch
Figure
2:
Solenoids, VSS
Figure
3:
Switches, TFT, ISS, Sensors