GM Service Manual Online
For 1990-2009 cars only
Makes
🢒
Chevrolet
🢒
2009
🢒
Cobalt
🢒
HVAC
🢒
HVAC - Manual
🢒 HVAC Schematics
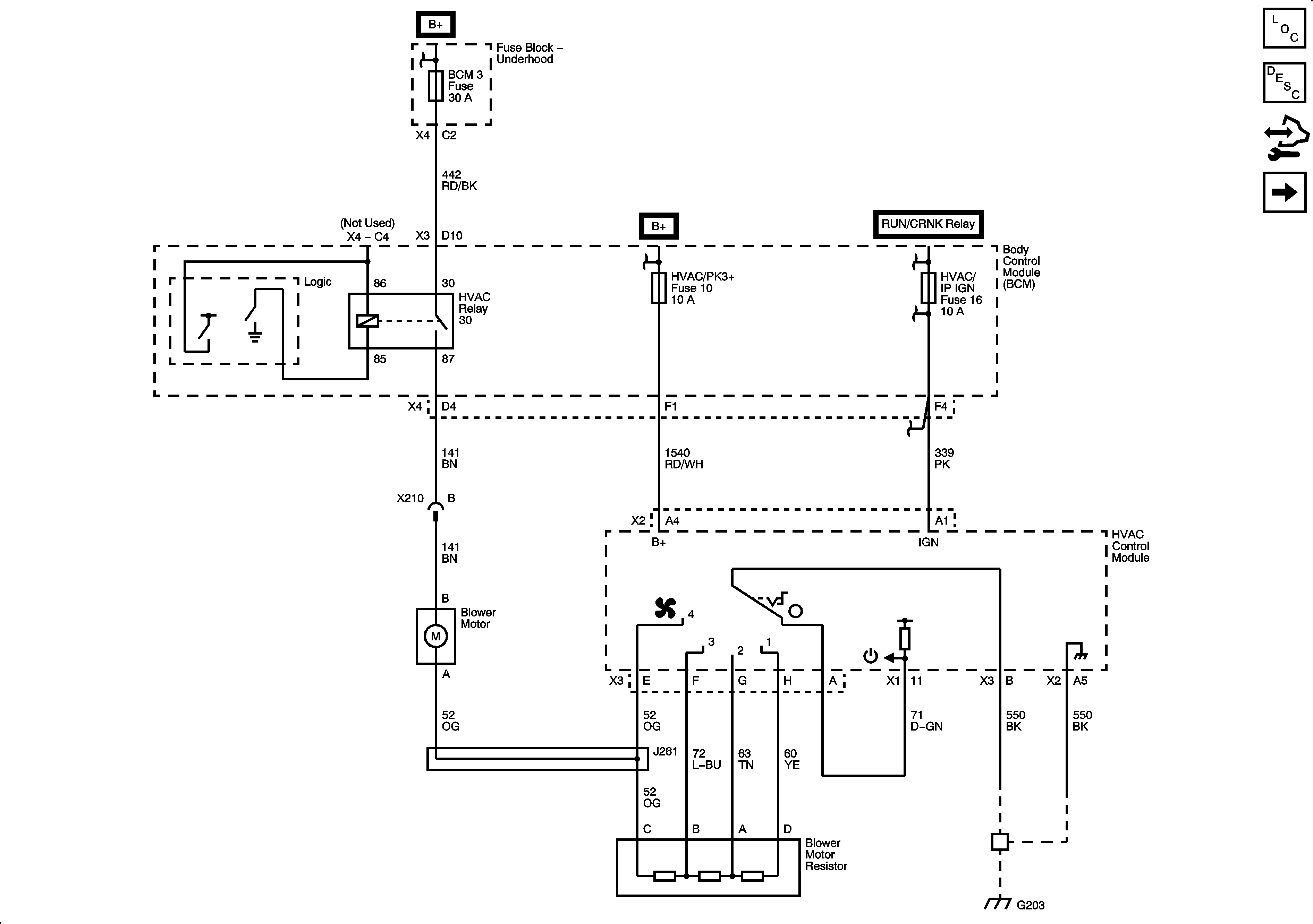
Figure
1:
Power, Ground, Blower Motor
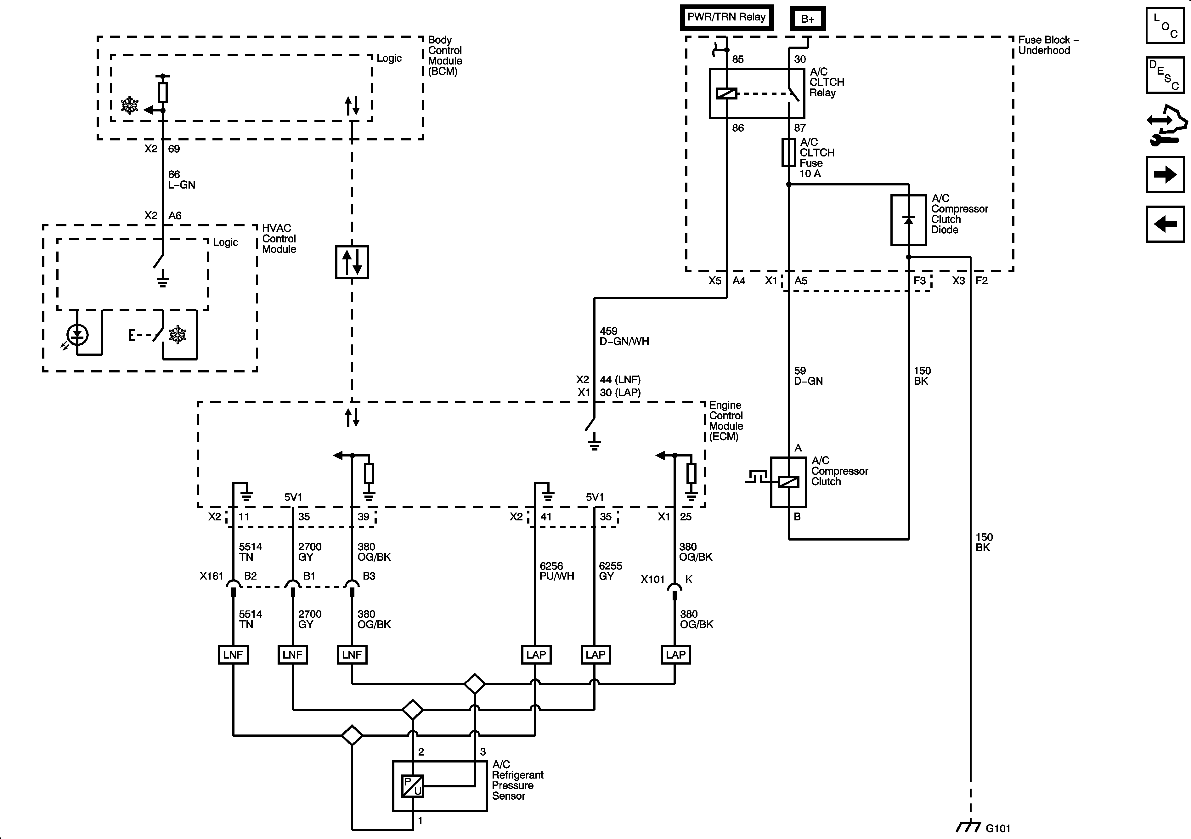
Figure
2:
Compressor Controls
Figure
3:
Mode and Air Temperature Controls