GM Service Manual Online
For 1990-2009 cars only
Makes
🢒
Chevrolet
🢒
2009
🢒
Cobalt
🢒
Safety and Security
🢒
Immobilizer
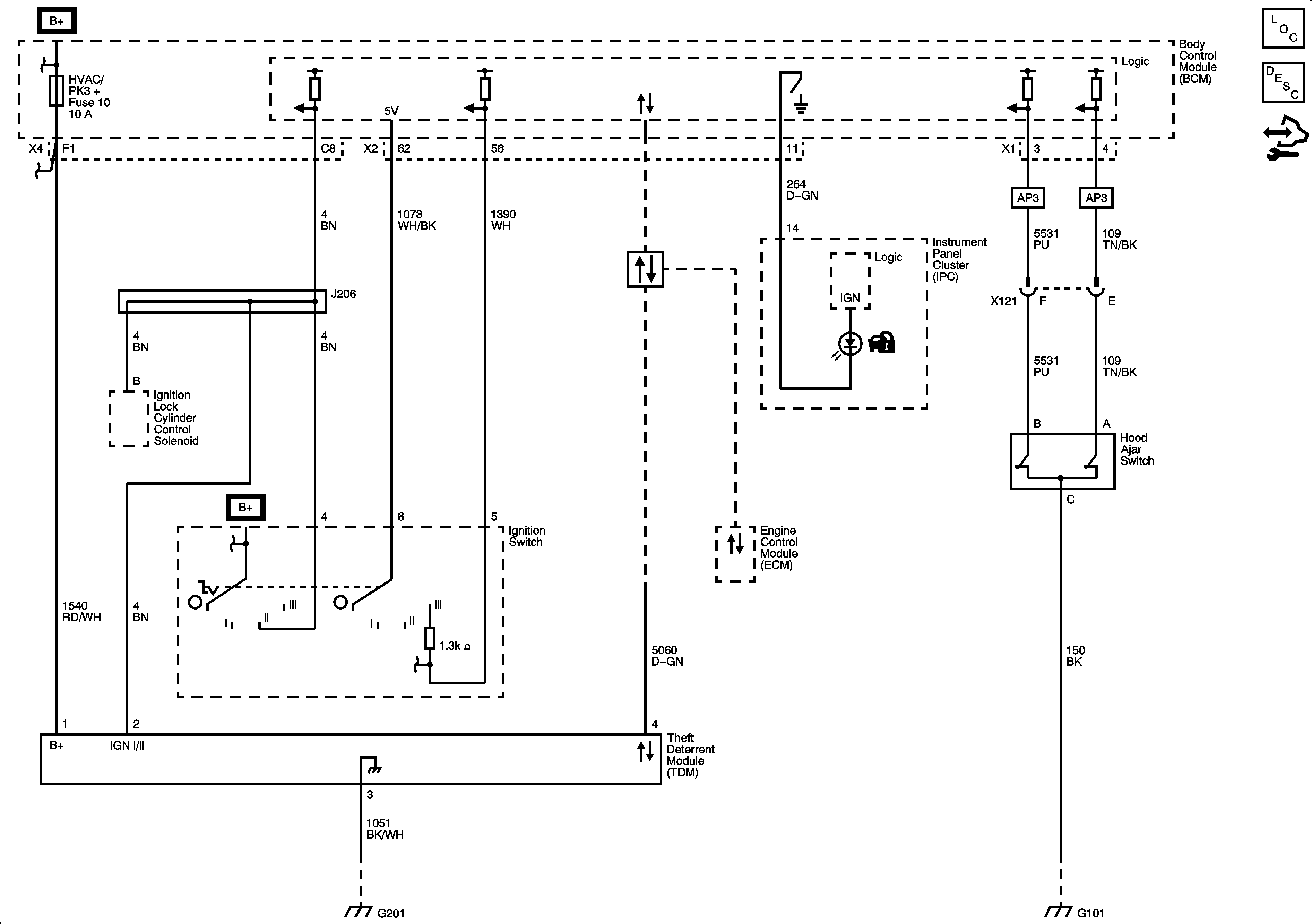
🢒 Immobilizer Schematics