GM Service Manual Online
For 1990-2009 cars only

Tools Required

    • J 38185 Hose Clamp Pliers
    • J 44220 Engine Lift Bracket

Removal Procedure


    Object Number: 1313590  Size: SH
  1. Remove the hood. Refer to Hood Replacement .
  2. Remove the battery box. Refer to Battery Box Replacement .
  3. Drain the engine coolant. Refer to Cooling System Draining and Filling .
  4. Remove the outlet radiator hose. Radiator Outlet Hose Replacement .
  5. Remove the cooling fan. Refer to Fan Replacement .
  6. Remove the air cleaner assembly. Refer to Air Cleaner Assembly Replacement for the 3.5L (L52) engine.
  7. Remove the air cleaner resonator and outlet duct. Refer to Air Cleaner Resonator and Outlet Duct Replacement for the 3.5L (L52) engine.
  8. Remove the generator. Refer to Generator Replacement .
  9. Reinstall the engine lift bracket. Refer to Engine Lift Bracket Replacement .

  10. Object Number: 1207743  Size: SH
  11. Position the J 38185 to the clamp (3) in order to remove the radiator inlet hose (2) from the water outlet housing (4).
  12. Remove the washer solvent container/coolant recovery reservoir mounting bolts ONLY, in order to gain clearance to remove the engine wiring harness. Refer to Windshield Washer Solvent Container Replacement .

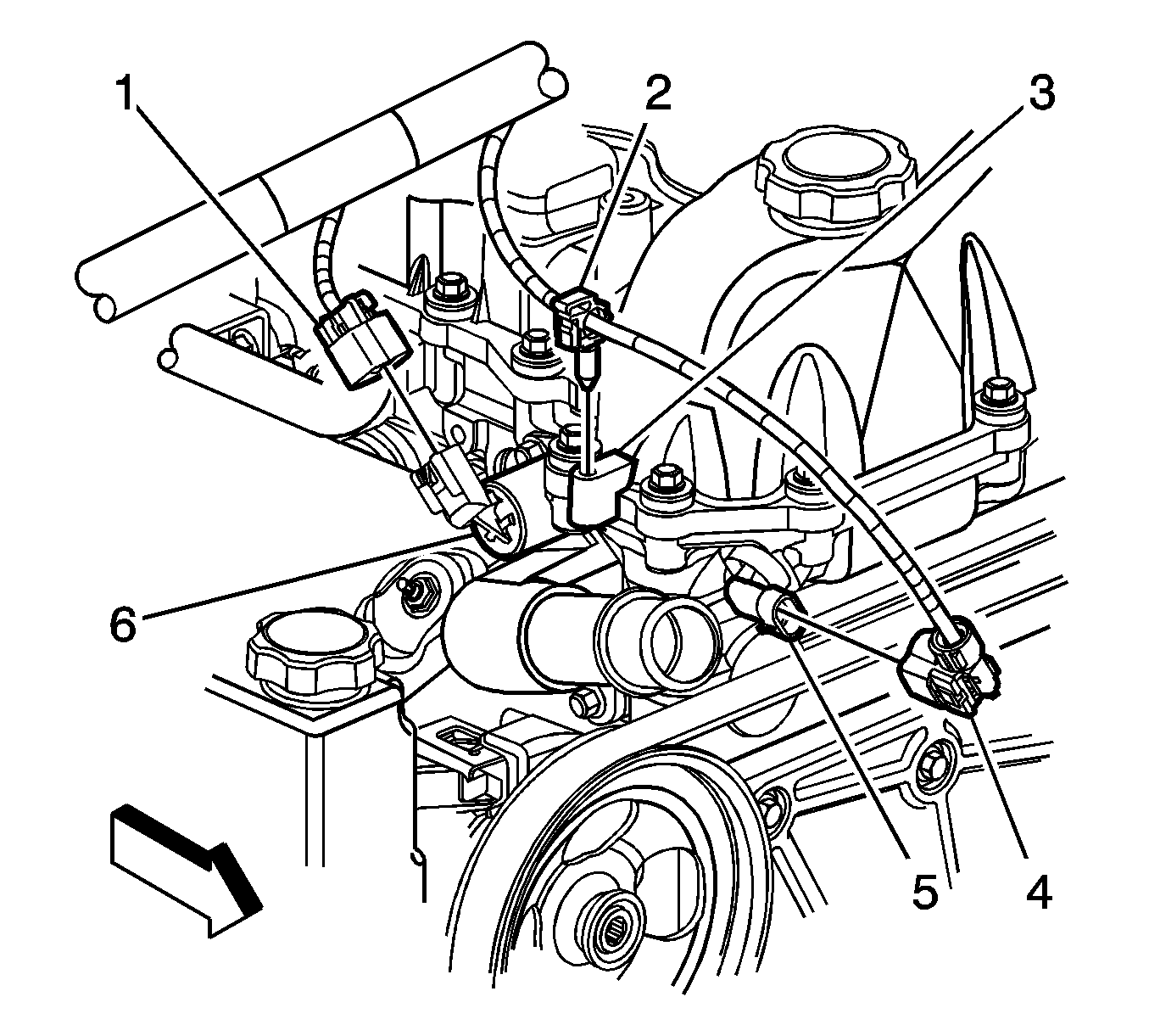
  13. Object Number: 1350711  Size: SH
  14. Disconnect the 2 engine wiring harness connectors (2) from the powertrain control module (PCM) (3).
  15. Disconnect the engine wiring harness retainers (1) from the wheelhouse (4).
  16. Open the engine wiring harness retainer (5).

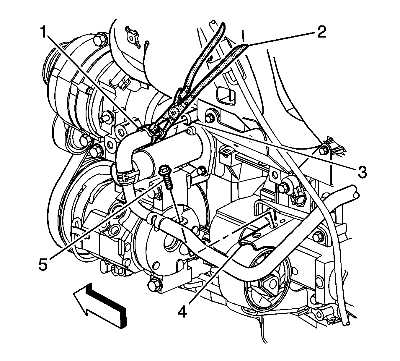
  17. Object Number: 1350723  Size: SH
  18. Disconnect the engine wiring harness retainers (1) from the power steering pump (2).
  19. Disconnect the engine wiring harness connectors from the following components:
  20. • The electric motor actuator connector (4WD only)
    • The oil pressure switch

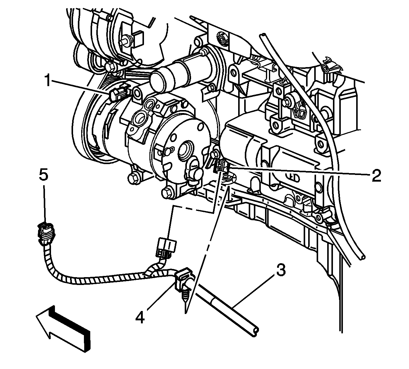
    Object Number: 1350714  Size: SH
  21. Disconnect the engine wiring harness retainer (2) from the camshaft cover (3).
  22. Disconnect the engine wiring harness connectors from the following components:
  23. • The exhaust camshaft position (CMP) sensor (5)
    • The exhaust camshaft actuator (6)

    Object Number: 1350694  Size: SH
  24. Disconnect the engine wiring harness connectors from the following components:
  25. • The engine coolant temperature (ECT) sensor (1)
    • The fuel injector harness (2)
    • The ignition coils (4)
    • The heated oxygen sensor (HO2S) (5)

    Object Number: 1350717  Size: SH
  26. Disconnect the engine wiring harness retainer (3) from the camshaft cover (4).
  27. Disconnect the engine wiring harness connector (2) from the throttle body (1).

  28. Object Number: 1350719  Size: SH
  29. Disconnect the engine wiring harness connector from the intake CMP sensor.

  30. Object Number: 1350728  Size: SH
  31. Carefully disengage the engine wiring harness conduit from the camshaft cover.
  32. Remove the transmission filler tube (M30 only). Refer to Transmission Fluid Filler Tube and Seal Replacement for the 4L60-E/4L65-E automatic transmission.
  33. Drain the engine oil, if necessary. Refer to Engine Oil and Oil Filter Replacement .

  34. Object Number: 858290  Size: SH
  35. Remove the studs securing the secondary air injection (AIR) pipe cover to the cylinder head.
  36. Remove the AIR pipe cover and gasket.

    Discard the gasket.


    Object Number: 1350731  Size: SH
  37. Install the J 44220 in place of the AIR adapter.

  38. Object Number: 1350735  Size: SH
  39. Disconnect the inlet heater hose quick connect (1) from the heater core (2), and secure to the engine.

  40. Object Number: 1201379  Size: SH
  41. Remove the power steering pump mounting bolts ONLY, and position aside.

  42. Object Number: 1201503  Size: SH
  43. Remove the right engine mount-to-frame bracket bolt.

  44. Object Number: 1350691  Size: SH
  45. Disconnect the engine wiring harness retainer (1) from the intake manifold (2).
  46. Position the engine wiring harness aside.
  47. Disconnect the fuel feed and return pipes from the fuel rail. Refer to Metal Collar Quick Connect Fitting Service for the 3.5L (L52) engine.
  48. Disconnect the evaporative emission EVAP pipe at the intake manifold. Refer to Plastic Collar Quick Connect Fitting Service for the 3.5L (L52) engine.
  49. Remove the oil level indicator and tube. Refer to Oil Level Indicator and Tube Replacement .

  50. Object Number: 1350689  Size: SH
  51. Disconnect the brake booster hose (6) from the brake booster.
  52. Remove the manifold absolute pressure (MAP) sensor. Refer to Manifold Absolute Pressure Sensor Replacement for the 3.5L (L52) engine.
  53. Disconnect the MAP sensor wiring harness retainer (4) from the intake manifold (5).
  54. Raise and support the vehicle only high enough to access the wiring harnesses through the wheelhouse. Refer to Lifting and Jacking the Vehicle .

  55. Object Number: 1350692  Size: SH
  56. Disconnect the following wiring harness retainers from the engine wiring harness bracket:
  57. • The battery cable
    • The engine (4, 6)
    • The MAP sensor (5)

    Object Number: 1313639  Size: SH
  58. Remove the starter solenoid "S" terminal nut (3) and disconnect the lead (4) from the starter.
  59. Remove the starter terminal nut (1) and disconnect the battery positive cable (2) from the starter.

  60. Object Number: 1313636  Size: SH
  61. Remove the bolt (4) securing the battery negative cable (5) to the engine block (1).

  62. Object Number: 1352021  Size: SH
  63. Disconnect the engine wiring harness connector from the evaporative emission (EVAP) canister purge solenoid valve.

  64. Object Number: 1352023  Size: SH
  65. Disconnect the engine wiring harness connector (3) from the # 2 knock sensor (KS) (1).
  66. Disconnect the coolant heater cord from the coolant heater, if equipped.

  67. Object Number: 1352025  Size: SH
  68. Disconnect the engine wiring harness connector from the # 1 KS (2).
  69. Disconnect the engine wiring harness retainer (4) from the engine oil pan rail.

  70. Object Number: 1350742  Size: SH
  71. Remove the bolt (5) securing the heater outlet hose/pipe to the left engine mount (4).
  72. Position the J 38185  (2) to the clamp (1) in order to remove the heater outlet hose from the heater outlet hose fitting (3).

  73. Object Number: 1350744  Size: SH
  74. Disconnect the engine wiring harness connector (3) from the crankshaft position (CKP) sensor (1).
  75. Raise the vehicle completely. Refer to Lifting and Jacking the Vehicle .
  76. Remove the 3 bolts securing the engine wiring ground leads (2) to the engine block.
  77. Disconnect the engine wiring harness retainer (5) from the engine oil pan rail.
  78. Position the engine wiring harness aside.

  79. Object Number: 1201502  Size: SH
  80. Remove the left engine mount-to-frame bracket bolt.

  81. Object Number: 1302111  Size: SH
  82. Remove the nuts securing the fuel hose/pipe brackets to the transmission (MA5 only).

  83. Object Number: 1350750  Size: SH
  84. Remove the nuts (2) securing the fuel hose/pipe bracket (1) to the transmission (M30 only).
  85. Disconnect the fuel hose/pipe retainer (4) from the range selector cable bracket (3), and position aside the fuel hose/pipe bundle (M30 only).
  86. Remove the applicable components in order to gain clearance to remove the engine:
  87. • RWD
    • Remove the crossmember. Refer to Crossmember Replacement .
    • 4WD
        1. Remove the front propeller shaft. Refer to Front Propeller Shaft Replacement .

    Object Number: 1339814  Size: SH
        2. Remove the differential carrier assembly bushing to frame bolts ONLY.
        3. Position the differential carrier assembly forward.
        4. Secure the pinion yoke, in order to prevent the differential carrier from rotating.
  88. Remove the exhaust seal. Refer to Exhaust Seal Replacement .

  89. Object Number: 1350748  Size: SH
  90. Remove the bolt (2) securing the transmission oil cooler pipe bracket to the right side of the engine oil pan rail (M30 only).

  91. Object Number: 1350754  Size: SH
  92. Remove the inspection plug (3) from the transmission (1) (M30 only).
  93. Mark the torque converter to flexplate/flywheel orientation to ensure proper realignment (M30 only).

  94. Object Number: 1302113  Size: SH
  95. Remove the service slot plug.
  96. Repeat the following steps for all 3 torque converter bolts (M30 only):
  97. 66.1. Rotate the harmonic balancer center bolt clockwise ONLY, in order to access the torque converter bolt through the service slot.
    66.2. Remove the torque converter bolt using one of the following:
       • 18 mm crowfoot wrench
       • Short T50 TORX bit

    Object Number: 1302117  Size: SH
  98. Remove the 9 transmission mounting bolts.

  99. Object Number: 1302115  Size: SH
  100. Remove the remaining transmission mounting bolts (2).
  101. Lower the vehicle.
  102. Place a jack under the transmission for support.

  103. Object Number: 1350755  Size: SH
  104. Install an engine lift chain to the engine lift brackets and attach to an engine lift devise.
  105. Using the engine lift devise, raise the engine only enough to remove the engine mounts.
  106. Remove the bolts securing the following to the engine block:
  107. • The left engine mount
    • The right engine mount
  108. Position the engine mounts away from the engine.
  109. Important: Ensure clearance is maintained between the engine and the following:

       • The A/C compressor
       • The A/C hoses
       • The engine mounts
       • The engine wiring harness
       • The fuel hose/pipes
       • The heater outlet hose/pipe
       • The power steering pump
       • The radiator
       • The transmission input shaft (MA5 only)
       • The transmission oil cooler pipes (M30 only)

  110. Carefully raise the engine from the engine compartment, ensuring the transmission stays supported.
  111. If equipped with an automatic transmission, remove the automatic transmission flywheel locator. Refer to Automatic Transmission Flywheel Locator Removal .
  112. Install the engine to an engine stand.
  113. Remove the engine lift chain from the engine lift brackets.

Installation Procedure

  1. Install an engine lift chain to the engine lift brackets and attach to an engine lift devise.
  2. Remove the engine from the engine stand.
  3. If equipped with an automatic transmission, install the automatic transmission flywheel locator. Refer to Automatic Transmission Flywheel Locator Installation .
  4. Ensure the torque converter is fully engaged with the transmission oil pump (M30 only).

  5. Object Number: 1350755  Size: SH

    Important: Ensure clearance is maintained between the engine and the following:

       • The A/C compressor
       • The A/C hoses
       • The engine mounts
       • The engine wiring harness
       • The fuel hose/pipes
       • The heater outlet hose/pipe
       • The power steering pump
       • The radiator
       • The transmission input shaft (MA5 only)
       • The transmission oil cooler pipes (M30 only)

  6. Carefully lower the engine into the engine compartment, aligning the engine dowels with the transmission.

  7. Object Number: 1302115  Size: SH

    Important: Ensure the torque converter turns freely while tightening the transmission mounting bolts (M30 only).

  8. Align the engine dowels (1) with the transmission.
  9. Loosely install the 2 transmission mounting bolts (2).
  10. Ensure the dowels (1) are fully engaged into the transmission.

  11. Remove the jack from under the vehicle.
  12. Position the engine mounts to the engine.

  13. Object Number: 1201374  Size: SH
  14. Install the bolts securing the right engine mount to the engine block.
  15. The engine lift devise may have to be raised or lowered slightly to install these bolts.

    Notice: Refer to Fastener Notice in the Preface section.


    Object Number: 1273485  Size: SH
  16. To aid in the installation of the bolts, start bolt in this position (1) first.
  17. Tighten
    Tighten the engine mount bolts to 50 N·m (37 lb ft).


    Object Number: 1201372  Size: SH
  18. Install the bolts securing the left engine mount to the engine block.
  19. The engine lift devise may have to be raised or lowered slightly to install these bolts.


    Object Number: 1273486  Size: SH
  20. To aid in the installation of the bolts, start bolt in this position (1) first.
  21. Tighten
    Tighten the engine mount bolts to 50 N·m (37 lb ft).

  22. Lower the engine fully on to the engine mounts.
  23. Remove the engine lift chain from the engine lift brackets.
  24. Raise and support the vehicle. Refer to Lifting and Jacking the Vehicle .

  25. Object Number: 1302115  Size: SH
  26. Tighten the 2 transmission mounting bolts (2) previously installed.
  27. Tighten
    Tighten the transmission mounting bolts to 50 N·m (37 lb ft).


    Object Number: 1302117  Size: SH

    Important: 

       • Ensure the studded mounting bolts (2) are located in the correct position.
       • The heater pipe (1) must be secured with the 2 upper mounting bolts.

  28. Install the remaining transmission mounting bolts.
  29. Tighten
    Tighten the transmission mounting bolts to 50 N·m (37 lb ft).

  30. Align the torque converter to flexplate/flywheel orientation marks made during the removal procedure (M30 only).
  31. Repeat the following steps for all 3 torque converter bolts (M30 only):
  32. 20.1. Rotate the harmonic balancer center bolt clockwise ONLY, in order to access the torque converter bolt holes in the flexplate/flywheel through the service slot.
    20.2. To aid in alignment of the torque converter to the flexplate/flywheel, install all 3 torque converter bolts before fully tightening using one of the following:
       • 18 mm crowfoot wrench
       • Short T50 TORX bit

    Tighten
    Tighten the torque converter bolts to 60 N·m (44 lb ft).


    Object Number: 1350754  Size: SH
  33. Install the inspection plug (3) to the transmission (1) (M30 only).

  34. Object Number: 1350748  Size: SH
  35. Install the bolt (2) securing the transmission oil cooler pipe bracket to the right side of the engine oil pan rail (M30 only).
  36. Tighten
    Tighten the transmission oil cooler pipe bracket bolt to 20 N·m (15 lb ft).

  37. Install the exhaust seal. Refer to Exhaust Seal Replacement .

  38. Object Number: 1302113  Size: SH
  39. Install the service slot plug.
  40. Install the applicable components:
  41. • RWD
    • Install the crossmember. Refer to Crossmember Replacement .
    • 4WD
        1. Position the differential carrier assembly to the frame.

    Object Number: 1339814  Size: SH
        2. Install the differential carrier assembly bushing to frame bolts.

    Tighten
    Tighten the differential carrier assembly bushing to frame bolts to 152 N·m (112 lb ft).

        3. Install the front propeller shaft. Refer to Front Propeller Shaft Replacement .

    Object Number: 1350750  Size: SH
  42. Install the nuts (2) securing the fuel hose/pipe bracket (1) to the transmission (M30 only).
  43. Tighten
    Tighten the fuel hose/pipe bracket nuts to 20 N·m (15 lb ft).

  44. Connect the fuel hose/pipe retainer (4) to the range selector cable bracket (3) (M30 only).

  45. Object Number: 1302111  Size: SH
  46. Install the nuts securing the fuel hose/pipe brackets to the transmission (MA5 only).
  47. Tighten
    Tighten the fuel hose/pipe bracket nuts to 20 N·m (15 lb ft).


    Object Number: 1201502  Size: SH
  48. Install the left engine mount-to-frame bracket bolt.
  49. Tighten
    Tighten the engine mount-to-frame bracket bolt to 85 N·m (63 lb ft).


    Object Number: 1350744  Size: SH
  50. Connect the engine wiring harness retainer (5) to the engine oil pan rail.
  51. Install the 3 bolts securing the engine wiring ground leads (2) to the engine block.
  52. Tighten
    Tighten the engine wiring ground lead bolts to 20 N·m (15 lb ft).

  53. Lower the vehicle to chest level in order to access the components through the wheelhouse.
  54. Connect the engine wiring harness connector (3) to the CKP sensor (1).

  55. Object Number: 1350742  Size: SH
  56. Position the J 38185  (2) to the clamp (1) in order to connect the heater outlet hose to the heater outlet hose fitting (3).
  57. Install the bolt (5) securing the heater outlet hose/pipe to the left engine mount (4).
  58. Tighten
    Tighten the heater outlet hose/pipe bracket to the left engine mount bolt to 9 N·m (80 lb in).


    Object Number: 1352025  Size: SH
  59. Connect the engine wiring harness retainer (4) to the engine oil pan rail.
  60. Connect the engine wiring harness connector to the KS 1 (2).

  61. Object Number: 1352023  Size: SH
  62. Connect the engine wiring harness connector (3) to the KS 2 (1).
  63. Connect the coolant heater cord to the coolant heater, if equipped.

  64. Object Number: 1352021  Size: SH
  65. Connect the engine wiring harness connector to the EVAP canister purge solenoid valve.

  66. Object Number: 1313636  Size: SH
  67. Install the bolt (4) securing the battery negative cable (5) to the engine block (1).
  68. Tighten
    Tighten the battery negative cable to engine block bolt to 35 N·m (26 lb ft).


    Object Number: 1313639  Size: SH
  69. Connect the battery positive cable (2) to the starter and install the starter terminal nut (1).
  70. Tighten
    Tighten the battery positive cable to starter terminal nut to 9 N·m (80 lb in).

  71. Connect the lead (4) to the starter solenoid and install the starter solenoid "S" terminal nut (3).
  72. Tighten
    Tighten the starter solenoid "S" terminal nut to 3.5 N·m (31 lb in).


    Object Number: 1350692  Size: SH
  73. Secure the following wiring harness retainers to the engine wiring harness bracket:
  74. • The battery cable
    • The engine (4, 6)
    • The MAP sensor (5)
  75. Lower the vehicle.

  76. Object Number: 1350689  Size: SH
  77. Connect the MAP sensor wiring harness retainer (4) to the intake manifold (5).
  78. Install the MAP sensor. Refer to Manifold Absolute Pressure Sensor Replacement for the 3.5L (L52) engine.
  79. Connect the brake booster hose (6) to the brake booster.
  80. Install the oil level indicator and tube. Refer to Oil Level Indicator and Tube Replacement .
  81. Connect the evaporative emission EVAP pipe at the intake manifold. Refer to Plastic Collar Quick Connect Fitting Service for the 3.5L (L52) engine.
  82. Connect the fuel feed and return pipes to the fuel rail. Refer to Metal Collar Quick Connect Fitting Service for the 3.5L (L52) engine.

  83. Object Number: 1350691  Size: SH
  84. Connect the engine wiring harness retainer (1) to the intake manifold (2).

  85. Object Number: 1201503  Size: SH
  86. Install the right engine mount-to-frame bracket bolt.
  87. Tighten
    Tighten the engine mount-to-frame bracket bolt to 85 N·m (63 lb ft).


    Object Number: 1201379  Size: SH
  88. Position the power steering pump to the power steering pump bracket.
  89. Install the power steering pump mounting bolts.
  90. Tighten
    Tighten the power steering pump mounting bolts to 25 N·m (18 lb ft).


    Object Number: 1350735  Size: SH
  91. Connect the inlet heater hose quick connect (1) to the heater core (2).

  92. Object Number: 1350731  Size: SH
  93. Remove the J 44220 from the cylinder head.

  94. Object Number: 858290  Size: SH
  95. Position the AIR pipe cover and NEW gasket to the cylinder head.
  96. Install the AIR pipe cover studs.
  97. Tighten
    Tighten the AIR cover studs to 25 N·m (18 lb ft).

  98. Install the transmission filler tube (M30 only). Refer to Transmission Fluid Filler Tube and Seal Replacement for the 4L60-E/4L65-E automatic transmission.

  99. Object Number: 1350728  Size: SH
  100. Engage the engine wiring harness conduit to the camshaft cover.

  101. Object Number: 1350719  Size: SH
  102. Connect the engine wiring harness connector to the Intake CMP sensor.

  103. Object Number: 1350717  Size: SH
  104. Connect the engine wiring harness retainer (3) to the camshaft cover (4).
  105. Connect the engine wiring harness connector (2) to the throttle body (1).

  106. Object Number: 1350694  Size: SH
  107. Connect the engine wiring harness connectors to the following components:
  108. • The ECT sensor (1)
    • The fuel injector harness (2)
    • The ignition coils (4)
    • The HO2S (5)

    Object Number: 1350714  Size: SH
  109. Connect the engine wiring harness retainer (2) to the camshaft cover (3).
  110. Connect the engine wiring harness connectors to the following components:
  111. • The exhaust CMP sensor (5)
    • The exhaust camshaft actuator (6)

    Object Number: 1350723  Size: SH
  112. Connect the engine wiring harness retainers (1) to the power steering pump (2).
  113. Connect the engine wiring harness connectors to the following components:
  114. • The electric motor actuator connector (4WD only)
    • The oil pressure switch

    Object Number: 1350711  Size: SH
  115. Connect the engine wiring harness retainers (1) to the wheelhouse (4).
  116. Close the engine wiring harness retainer (5).
  117. Connect the 2 engine wiring harness connectors (2) to the PCM (3).
  118. Install the washer solvent container/coolant recovery reservoir mounting bolts. Refer to Windshield Washer Solvent Container Replacement .

  119. Object Number: 1207743  Size: SH
  120. Position the J 38185 to the clamp (3) in order to connect the radiator inlet hose (2) to the water outlet housing (4).
  121. Install the generator. Refer to Generator Replacement .
  122. Install the air cleaner resonator and outlet duct. Refer to Air Cleaner Resonator and Outlet Duct Replacement for the 3.5L (L52) engine.
  123. Install the air cleaner assembly. Refer to Air Cleaner Assembly Replacement for the 3.5L (L52) engine.
  124. Install the cooling fan. Refer to Fan Replacement .
  125. Install the outlet radiator hose. Radiator Outlet Hose Replacement .
  126. Fill the cooling system. Refer to Cooling System Draining and Filling .
  127. Install the battery box. Refer to Battery Box Replacement .

  128. Object Number: 1313590  Size: SH
  129. Install the hood. Refer to Hood Replacement .
  130. Fill the engine oil, if previously drained. Refer to Engine Oil and Oil Filter Replacement .

Engine Final Test and Inspection

Complete the following procedure after the engine is installed in the vehicle:

  1. With the ignition OFF or disconnected, crank the engine several times. Listen for any unusual noises or evidence that any parts are binding.
  2. Start the engine and listen for abnormal conditions.
  3. Check the vehicle oil pressure gage or light and confirm that the engine has acceptable oil pressure.
  4. Run the engine at approximately 1,000 RPM until the engine reaches normal operating temperature.
  5. While the engine continues to idle raise and support the vehicle. Refer to Lifting and Jacking the Vehicle .
  6. Inspect for oil, coolant, transmission fluid, and exhaust leaks while the engine is idling.
  7. Lower the vehicle.
  8. Perform the CKP variation learn procedure. Refer to Crankshaft Position System Variation Learn for the 3.5L (L52) engine.
  9. Perform a final inspection for the proper engine oil, transmission fluid and coolant levels.
  10. Road test the vehicle.