GM Service Manual Online
For 1990-2009 cars only
Makes
🢒
Chevrolet
🢒
2004
🢒
Colorado Pickup - 2WD
🢒
Engine
🢒
Engine Mechanical - 3.5L (L52)
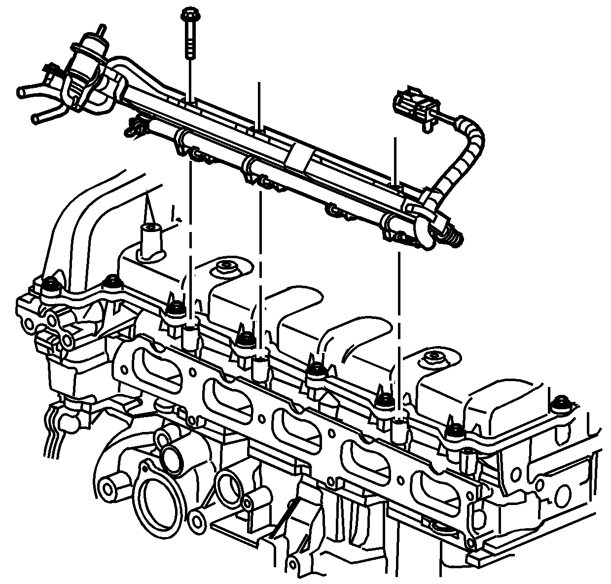
🢒 Fuel Rail and Injectors Removal
Remove the fuel injector rail bolts.
Remove the fuel injector rail.