GM Service Manual Online
For 1990-2009 cars only

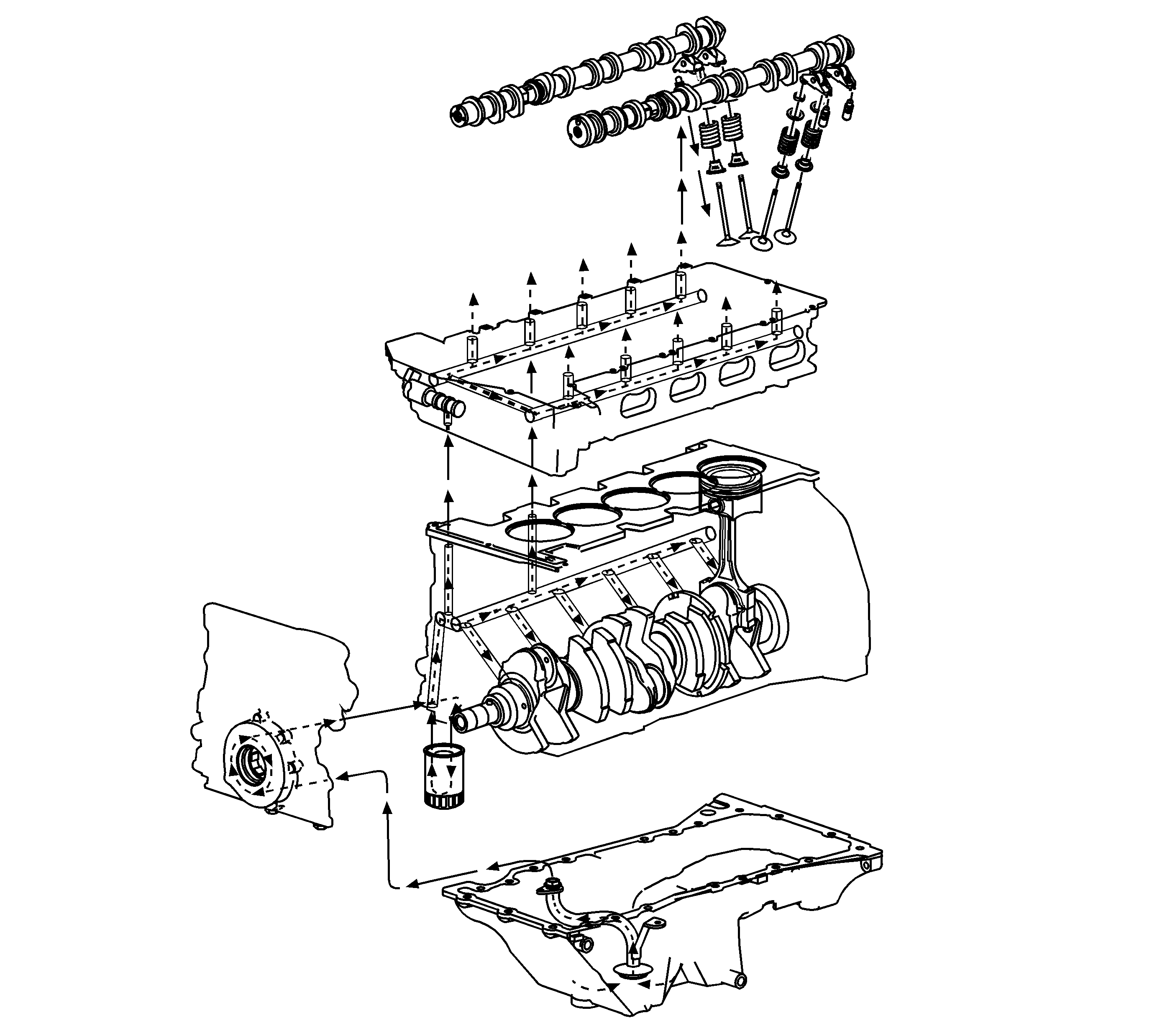
Object Number: 1385754  Size: LF

The engine lubrication system is of the force-feed type. The oil is supplied under full pressure to the crankshaft, connecting rods, valve lash adjusters, and cam phasing system. A controlled volume of oil is supplied to the camshaft and valve rocker arms. Gravity flow or splash lubricates all other parts. The engine oil is stored in the oil pan, which is filled through a fill cap in the camshaft cover. A removable oil level indicator, on the right side of the engine block, is provided to check the oil level. The oil pump is located in the engine front cover and is driven by the crankshaft. It is a gerotor-style pump, which is a combination of a gear, and a rotor pump. It is connected by a passage in the cylinder block to an oil screen and pipe assembly. The screen is submerged in the oil supply and has ample volume for all operating conditions. Oil is drawn into the pump through the screen and pipe assembly, and a passage in the crankcase, connecting to the passages in the engine front cover. Oil is discarged from the oil pump to the oil filter. The oil pressure relief valve limits the oil pressure. The oil filter bypass valve opens when the oil filter is restricted to approximately 68.95 kPa (10 psi) of pressure difference between the oil filter inlet and discharge. The oil will then bypass the oil filter and channel unfiltered oil directly to the main oil galleries of the engine. A full-flow oil filter is mounted to the oil filter adapter on the lower right front side of the engine. The main oil galleries run the full length of the engine block and cut into the valve lash adjuster holes to supply oil at full pressure to the valve lash adjusters. Holes are drilled from the crankshaft bearings to the main oil gallery. Oil is transferred from the crankshaft bearings to the connecting rod bearings through holes drilled in the crankshaft. Pistons, piston pins, and cylinder walls are lubricated by oil splash from the crankshaft and connecting rods. The camshafts and valve rocker arms are supplied with oil from the oil passages drilled into the camshaft mounting areas.