GM Service Manual Online
For 1990-2009 cars only

Tools Required

J 44225 Balance Shaft Bearing Remover/Installer


Object Number: 873983  Size: SH

Position the cylinder block so the cylinder head deck face is down and identify the following:

    • The left balance shaft bearings are in the shorter length balance shaft journal (3) and (4).
    • The right balance shaft - grooved bearings are in the longer length balance shaft journal (1) and (2).

Object Number: 873986  Size: SH

Identify the following:

    • Bearings (2) and (3) are the front bearings and bearings (1) and (4) are the rear bearings.
    • The rear bearings (1) and (4) have a slightly larger diameter than the front bearings (2) and (3). This allows for easier removal and installation of the front bearings. The rear bearings also have notches on them for identification purposes.

    Object Number: 954159  Size: SH
  1. Install the new right front balance shaft bearing onto J 44225  (2).
  2. Install J 44225 into the balance shaft bearing bore and align the front bearing.
  3. Turn the threaded rod clockwise until the guide (1) is seated into the rear journal.

  4. Object Number: 954161  Size: SH
  5. Install and tighten the balance shaft mounting bolt (1) to hold J 44225 .
  6. Turn the threaded rod clockwise until it bottoms to install the right front balance shaft bearing to the proper depth.
  7. Remove the balance shaft mounting bolt and J 44225 .

  8. Object Number: 954159  Size: SH
  9. Install the new right rear balance shaft bearing onto J 44225  (2).
  10. Install J 44225 into the balance shaft bearing bore and align the rear bearing.
  11. Turn the threaded rod clockwise until the guide (1) is seated into the rear journal.

  12. Object Number: 954161  Size: SH
  13. Install and tighten the balance shaft mounting bolt (1) to hold J 44225 .

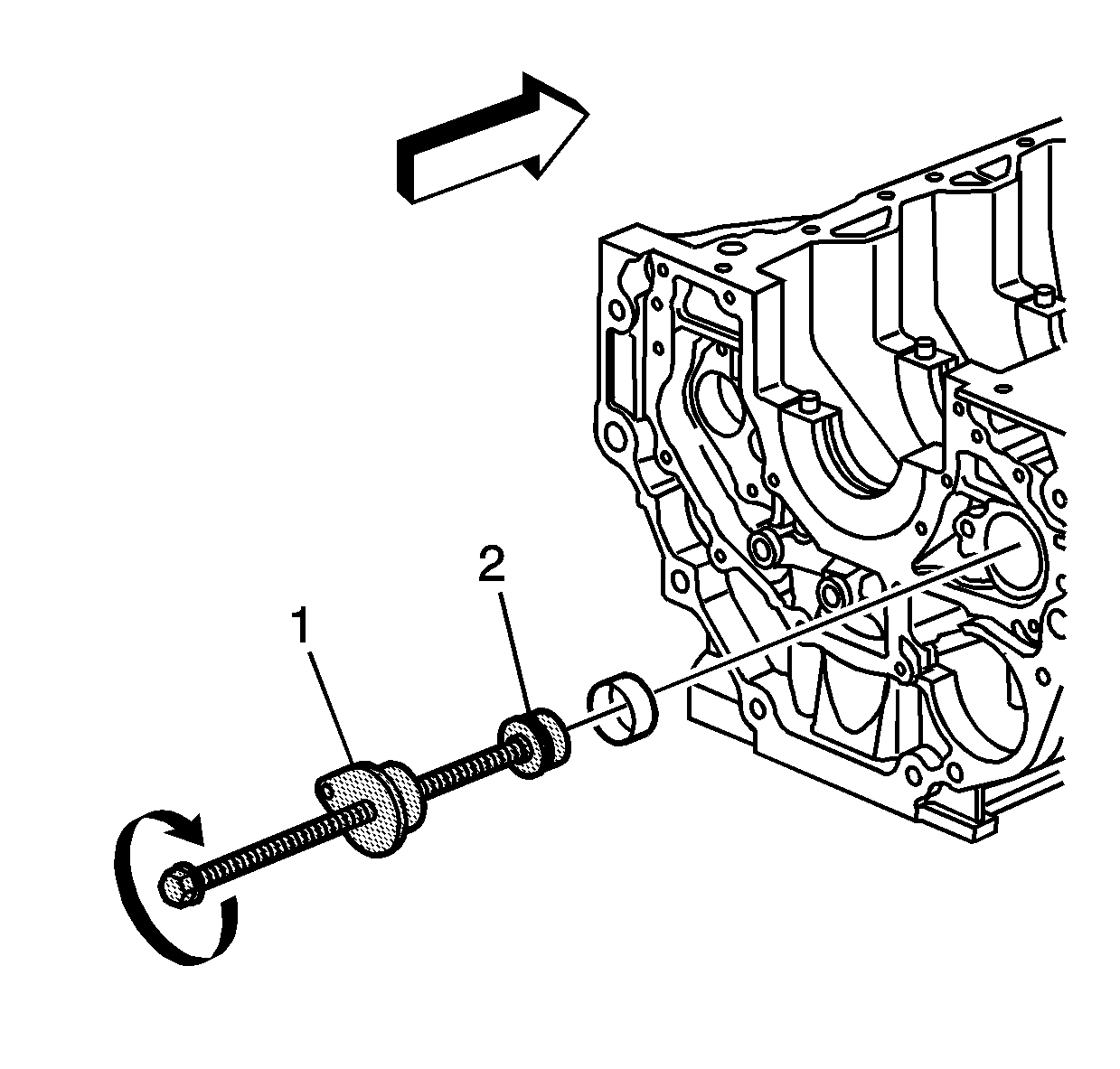
  14. Object Number: 954171  Size: SH
  15. Install J 44225 - spacer (2) between the guide (3) and the washer (1).
  16. Turn the threaded rod clockwise until it bottoms to install the right rear balance shaft bearing to the proper depth.

  17. Object Number: 954175  Size: SH
  18. Remove the balance shaft mounting bolt (1) and J 44225 .

  19. Object Number: 954178  Size: SH
  20. Install the new left front balance shaft bearing onto J 44225  (2).
  21. Install J 44225 into the balance shaft bearing bore and align the front bearing.
  22. Turn the threaded rod clockwise until the guide (1) is seated into the rear journal.

  23. Object Number: 954182  Size: SH
  24. Install and tighten the balance shaft mounting bolt (1) to hold J 44225 .
  25. Turn the threaded rod clockwise until it bottoms to install the left front balance shaft bearing to the proper depth.
  26. Remove the balance shaft mounting bolt (1) and J 44225 .

  27. Object Number: 954178  Size: SH
  28. Install the new left rear balance shaft bearing onto J 44225  (2).
  29. Install J 44225 into the balance shaft bearing bore and align the rear bearing.
  30. Turn the threaded rod clockwise until the guide (1) is seated into the rear journal.

  31. Object Number: 954182  Size: SH
  32. Install and tighten the balance shaft mounting bolt (1) to hold J 44225 .

  33. Object Number: 954184  Size: SH
  34. Install J 44225 - spacer (2) between the guide (3) and the washer (1).
  35. Turn the threaded rod clockwise until it bottoms to install the left rear balance shaft bearing to the proper depth.

  36. Object Number: 954187  Size: SH
  37. Remove the balance shaft mounting bolt (1) and J 44225 .