The Isuzu T150 transfer case is a 2 speed, part time 4WD with electric shift. A high/low planetary carrier assembly (100) provides the high and low ranges. The arrangement of the high/low planetary carrier assembly, which includes the 4 pinion gears (108), the sun gear - the outer teeth on the input shaft (105), and the annulus gear (117), gives a 2.48 low range reduction ratio. Using a synchronizer (220), the T150 provides the 4WD mode by connecting the drive sprocket (123) to the rear output shaft (124). The front output shaft (127) is chain (120) driven from the drive sprocket (123). The transfer case uses two shift shafts (250) operated by a single cam (262). The actuator assembly (200) rotates the cam (262) to the various ranges or modes. Detent springs (208) and balls (207) hold the shift shafts (250) in position.
The T150 case halves are cast aluminum. A needle bearing (113), in the planetary carrier assembly (100), supports the input shaft (105). A ball bearing (114), located in the front case half, supports the planetary carrier assembly (100). A needle bearing (103) is located inside the input shaft (105), to support the front of the rear output shaft (124). The rear output shaft (124) is supported at the rear by a ball bearing (130), located in the rear case half. The transfer case uses Synchromesh Transmission Fluid GM P/N 12345349 (Canadian P/N 10953465) as a service fluid. An oil pump (140) pumps the fluid through the oil gallery, in the rear output shaft, to the gears and bearings.
During operation in 2HI mode, the input shaft (105) delivers the engine power from the transmission. The high/low range sleeve (230) connects the input shaft (105), to the rear output shaft (124). The high/low range sleeve (230) outer teeth engage with the input shaft (105) inner teeth, which are the high-speed teeth. The high/low range sleeve (230) is slip splined to the rear output shaft (124). The rear output shaft (124) delivers the engine power to the rear propeller shaft.
When commanding the transfer case to 4HI mode, the actuator assembly (200) rotates the control actuator cam (262). The control actuator cam (262) moves the 2/4 wheel drive shift fork (243) rearward. The 2/4 wheel drive shift fork (243) moves the synchronizer sleeve (224) of the 2/4 wheel drive synchronizer (220), to the blocking rings (223). The blocking rings (223) brake the drive sprocket (123) to match the revolutions of the rear output shaft (124). Matching the revolutions, the synchronizer sleeve (224) engages the synchronizer hub (227) to synchronizer blocking rings (223), which are connected to the drive sprocket (123). The synchronizer hub (227) is pressed fit on the rear output shaft (124). The engine power now flows through the synchronizer assembly (220) to the drive sprocket (123). A chain (120) connects the drive sprocket to the driven sprocket on the front output shaft (127), delivering the engine power now to both the front propeller shaft and the rear propeller shaft.
When shifting the transfer case to 4LO range, it commands the actuator assembly (200) to rotate the control actuator cam (262). The control actuator cam (262) shifts the high/low range sleeve (230) to low range, while keeping the 2/4 wheel drive synchronizer (220) engaged in the 4WD position.
The high/low shift fork (258) moves the high/low range sleeve (230) rearward. The high/low range sleeve (230) outer teeth disconnect from the high-speed teeth on the input shaft (105). The high/low range sleeve (230) outer teeth now engage with the low range gear (102). The low range gear (102) is tooth to the planetary carrier (112).
The outer teeth, or low range teeth, on the input shaft (105), which now acts like a sun gear, delivers the engine power to the pinion gears (108) in the planetary carrier (112). Rotating the pinion gears (108), which are engaged in the annulus gear (117), rotates the planetary carrier (112). The planetary carrier (112) delivers the power to the high/low range sleeve (230). The high/low range sleeve (230) then drives the rear output shaft (124), providing a 2.48:1 reduction to the speed of the rear output shaft (124). The 2/4 wheel drive synchronizer is still engaged, and engine torque is delivered to front and rear propeller shafts.
The Isuzu T150 transfer case features a 3-button accessory switch located on the instrument panel. When the vehicle has the ignition key in the RUN position, the transfer case shift control module starts monitoring the accessory switch to determine if the driver desires a new mode/range position. At a single press of the accessory switch, the lamp of the new desired position will begin flashing to inform the driver that the transfer case shift control module has received the request for a new mode/range position. The lamp will continue to flash until all shifting criteria have been met and the new mode/range position has been reached, or has been engaged. Once the new mode/range position is fully active, the switch indicator lamp for the new position will remain ON constantly.
During normal driving situations, the transfer case operates in the 2HI mode. When the 2HI mode is selected, the transfer case shift control module sends 12 volts to an electrical motor, which is the transfer case encoder motor. This motor rotates the transfer case shift detent lever shaft which moves the shift forks and range sleeve to obtain different modes/ranges.
The Isuzu T150 transfer case has the added feature of also providing the driver with 2 selectable mode/range positions:
| • | 2HI |
| • | 4HI |
| • | 4LO |
The transfer case does not allow a shift into or out of 4LO unless the following criteria is met:
| • | The engine is running. |
| • | The automatic transmission is in NEUTRAL. |
| • | The vehicle speed is less than 5 km/h (3 mph). |
This transfer case also has a NEUTRAL position. A shift to the NEUTRAL position allows the vehicle to be towed without the transmission output shaft rotating. Refer to the Owner's Manual for instructions for proper towing of the vehicle.
NEUTRAL position is obtained only if the following criteria is met:
| • | The ignition is ON. |
| • | The automatic transmission is in NEUTRAL. |
| • | The vehicle speed is less than 5 km/h (3 mph). |
| • | The transfer case is in the 2HI mode. |
Once these conditions have been met, press and hold both the 2HI and 4LO Lock buttons for 10 seconds. When the system completes the shift to NEUTRAL, the red NEUTRAL indicator will illuminate.
The following list of major electrical components make up the four wheel drive transfer case system.
The SERVICE 4WD indicator is an integral part of the cluster and cannot be serviced separately. This indicator is used to inform the driver of the vehicle of malfunctions within the four wheel drive transfer case system. The SERVICE 4WD indicator is controlled by the transfer case shift control module via a Class 2 message.
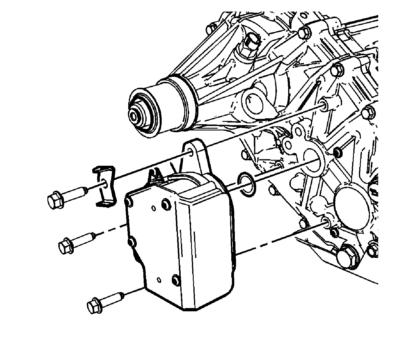
The encoder is mounted to the transfer case encoder motor assembly and is replaced only as an assembly. The encoder converts the shift detent lever shaft position, representing a mode/range into electrical signal inputs to the transfer case shift control module. The module detects what position the transfer case is in by monitoring the 4 encoder channels, P, B, A, and C. These inputs translate into 2HI, 4HI, 4LO, and NEUTRAL, or whether the motor is still in transition between gears.
The transfer case encoder motor consists of a permanent magnet (PM) DC motor and gear reduction assembly. It is located on the left hand side of the transfer case. When activated, it turns the shift detent lever shaft of the transfer case clockwise or counterclockwise, to shift the transfer case by moving the shift forks and collar assemblies inside the transfer case. The encoder motor is controlled through a 12 volt circuit provided by the transfer case shift control module. This circuit consists of a driver on both the motor control A and motor control B circuits. The encoder motor is bi-directional to allow the motor to shift the transfer case from 2HI to 4HI to NEUTRAL and 4LO positions.
The transfer case shift control module monitors vehicle speed via the class 2 data bus from the powertrain control module as well as controlling the operation of the transfer case encoder motor assembly.