GM Service Manual Online
For 1990-2009 cars only

Tools Required

    • J 43276 Clutch Pilot Bearing Remover
    • J 45949 Pilot Bearing and Flywheel Locator Installer

Removal Procedure

Notice: When using the J 43276 Clutch Pilot Bearing Remover, always secure the J 43276-1 Clutch Pilot Bearing Remover tool body using a wrench. Do not allow the J 43276-1 tool body to rotate. Failing to do so causes damage to the J 43276-1 tool body.

  1. Remove the Flywheel. Refer to Engine Flywheel Replacement in Engine Mechanical-2.8L or Engine Flywheel Replacement in Engine Mechanical-3.5L.

  2. Object Number: 1302137  Size: SH
  3. Using the J 43276 perform the following in order to remove the clutch pilot bearing:
  4. 2.1. Install the J 43276-1 into the clutch pilot bearing.
    2.2. Using a wrench, secure the J 43276-1.
    2.3. Insert the J 43276-2 into the J 43276-1.
    2.4. Rotate the J 43276-2 clockwise into the J 43276-1 until the clutch pilot bearing is completely removed from the crankshaft.
    2.5. Rotate the J 43276-2 counterclockwise to remove the J 43276-2 from the J 43276-1.
    2.6. Remove the J 43276-1 from the tool body.
  5. Discard the old clutch pilot bearing.

Installation Procedure


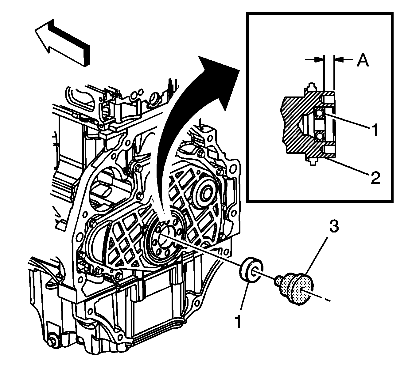
    Object Number: 1302138  Size: SH
  1. Install the J 45949  (3) into the clutch pilot bearing (1).
  2. Install the clutch pilot bearing (1) into the crankshaft (2).
  3. The J 45949  (3) will install the pilot bearing (1) to the proper depth of 11.6 mm (0.457 in)(a).

  4. Remove the J 45949  (3).
  5. Install the Flywheel. Refer to Engine Flywheel Replacement in Engine Mechanical-2.8L or Engine Flywheel Replacement in Engine Mechanical-3.5L.