GM Service Manual Online
For 1990-2009 cars only

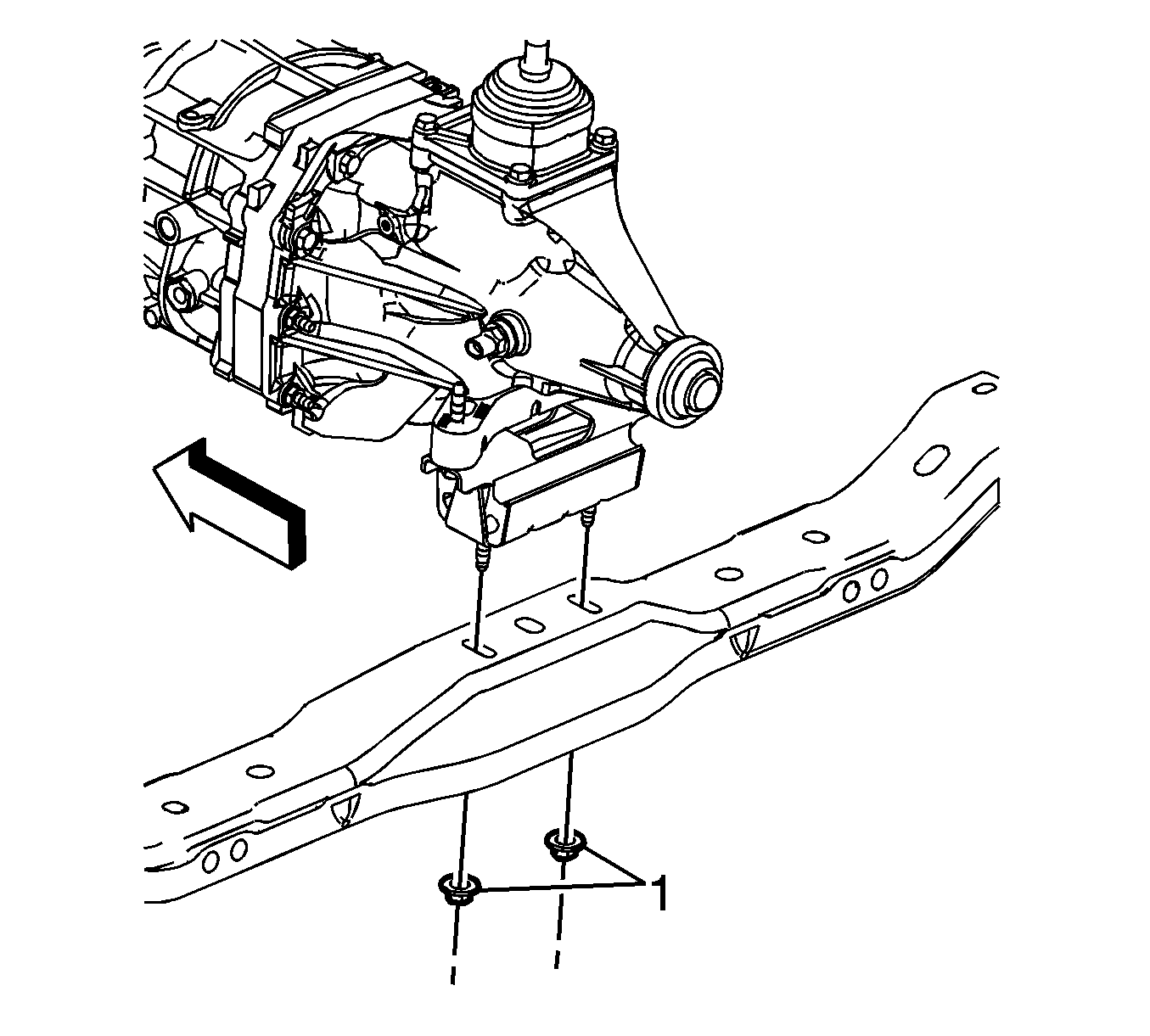
Transmission Mount Replacement RPO Z85 and ZQ8

Removal Procedure


    Object Number: 2008868  Size: SH
  1. Raise and support the vehicle. Refer to Lifting and Jacking the Vehicle .
  2. Support the transmission with a transmission jack.
  3. Remove the two nuts (1) securing the transmission mount to the transmission support.
  4. Raise the transmission off of the transmission support.

  5. Object Number: 1201370  Size: SH
  6. Remove the mount to transmission bolts.

Installation Procedure


    Object Number: 1201370  Size: SH
  1. Install the transmission mount to the vehicle.
  2. Notice: Refer to Fastener Notice in the Preface section.

  3. Install the mount to transmission bolts.
  4. Tighten
    Tighten the bolts to 60 N·m (44 lb ft).


    Object Number: 2008868  Size: SH
  5. Lower the transmission and install the two nuts (1) securing the transmission mount to the transmission support.
  6. Tighten
    Tighten the nuts to 57 N·m (42 lb ft).

  7. Remove the transmission jack.
  8. Lower the vehicle.

Transmission Mount Replacement RPO Z71

Removal Procedure


    Object Number: 2008869  Size: SH
  1. Raise and support the vehicle. Refer to Lifting and Jacking the Vehicle .
  2. Support the transmission with a transmission jack.
  3. Remove the two nuts (1) securing the transmission mount to the transmission support.
  4. Raise the transmission off of the transmission support.

  5. Object Number: 1201364  Size: SH
  6. Remove the mount to transmission bolts.

  7. Object Number: 1201362  Size: SH
  8. Remove the mount spacer.

Installation Procedure


    Object Number: 1201362  Size: SH
  1. Install the mount spacer.

  2. Object Number: 1201364  Size: SH
  3. Install the transmission mount to the vehicle.
  4. Notice: Refer to Fastener Notice in the Preface section.

  5. Install the mount to transmission bolts.
  6. Tighten
    Tighten the bolts to 60 N·m (44 lb ft).


    Object Number: 2008869  Size: SH
  7. Lower the transmission and install the two nuts (1) securing the transmission mount to the transmission support.
  8. Tighten
    Tighten the nuts to 57 N·m (42 lb ft).

  9. Remove the transmission jack.
  10. Lower the vehicle.