GM Service Manual Online
For 1990-2009 cars only
Makes
🢒
Chevrolet
🢒
2004
🢒
Colorado Pickup - 2WD
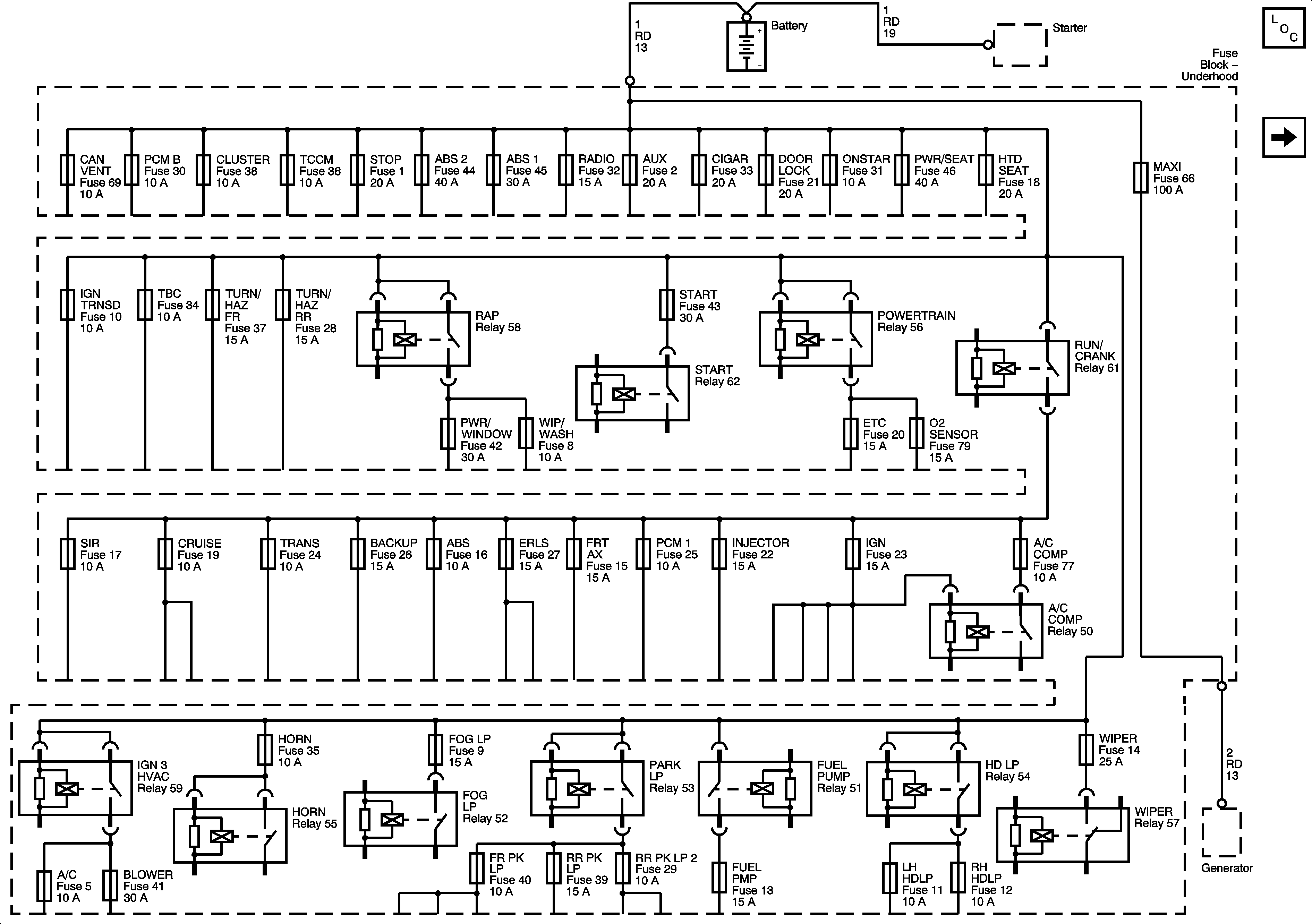
🢒 B+ Bus - Underhood Fuse Block
B+ Bus - Underhood Fuse Block
B+ Bus - Underhood Fuse Block
Master Electrical Component List
CAN VENT, PCM B, CLUSTER, TCCM, STOP, ABS 1, ABS 2, RADIO, AUX, and CIGAR Fuses