GM Service Manual Online
For 1990-2009 cars only
Makes
🢒
Chevrolet
🢒
2004
🢒
Colorado Pickup - 2WD
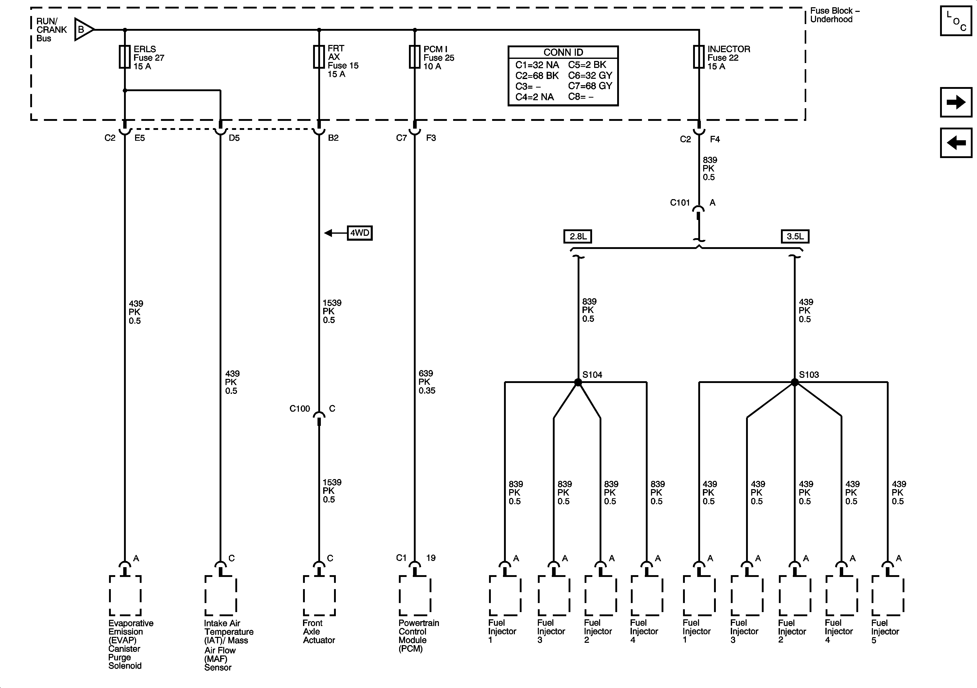
🢒 04 GMT355 Power Distribution Schematics - ERLS, FRT AXLE, PCM - I, and INJECTORS Fuses
04 GMT355 Power Distribution Schematics - ERLS, FRT AXLE, PCM - I, and INJECTORS Fuses
ERLS, FRT AX, PCM I, and INJECTOR Fuses
Master Electrical Component List
FRT PARK LAMP, REAR PARK LAMP #1, and REAR PARK LAMP #2 Fuses
SPARE, IGN, and A/C COMP Fuses
SPARE, IGN, and A/C COMP Fuses