GM Service Manual Online
For 1990-2009 cars only
Makes
🢒
Chevrolet
🢒
2005
🢒
Colorado Pickup - 2WD
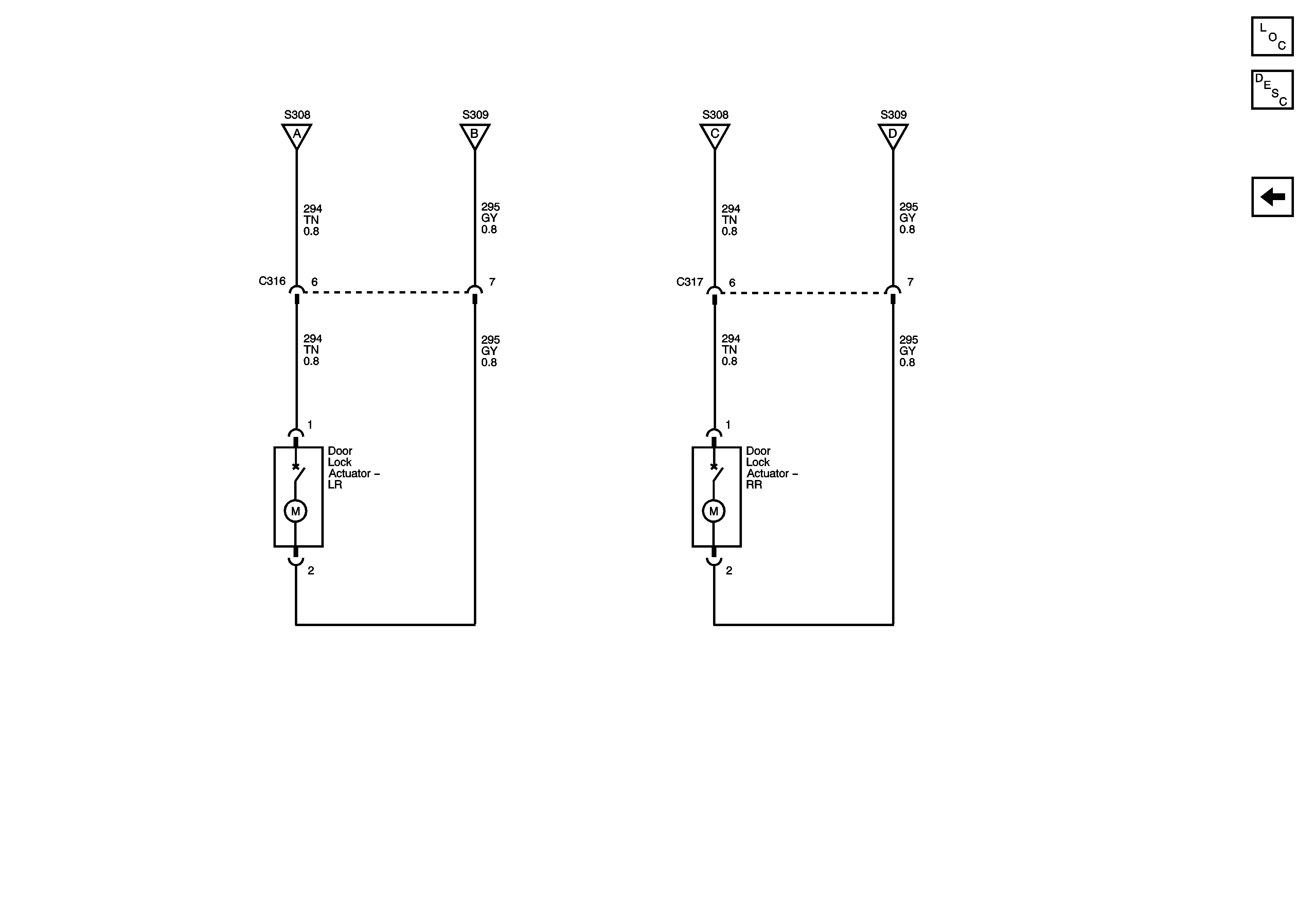
🢒 Rear Door Lock Actuators - Crew Cab
Rear Door Lock Actuators - Crew Cab
Rear Door Lock Actuators - Crew Cab
Master Electrical Component List
Power Door Locks Description and Operation
Power Door Locks - Crew Cab
Power Door Locks - Crew Cab
Power Door Locks - Crew Cab
Power Door Locks - Crew Cab
Power Door Locks - Crew Cab