GM Service Manual Online
For 1990-2009 cars only
Makes
🢒
Chevrolet
🢒
2005
🢒
Colorado Pickup - 2WD
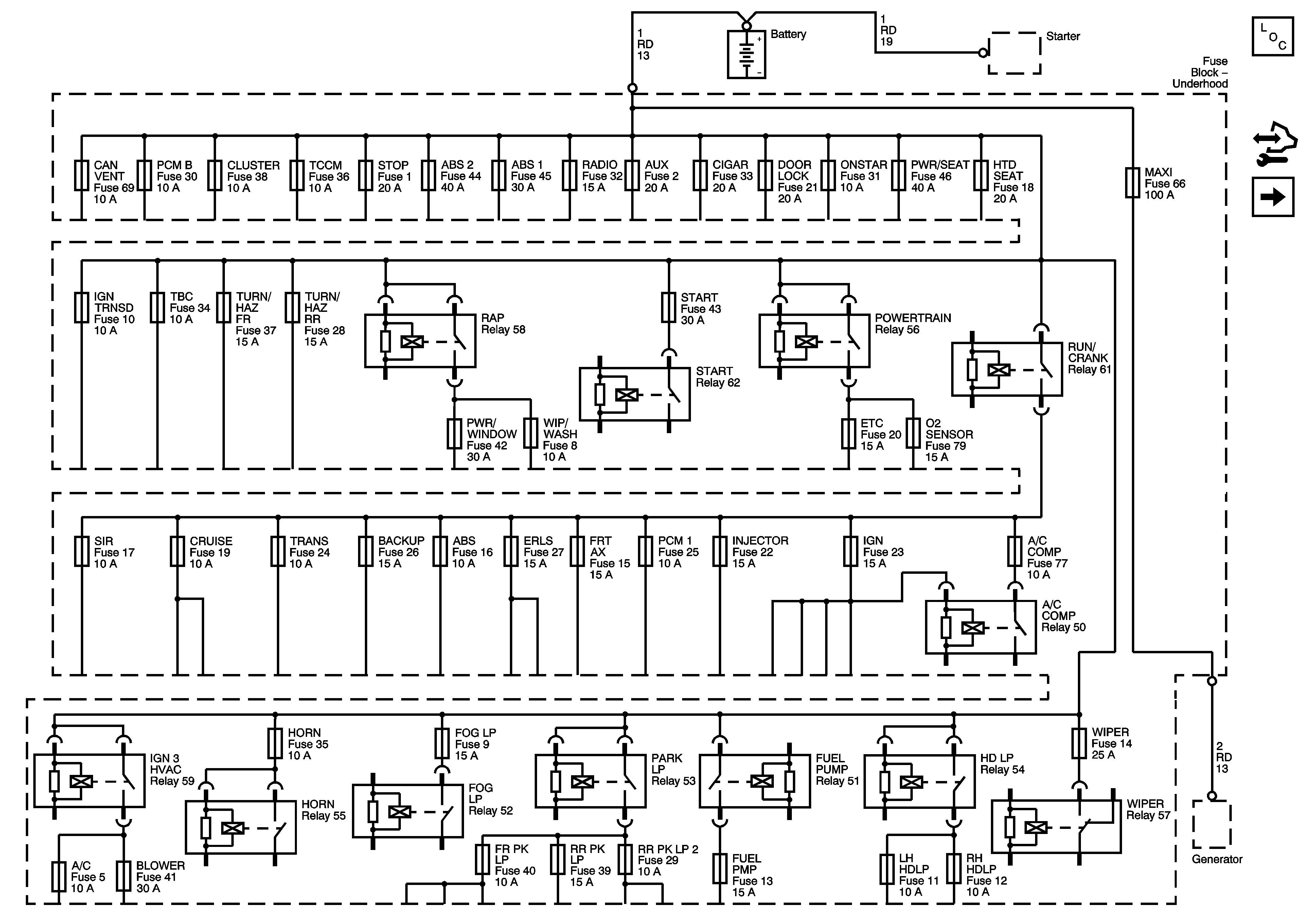
🢒 B+ Bus - Underhood Fuse Block
B+ Bus - Underhood Fuse Block
B+ Bus - Underhood Fuse Block
Master Electrical Component List
ABS 1, ABS 2, AUX, CAN VENT, CIGAR, CLUSTER, DOOR LOCK, ONSTAR, PCM B, RADIO, STOP, and TCCM Fuses