GM Service Manual Online
For 1990-2009 cars only
Makes
🢒
Chevrolet
🢒
2005
🢒
Colorado Pickup - 2WD
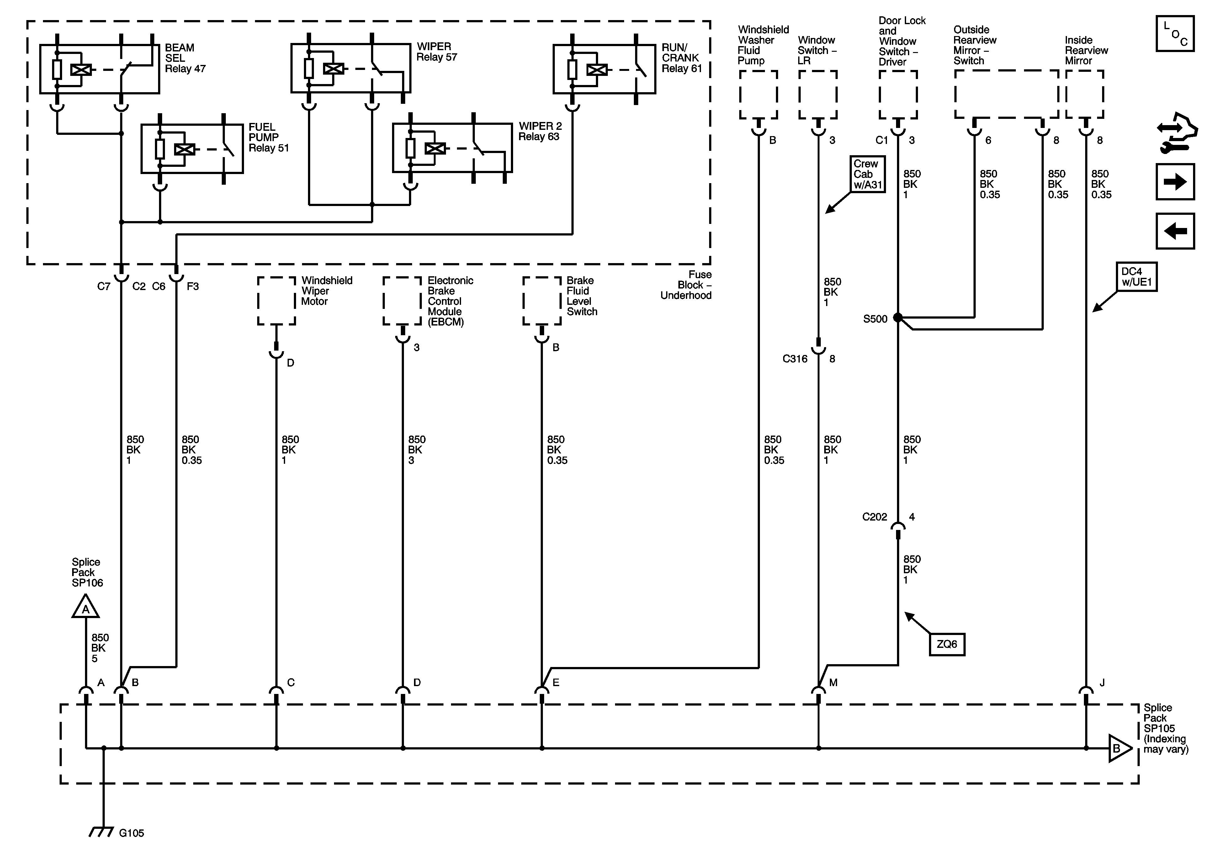
🢒 Splice Pack SP105 and G105 - 1 of 2
Splice Pack SP105 and G105 - 1 of 2
Splice Pack SP105 and G105 1 of 2
Master Electrical Component List
Splice Pack SP105 and G105 - 2 of 2
G100, G104, G102, G103, and G101
Splice Pack SP106 and G106 - 1 of 2
Splice Pack SP105 and G105 - 2 of 2