GM Service Manual Online
For 1990-2009 cars only
Makes
🢒
Chevrolet
🢒
2007
🢒
Colorado Pickup - 2WD
🢒
Suspension
🢒
Suspension General Diagnosis
🢒 Steering Gear Replacement
Removal Procedure
Raise and support the vehicle. Refer to
Lifting and Jacking the Vehicle
.
Remove both of the front tire and wheel assemblies. Refer to
Tire and Wheel Removal and Installation
.
Remove the engine protection shield if equipped. Refer to
Engine Protection Shield Replacement
.
Disconnect the outer tie rod end from the steering knuckle. Refer to
Rack and Pinion Outer Tie Rod End Replacement
.
Place a drain pan to catch the fluid.
Disconnect the power steering hose assembly from the steering gear. Refer to
Power Steering Gear Inlet and Outlet Hose Replacement
.
Remove the coupler clamp bolt from the intermediate shaft. Refer to
Lower Intermediate Steering Shaft Replacement
.
Separate the intermediate shaft from the steering gear.
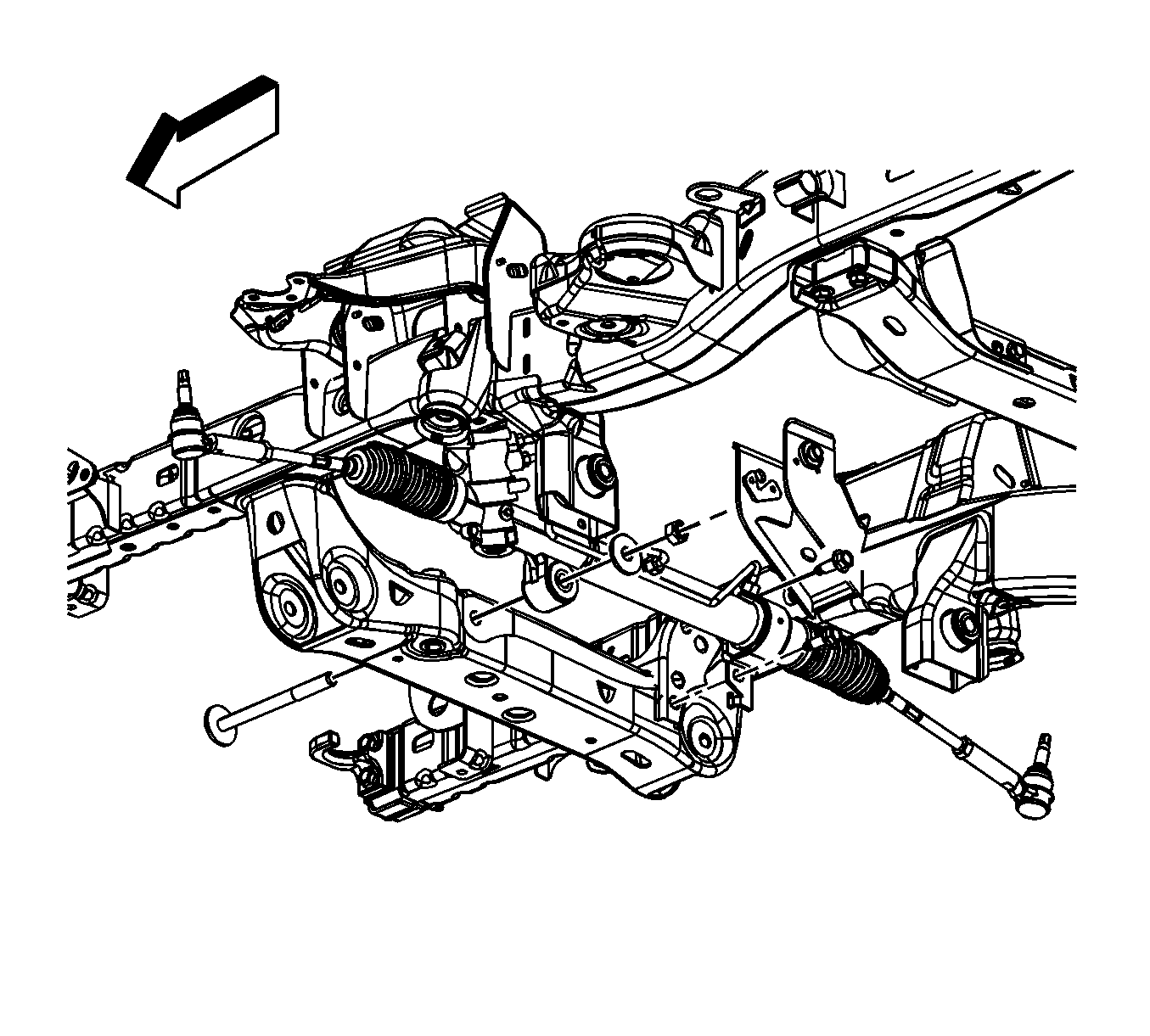
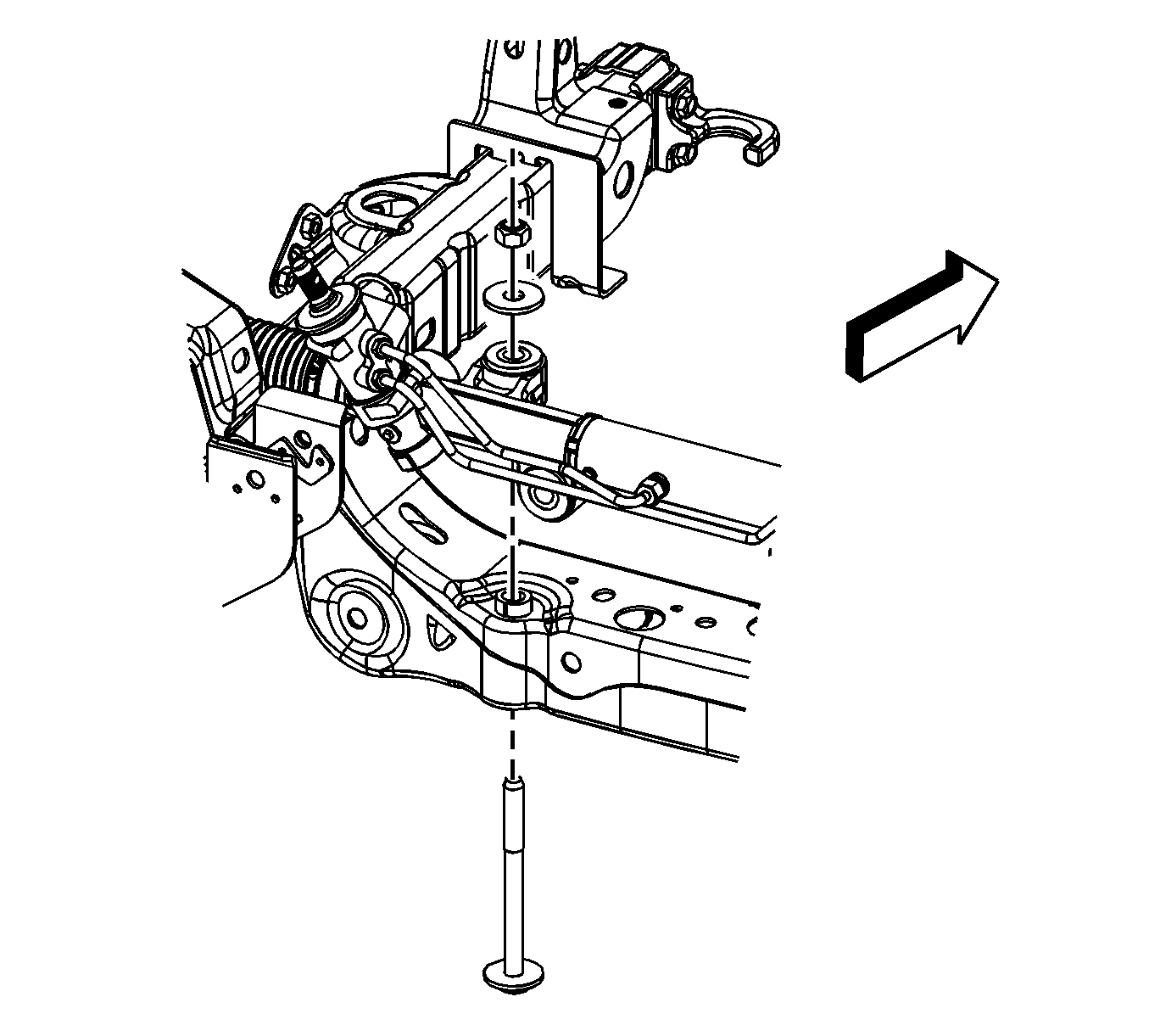
Remove the steering gear vertical mounting nuts, the washers and the bolts.
Remove the steering gear horizontal mounting nuts, the washers and the bolts.
Remove the crossmember, 2WD ONLY. Refer to
Crossmember Replacement
.
Remove the steering gear from the vehicle.
Installation Procedure
Install the steering gear into the vehicle.
Loose install the steering gear horizontal mounting nuts, the washers and the bolts.
Install the crossmember, 2WD ONLY. Refer to
Crossmember Replacement
.
Notice:
Refer to
Fastener Notice
in the Preface section.
Loose install the steering gear vertical mounting nuts, the washers and the bolts.
Tighten
•
Tighten the long bolts to 130 N·m (96 lb ft).
•
Tighten the isolator clamp bolts to 100 N·m (74 lb ft).
Install the intermediate shaft to the steering gear.
Install the coupler clamp bolt to the intermediate shaft. Refer to
Lower Intermediate Steering Shaft Replacement
.
Connect the power steering hose assembly to the steering gear. Refer to
Power Steering Gear Inlet and Outlet Hose Replacement
.
Install the engine protection shield, if equipped. Refer to
Engine Protection Shield Replacement
.
Install the outer tie rod end to the steering knuckle. Refer to
Rack and Pinion Outer Tie Rod End Replacement
.
Install both of the front tire and wheel assemblies. Refer to
Tire and Wheel Removal and Installation
.
Lower the vehicle.
Bleed the power steering system. Refer to
Power Steering System Bleeding
.