GM Service Manual Online
For 1990-2009 cars only
Makes
🢒
Chevrolet
🢒
2007
🢒
Colorado Pickup - 2WD
🢒
HVAC
🢒
HVAC - Manual
🢒 HVAC Schematics
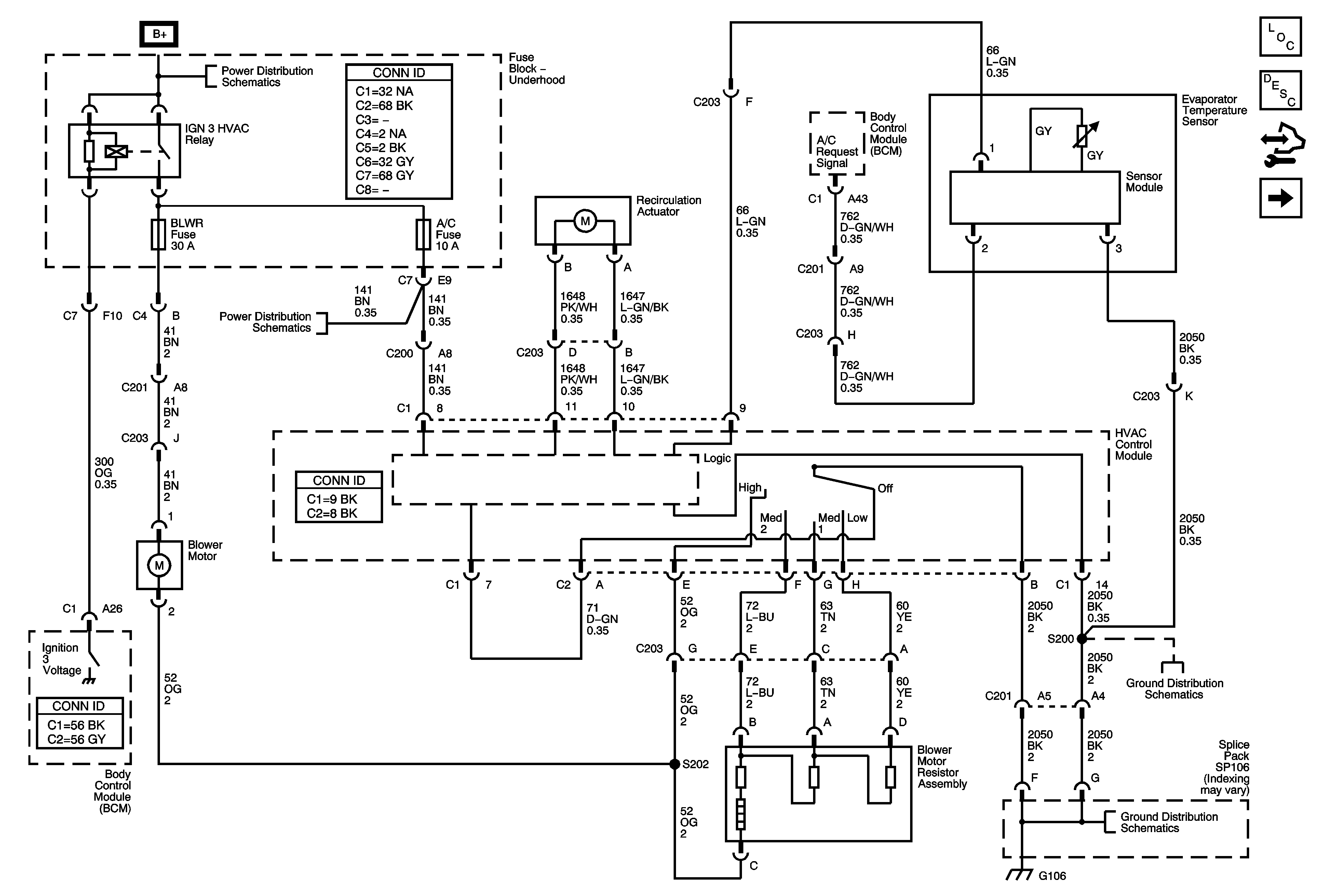
Figure
1:
Primary Blower and Air Delivery Controls
Master Electrical Component List
Air Temperature Description and Operation
Body Control Module (BCM) Programming/RPO Configuration
Compressor Controls
B+ Bus - Underhood Fuse Block
A/C, BLOWER, DOOR LOCK, HTD SEAT, ONSTAR, TBC, TURN/HAZ FR, and TURN/HAZ RR Fuses
Splice Pack SP106 and G106 - 2 of 2
Splice Pack SP106 and G106 - 2 of 2
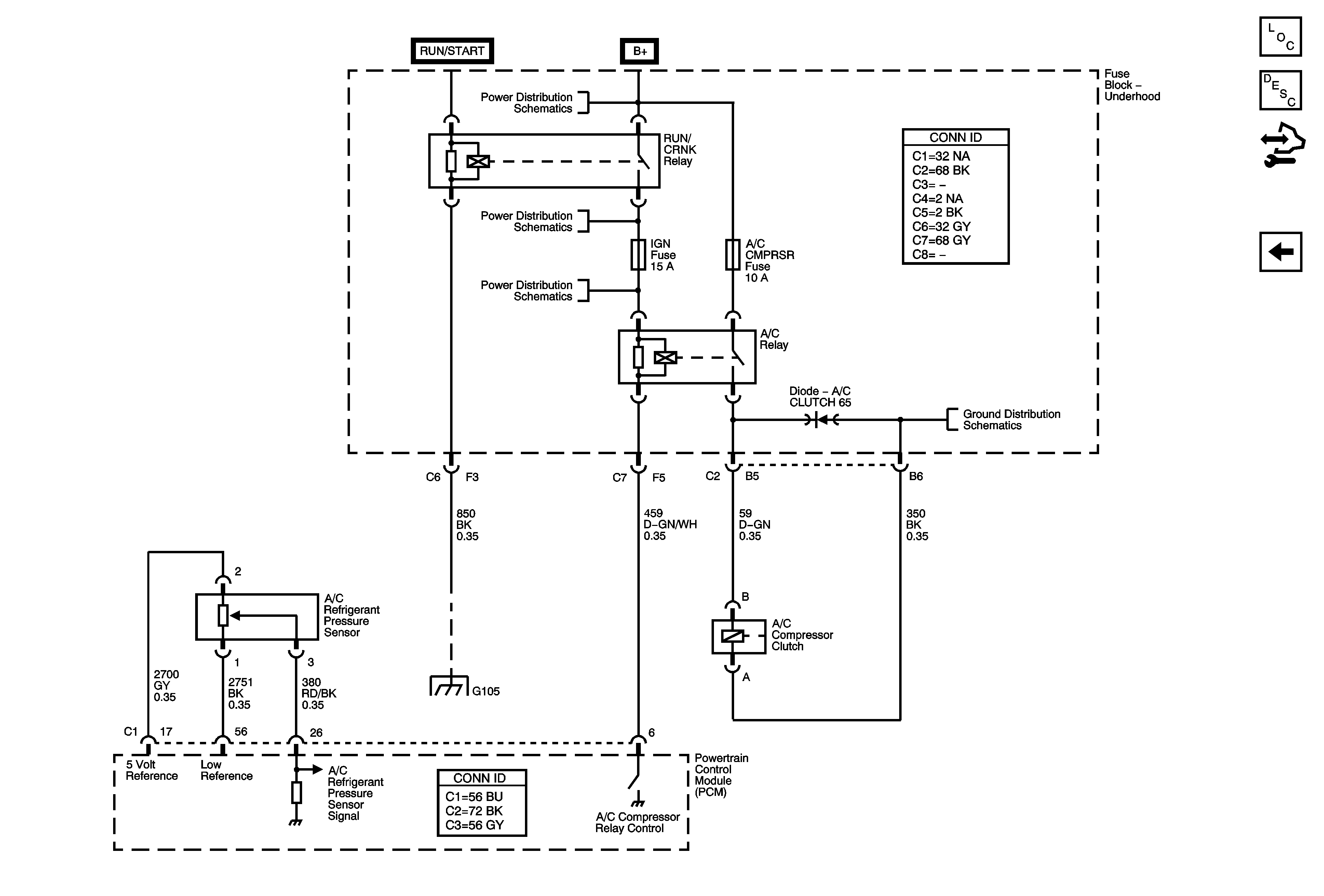
Figure
2:
Compressor Controls
Master Electrical Component List
Air Temperature Description and Operation
Body Control Module (BCM) Programming/RPO Configuration
Primary Blower and Air Delivery Controls
B+ Bus - Underhood Fuse Block
B+ Bus - Underhood Fuse Block
RUN/CRANK RELAY BUS - 2 of 3, ABS, BACKUP, and IGN Fuses
Splice Pack SP105 and G105 - 1 of 2