GM Service Manual Online
For 1990-2009 cars only
Makes
🢒
Chevrolet
🢒
2007
🢒
Colorado Pickup - 2WD
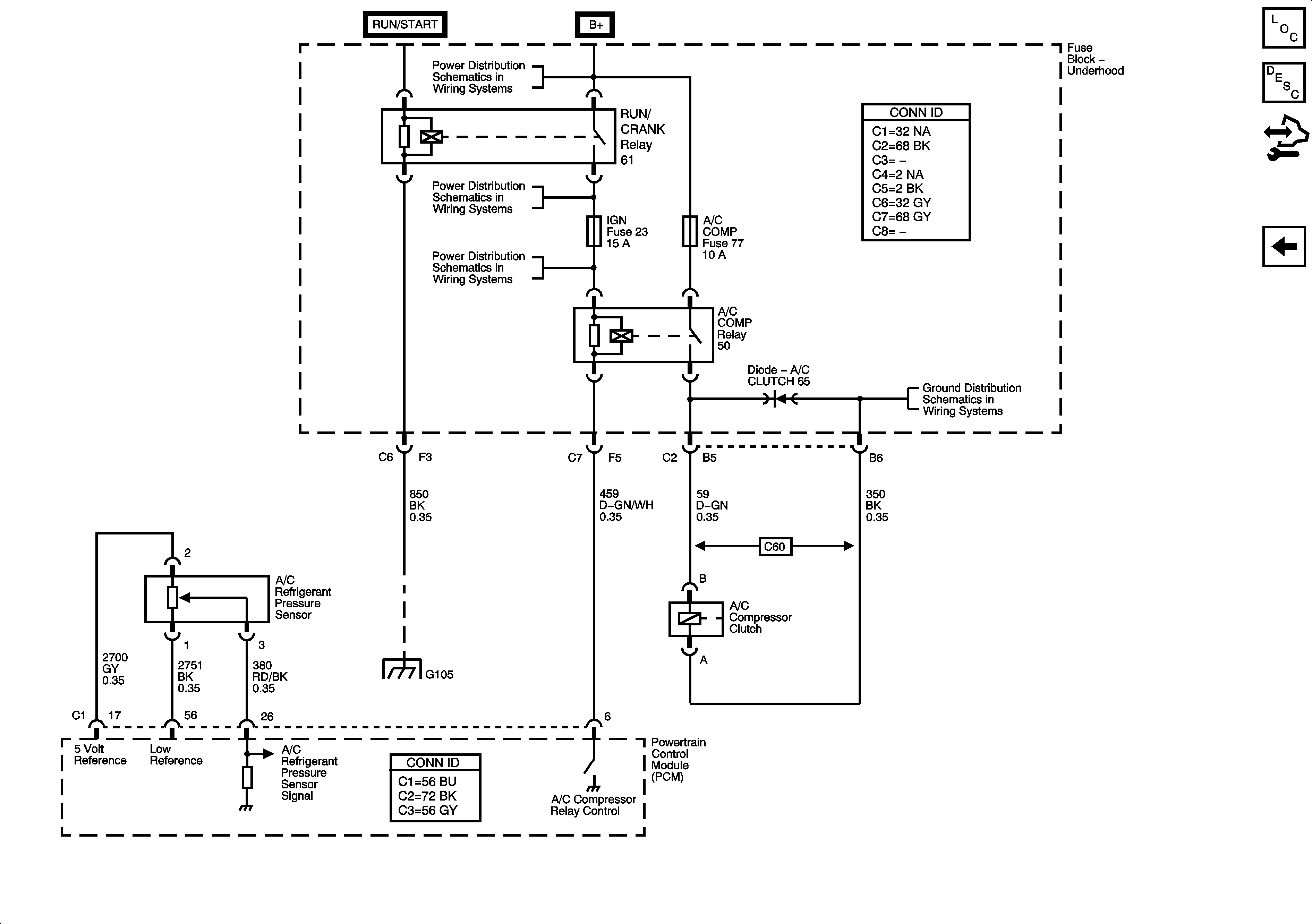
🢒 Compressor Controls - C60
Compressor Controls - C60
Compressor Controls - C60
Master Electrical Component List
Air Temperature Description and Operation
Body Control Module (BCM) Programming/RPO Configuration
Primary Blower and Air Delivery Controls - C60/C42
RUN/CRANK RELAY BUS - 1 of 3, CRUISE, SIR, and TRANS Fuses
RUN/CRANK RELAY BUS - 2 of 3, CRUISE, SIR, and TRANS Fuses
RUN/CRANK RELAY BUS - 2 of 3, CRUISE, SIR, and TRANS Fuses
Splice Pack SP1`05 and G105 - 1 of 2