GM Service Manual Online
For 1990-2009 cars only
Makes
🢒
Chevrolet
🢒
2007
🢒
Colorado Pickup - 2WD
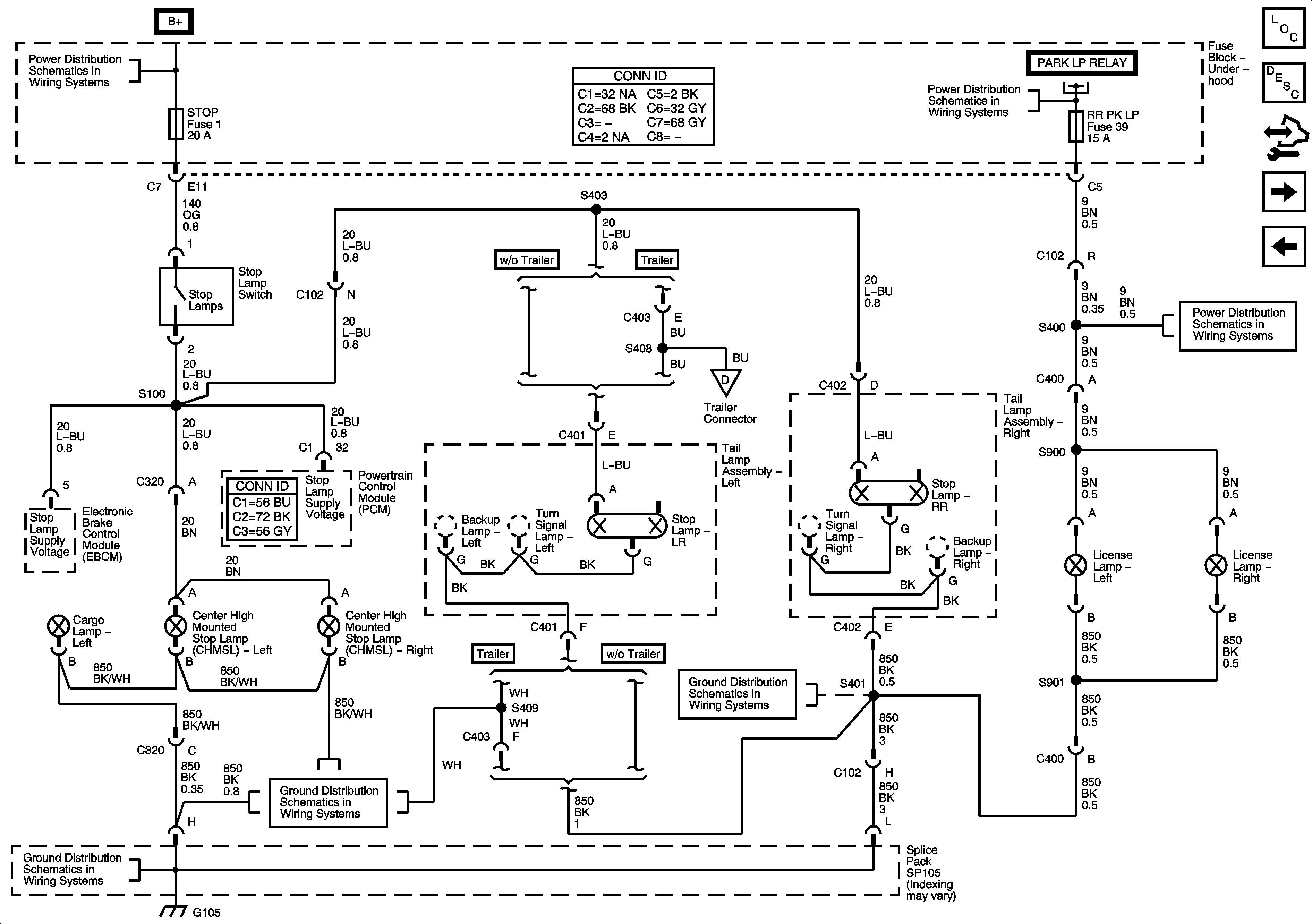
🢒 Stop Lamps and License Lamps
Stop Lamps and License Lamps
Stop Lamps and License Lamps
Master Electrical Component List
Exterior Lighting Systems Description and Operation
Body Control Module (BCM) Programming/RPO Configuration
Backup Lamps
Park Lamps
B+ Bus - Underhood Fuse Block
B+ Bus - Underhood Fuse Block
FR PK LP, RR PK LP, and RR PK LP2 Fuses
Splice Pack SP1`05 and G105 - 1 of 2
Splice Pack SP1`05 and G105 - 1 of 2
Splice Pack SP1`05 and G105 - 1 of 2