GM Service Manual Online
For 1990-2009 cars only
Makes
🢒
Chevrolet
🢒
2007
🢒
Colorado Pickup - 2WD
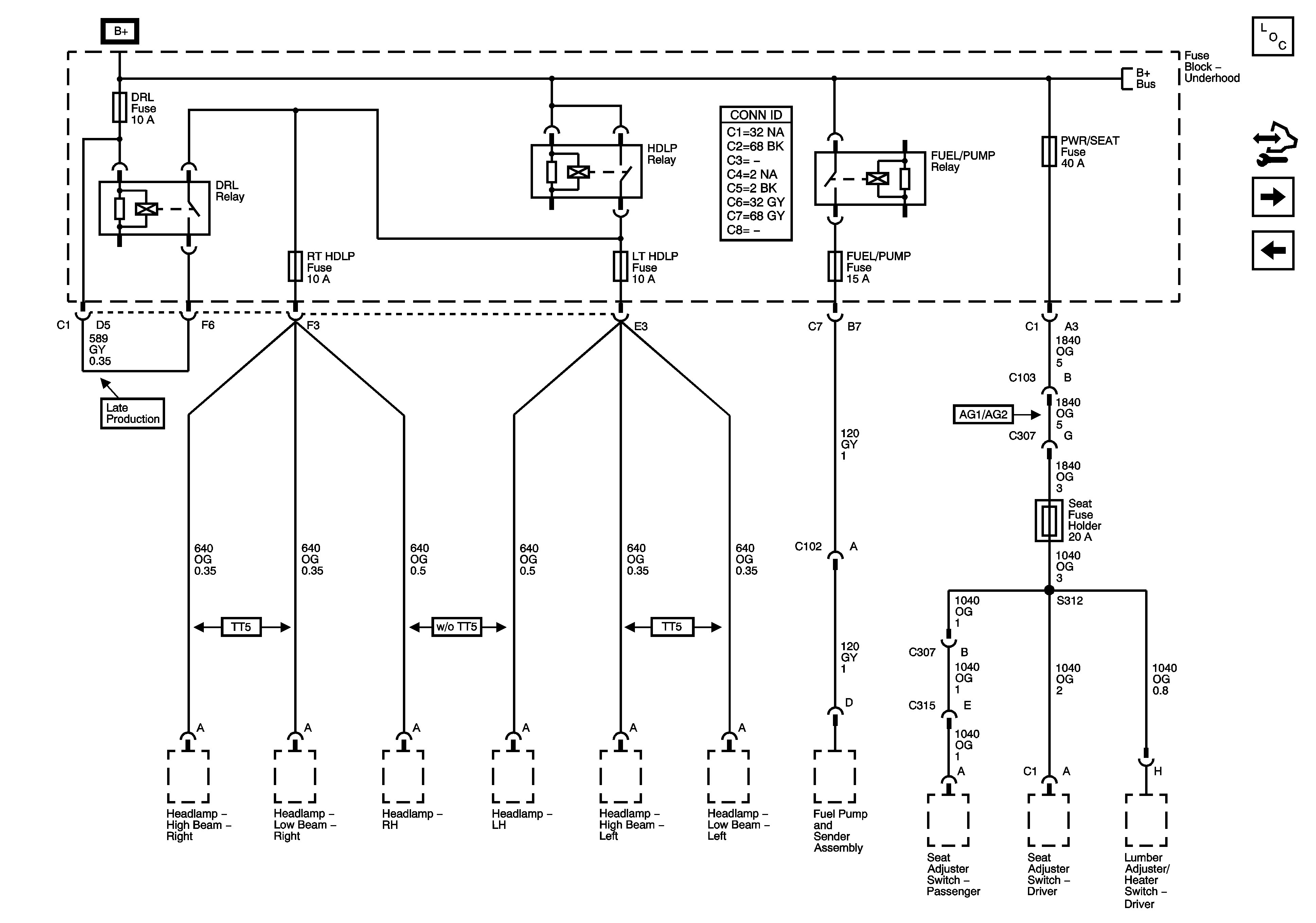
🢒 FUEL PMP, LH HDLP, and RH HDLP Fuses
FUEL PMP, LH HDLP, and RH HDLP Fuses
FUEL PMP, LH HDLP, and RH HDLP Fuses
Master Electrical Component List
Body Control Module (BCM) Programming/RPO Configuration
FR PK LP, RR PK LP, and RR PK LP2 Fuses
ETC, O2 SENSOR, PWR/WINDOW, SUNROOF, and WIP/WASH Fuses
B+ Bus - Underhood Fuse Block