GM Service Manual Online
For 1990-2009 cars only
Makes
🢒
Chevrolet
🢒
2007
🢒
Colorado Pickup - 2WD
🢒 RUN/CRANK RELAY BUS - 3 of 3, CRUISE, SIR, and TRANS Fuses
RUN/CRANK RELAY BUS - 3 of 3, CRUISE, SIR, and TRANS Fuses
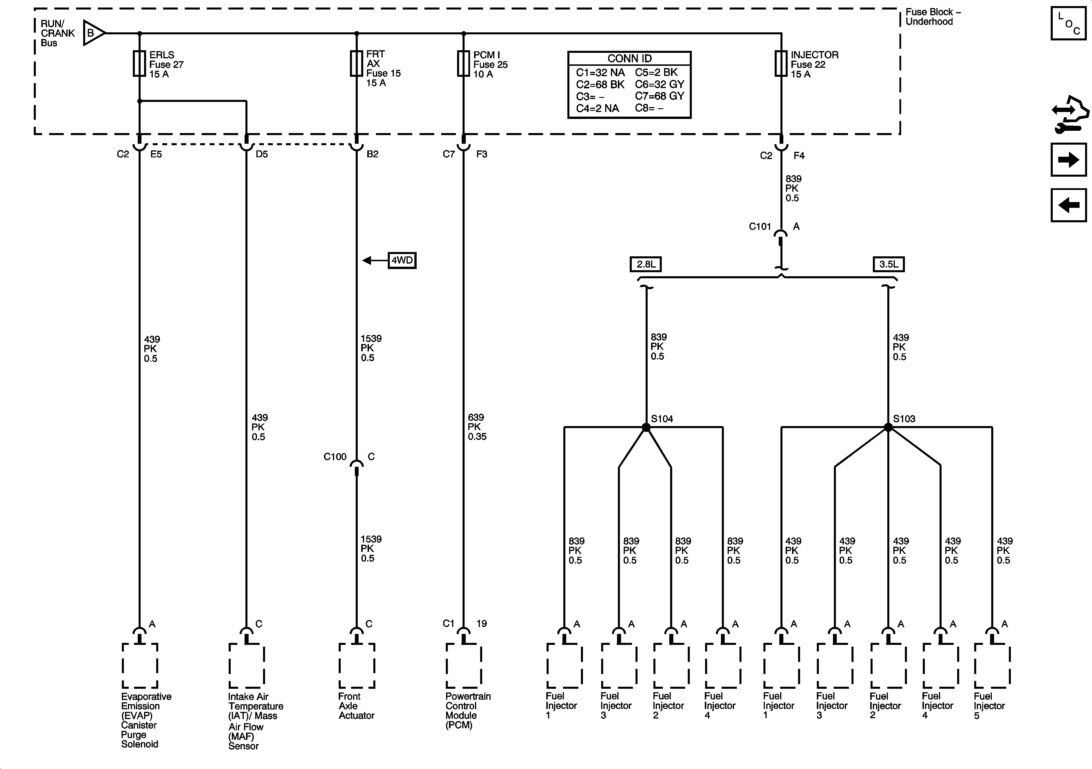
RUN/CRANK Relay Bus - 3 of 3, ERLS, FRT AX, INJECTOR, and PCM I Fuses
Master Electrical Component List
Body Control Module (BCM) Programming/RPO Configuration
ETC, O2 SENSOR, PWR/WINDOW, SUNROOF, and WIP/WASH Fuses
RUN/CRANK RELAY BUS - 2 of 3, CRUISE, SIR, and TRANS Fuses
RUN/CRANK RELAY BUS - 2 of 3, CRUISE, SIR, and TRANS Fuses