GM Service Manual Online
For 1990-2009 cars only
Makes
🢒
Chevrolet
🢒
2007
🢒
Colorado Pickup - 2WD
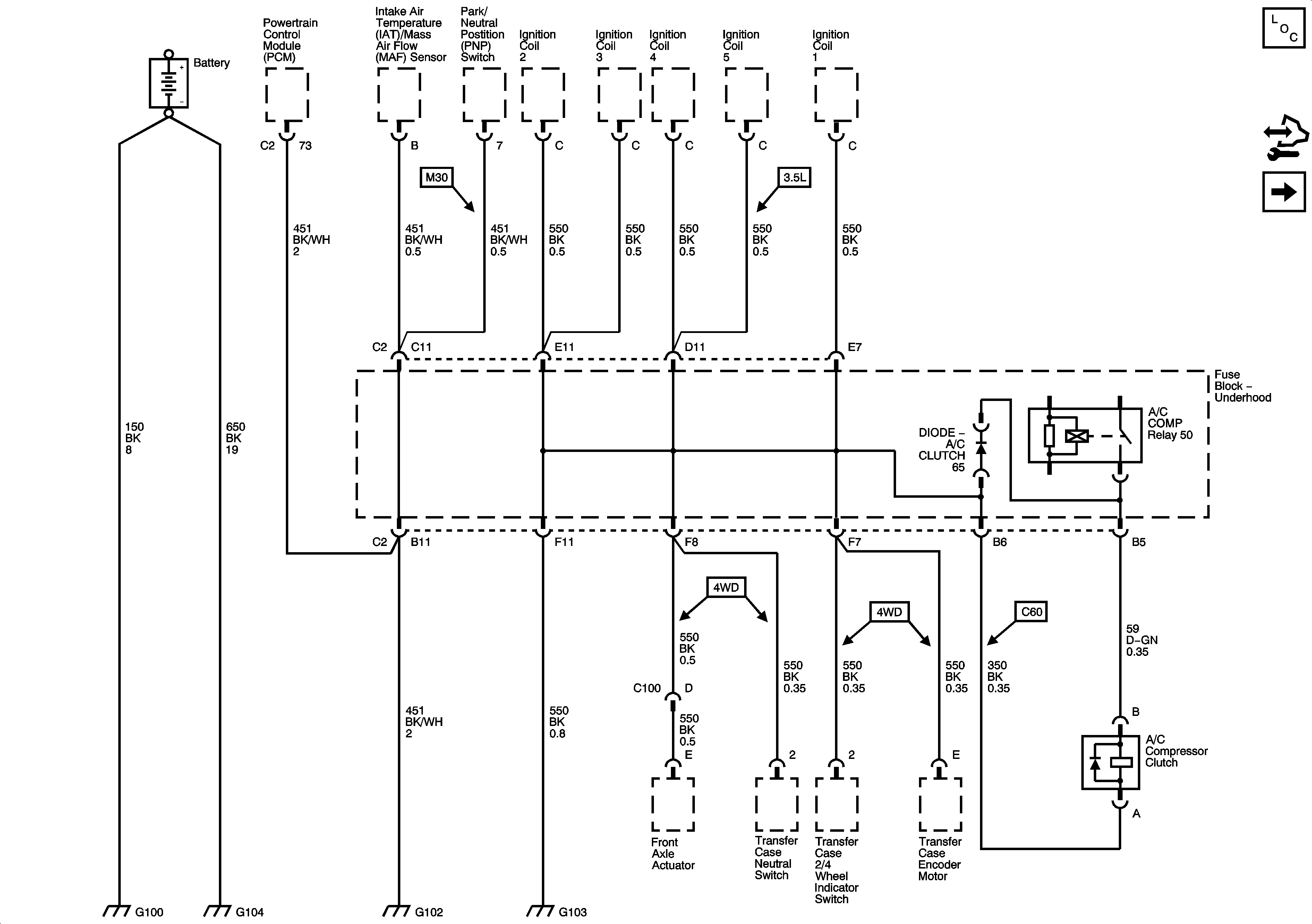
🢒 G100, G104, G102, G103, and G101
G100, G104, G102, G103, and G101
G100, G104, G102, G103, and G101
Master Electrical Component List
Body Control Module (BCM) Programming/RPO Configuration
Splice Pack SP1`05 and G105 - 1 of 2