GM Service Manual Online
For 1990-2009 cars only
Makes
🢒
Chevrolet
🢒
2007
🢒
Colorado Pickup - 2WD
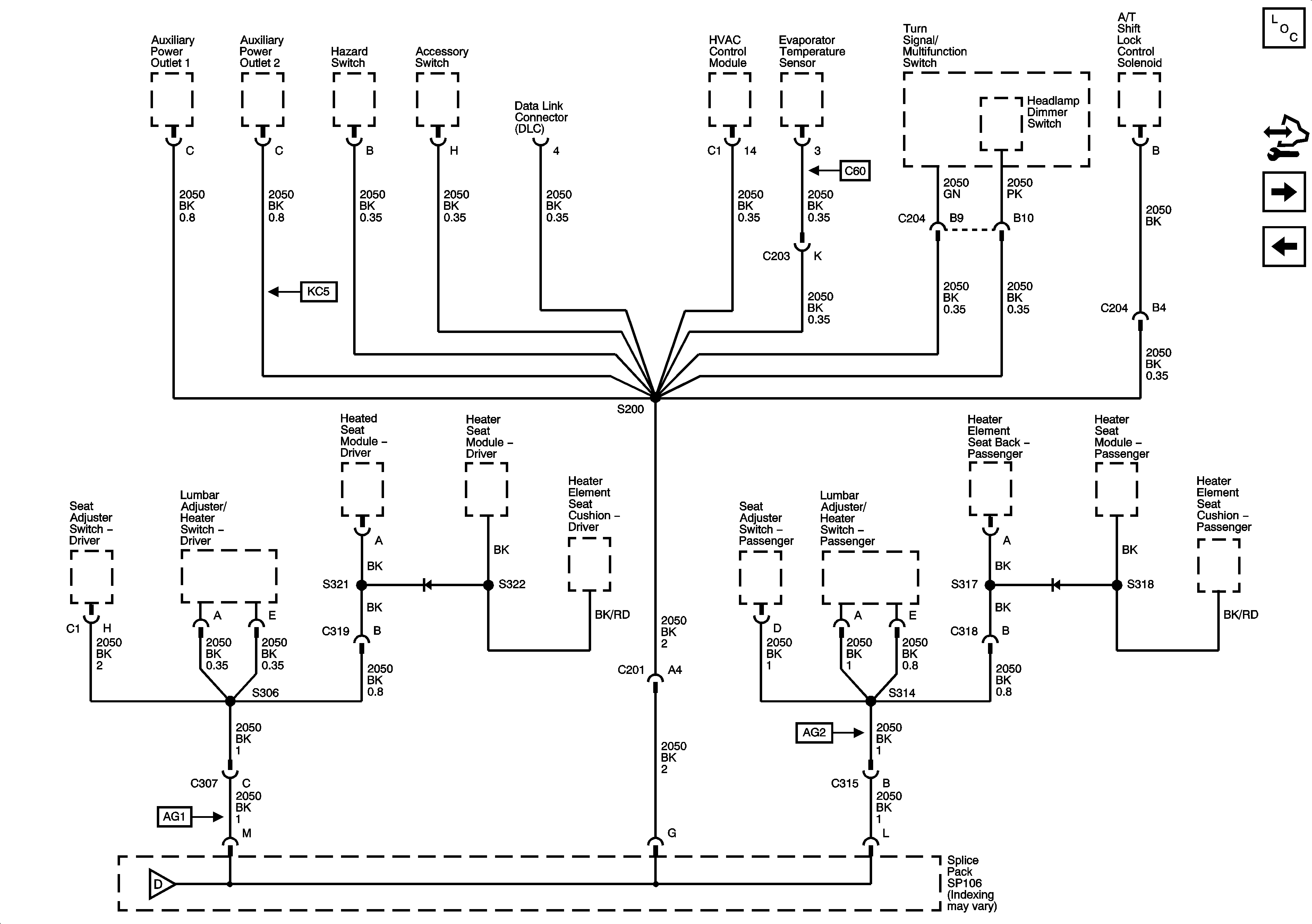
🢒 Splice Pack SP106 and G106 - 2 of 2
Splice Pack SP106 and G106 - 2 of 2
Splice Pack SP106 and G106 2 of 2
Master Electrical Component List
Body Control Module (BCM) Programming/RPO Configuration
G300, G301, G302, and G303
Splice Pack SP106 and G106 - 1 of 2
Splice Pack SP106 and G106 - 1 of 2