GM Service Manual Online
For 1990-2009 cars only
Makes
🢒
Chevrolet
🢒
2007
🢒
Colorado Pickup - 2WD
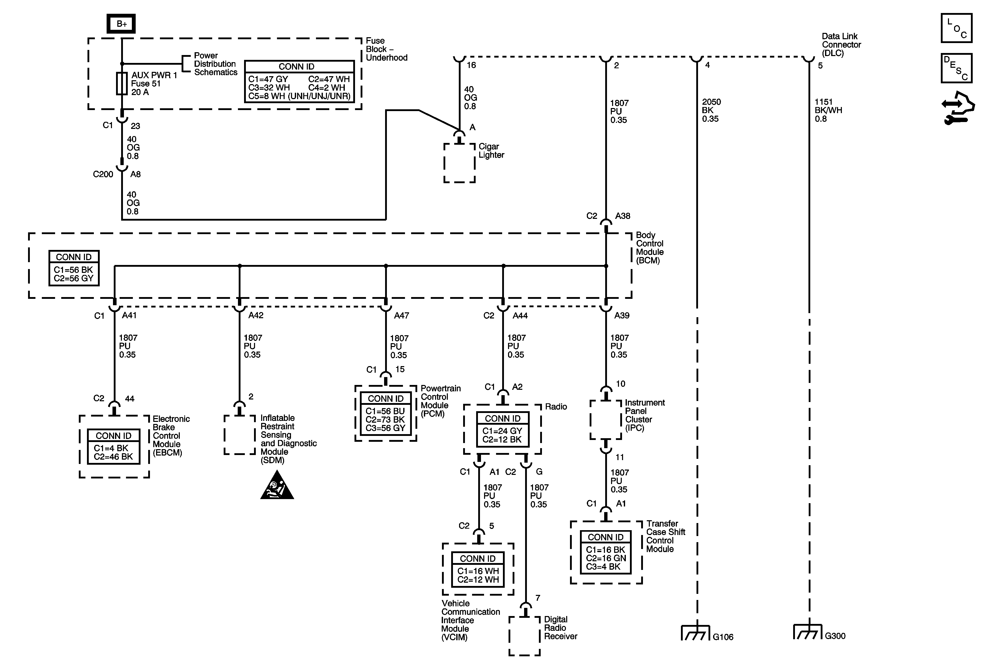
🢒 Data Link Connector (DLC) Schematics
Data Link Connector (DLC) Schematics
Master Electrical Component List
Data Link Communications Description and Operation
Control Module References
B+ Bus - Underhood Fuse Block - 1 of 2
G106
G300, G310, and G320
Data Link Communications Schematic Icons