GM Service Manual Online
For 1990-2009 cars only
Makes
🢒
Chevrolet
🢒
2007
🢒
Colorado Pickup - 2WD
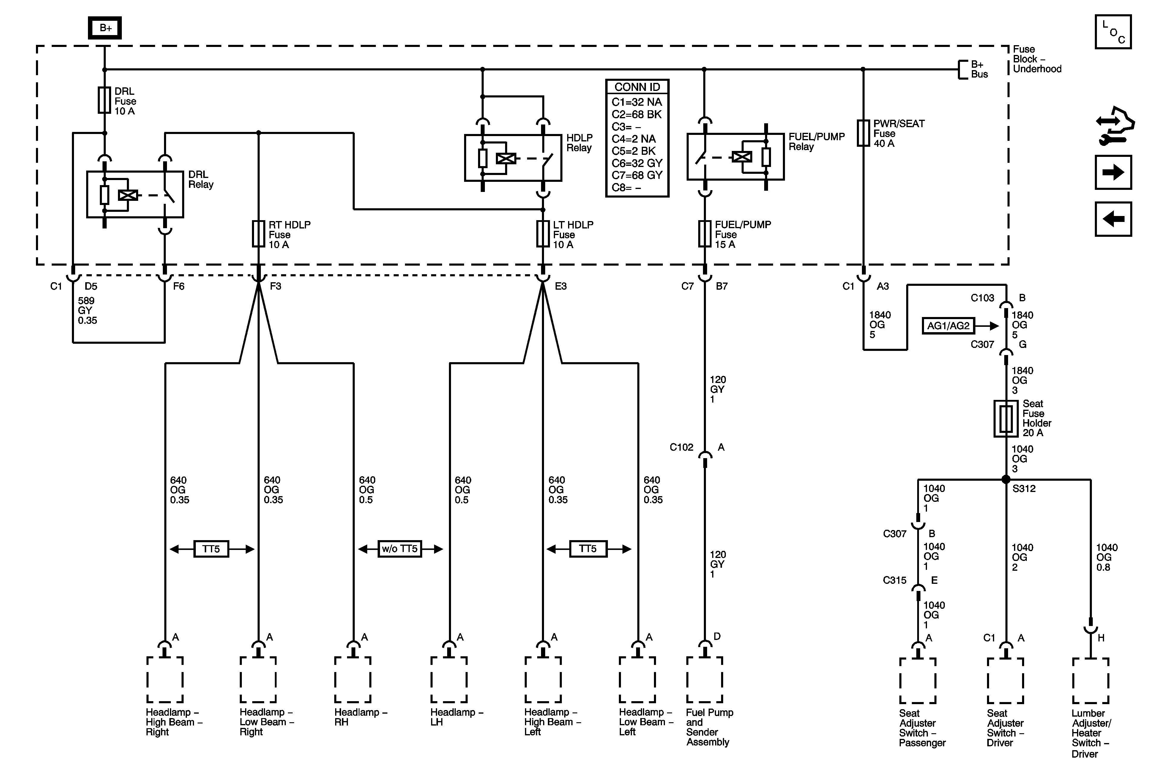
🢒 FUEL PUMP, PWR/SEAT, LH HDLP, and RH HDLP Fuses
FUEL PUMP, PWR/SEAT, LH HDLP, and RH HDLP Fuses
DRL, FUEL PMP, LH HDLP, and RH HDLP Fuses
Master Electrical Component List
Body Control Module (BCM) Programming/RPO Configuration
FR PK LP, RR PK LP, and RR PK LP2 Fuses
ETC, O2 SENSOR, PWR/WINDOW, SUNROOF, and WIP/WASH Fuses
B+ Bus - Underhood Fuse Block