GM Service Manual Online
For 1990-2009 cars only
Makes
🢒
Chevrolet
🢒
2007
🢒
Colorado Pickup - 2WD
🢒 Power, Ground, and DLC
Power, Ground, and DLC
Power, Ground, and DLC
Master Electrical Component List
Transfer Case Description and Operation
Body Control Module Programming and Setup
Transfer Case Encoder Motor
B+ Bus - Underhood Fuse Block
Splice Pack SP105 and G105 - 1 of 2
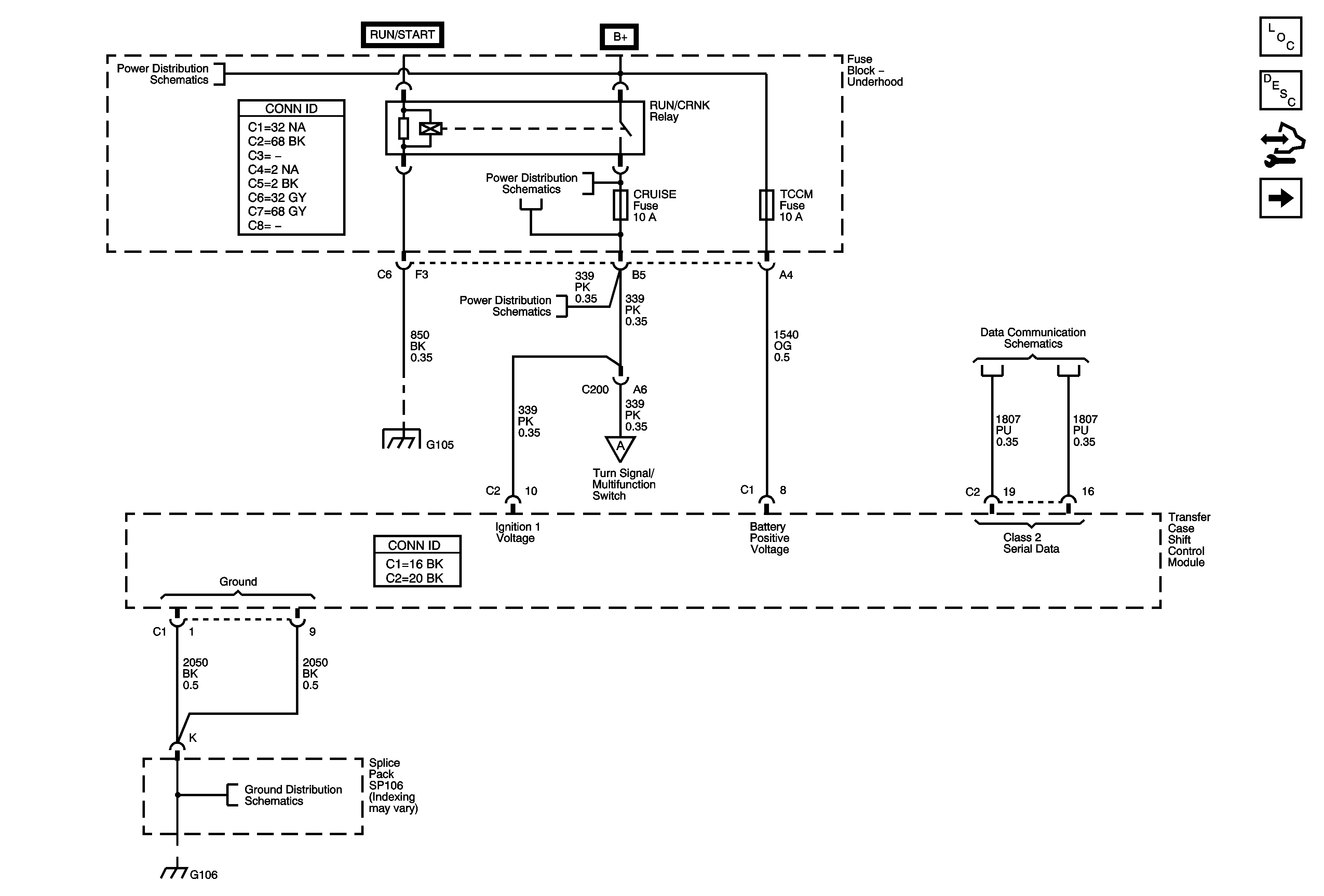
RUN/CRANK RELAY BUS - 1 of 3, CRUISE, SIR, and TRANS Fuses
RUN/CRANK RELAY BUS - 1 of 3, CRUISE, SIR, and TRANS Fuses
Shift Control Switch Inputs
Data Communication Schematics
Splice Pack SP106 and G106 - 2 of 2